Operation CHARM: Car repair manuals for everyone.
Manuals through 2025 now available!

Our trusted friends have launched a new website named LEMON, which has newer manuals. It also contains all the CHARM manuals.

LEMON is the spiritual successor to CHARM, I recommend you try it!

Link: lemon-manuals.la or lemon-manuals.org.ua

(Some people have issue connecting. LEMON is investigating. For now, use Firefox or change your DNS server)

Or, hide this message: temporarily or permanently

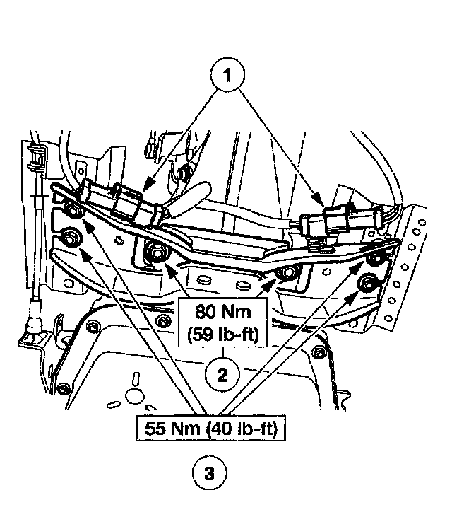
Front Cross-Member: Service and Repair

Transmission Support Crossmember

Removal and Installation
1. Raise and support the vehicle.
2. Support the transmission with a suitable transmission jack.





3. Remove the crossmember.
1 Disconnect the H02S sensors and position them aside.
2 Remove the bolts from the crossmember to the extension housing.
3 Remove the bolts from the crossmember to the body and remove the crossmember.
4. To install, reverse the removal procedure.