Operation CHARM: Car repair manuals for everyone.
Manuals through 2025 now available!

Our trusted friends have launched a new website named LEMON, which has newer manuals. It also contains all the CHARM manuals.

LEMON is the spiritual successor to CHARM, I recommend you try it!

Link: lemon-manuals.la or lemon-manuals.org.ua

(Some people have issue connecting. LEMON is investigating. For now, use Firefox or change your DNS server)

Or, hide this message: temporarily or permanently

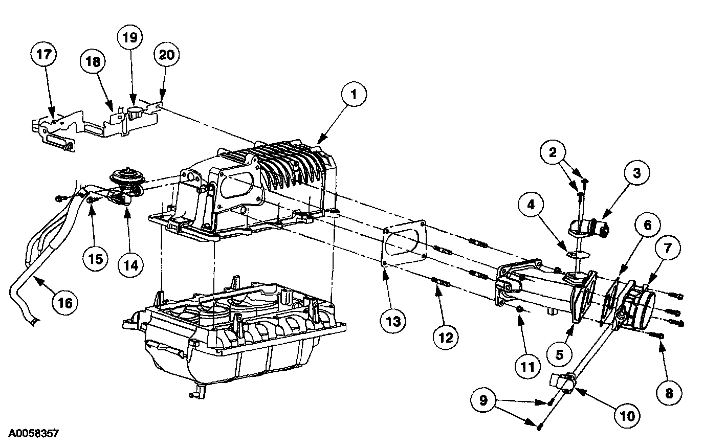
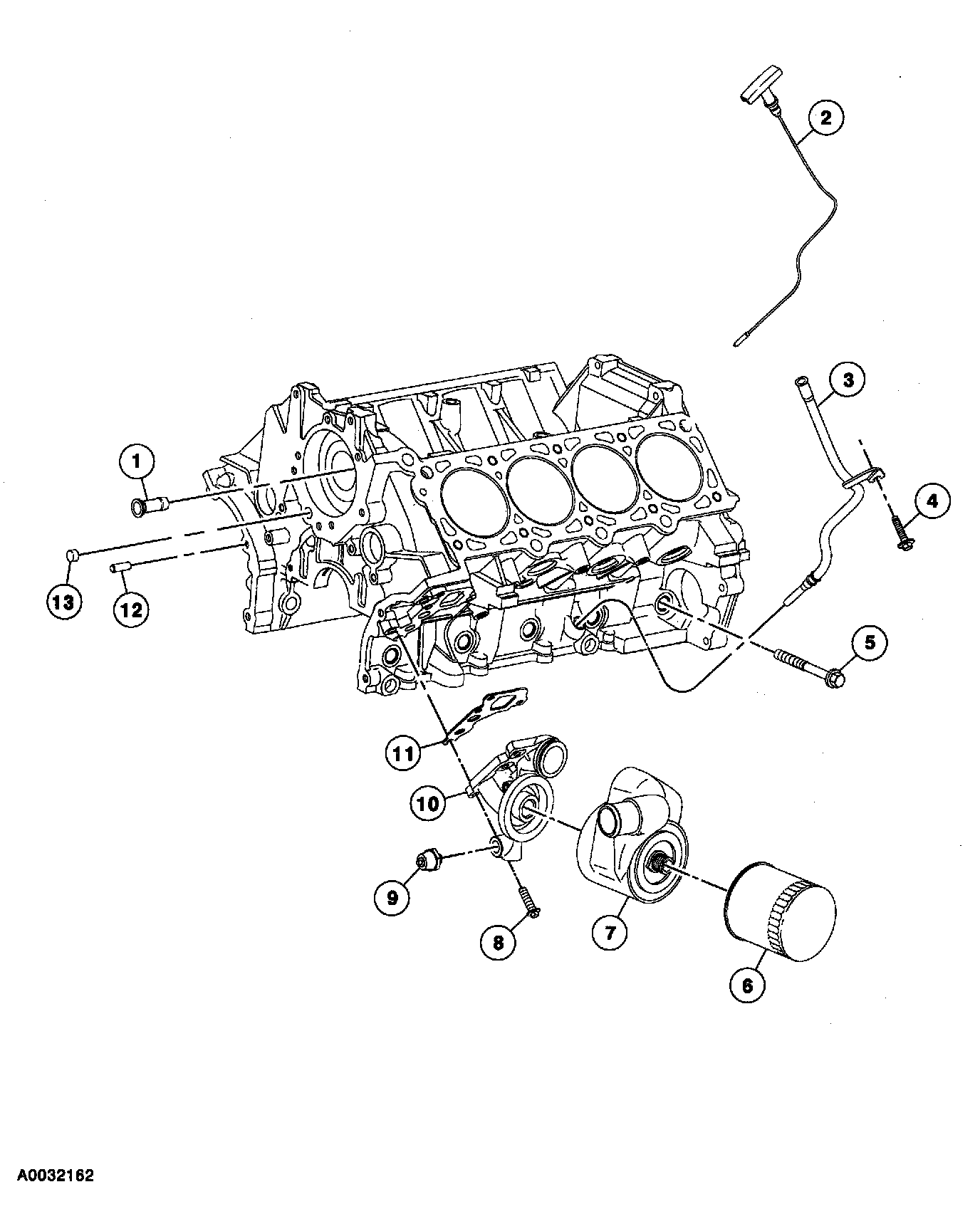
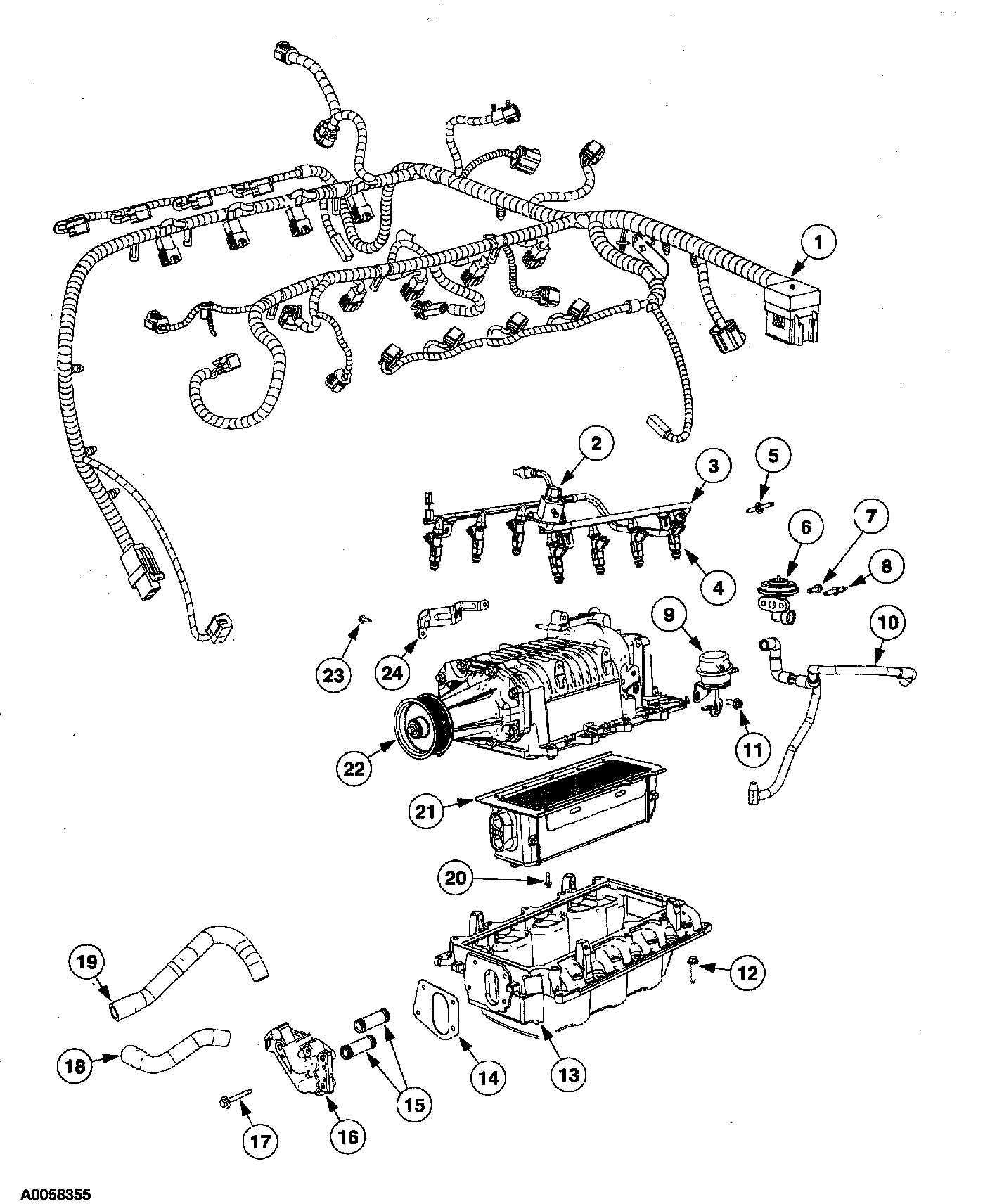
Engine

Engine Components

Part 1 Of 24:




Part 2 Of 24:




Part 3 Of 24:




Part 4 Of 24:




Part 5 Of 24:




Part 6 Of 24:




Part 7 Of 24:




Part 8 Of 24:




Part 9 Of 24:




Part 10 Of 24:




Part 11 Of 24:




Part 12 Of 24:




Part 13 Of 24:




Part 14 Of 24:




Part 15 Of 24:




Part 16 Of 24:




Part 17 Of 24:




Part 18 Of 24:




Part 19 Of 24:




Part 20 Of 24:




Part 21 Of 24:




Part 22 Of 24:




Part 23 Of 24:




Part 24 Of 24: