Operation CHARM: Car repair manuals for everyone.
Manuals through 2025 now available!

Our trusted friends have launched a new website named LEMON, which has newer manuals. It also contains all the CHARM manuals.

LEMON is the spiritual successor to CHARM, I recommend you try it!

Link: lemon-manuals.la or lemon-manuals.org.ua

(Some people have issue connecting. LEMON is investigating. For now, use Firefox or change your DNS server)

Or, hide this message: temporarily or permanently

Timing Cover: Service and Repair

Engine Front Cover

Removal
1. Remove the crankshaft front seal.
2. Remove the oil filter adapter.





3. Remove the three bolts shown. Loosen the fourth bolt (hidden below the power steering tube) and position the power steering pump aside.





4. Remove the A/C muffler bracket nut.





5. Remove the bolts and position the A/C compressor aside.





6. Disconnect the crankshaft position sensor.





7. Remove the four front bolts.





8. Disconnect the generator electrical connector.





9. Remove the generator B+ terminal nut and detach the B+ cable.





10. Remove the bolts and the generator.





11. Remove the generator support bracket.
12. Drain the engine coolant and the supercharger coolant.
13. Lower the vehicle.
14. Remove the coolant bypass tube.
15. Remove the left and fight valve covers.





16. Disconnect the supercharger coolant hose.





17. Remove the coolant hose mounting bolt.





18. Disconnect the supercharger coolant hoses and remove the supercharger hose and tube, assembly.





19. Disconnect the Camshaft Position (CMP) sensor electrical connector.





20. Unclip the wiring harness from the power steering bracket.





21. Remove the nut.





22. Disconnect the power steering hoses and drain the power steering fluid into a suitable container.





23. Remove the fasteners and the power steering reservoir.





24. Remove the nut and the position the power steering hose aside.





25. Remove the fasteners and the supercharger belt idler support bracket assembly.





26. Remove the wiring harness bracket.





27. Remove the water pump pulley.





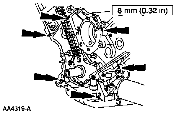
28. Remove the bolts, the studs and the engine front cover.

29. CAUTION: Do not use metal scrapers, wire brushes, power abrasive discs or other abrasive means to clean the sealing surfaces. These tools cause scratches and gouges which make leak paths. Use a plastic scraping tool to remove all traces of old sealant.

Remove and discard the gasket, clean and inspect the sealing surfaces.

Installation





1. NOTE: If the valve cover is not secured within four minutes, the sealant must be removed and the sealing area cleaned with metal surface cleaner. Allow to dry until there is no sign of wetness, or four minutes, whichever is longer. Failure to follow this procedure can result in future oil leakage.

Apply silicone gasket and sealant in the locations shown.

Part 1 Of 3:




Part 2 Of 3:




Part 3 Of 3:





2. Install the engine front cover and tighten the fasteners in the sequence shown, to 25 Nm (18 inch lbs.).





3. Install the water pump pulley.





4. Install the wiring harness bracket and the nut.





5. Install the supercharger belt idler support bracket assembly and fasteners.





6. Install the power steering hose bracket nut.





7. Install the power steering reservoir and the fasteners.





8. Connect the power steering hoses.





9. Install the power steering hose nut.





10. Attach the wiring harness to the power steering bracket.





11. Connect the Camshaft Position (CMP) sensor electrical connector.





12. Install the supercharger hose and tube assembly, and connect the coolant hoses.





13. Install the coolant hose mounting bolt.





14. Connect the supercharger coolant hose.
15. Install the left and right valve covers.
16. Install the coolant bypass tube.
17. Raise the vehicle.





18. Install the generator support bracket.





19. Install the generator and the bolts.





20. Attach the B + cable and install the generator B + terminal nut.





21. Connect the generator electrical connector.





22. Tighten the bolts in three stages, in the sequence shown.
^ Stage 1: Tighten to 2 Nm (18 inch lbs.).
^ Stage 2: Tighten to 20 Nm (15 ft. lbs.).
^ Stage 3: Tighten an additional 60°.





23. Connect the crankshaft position sensor electrical connector.





24. Position the A/C compressor and install the bolts.





25. Install the A/C muffler bracket nut.





26. Position the power steering pump and install the bolts.
27. Install the oil filter adapter.
28. Install the crankshaft front seal.
29. Fill and bleed the engine coolant and the supercharger coolant.
30. Fill the crankcase with clean engine oil.