Operation CHARM: Car repair manuals for everyone.
Manuals through 2025 now available!

Our trusted friends have launched a new website named LEMON, which has newer manuals. It also contains all the CHARM manuals.

LEMON is the spiritual successor to CHARM, I recommend you try it!

Link: lemon-manuals.la or lemon-manuals.org.ua

(Some people have issue connecting. LEMON is investigating. For now, use Firefox or change your DNS server)

Or, hide this message: temporarily or permanently

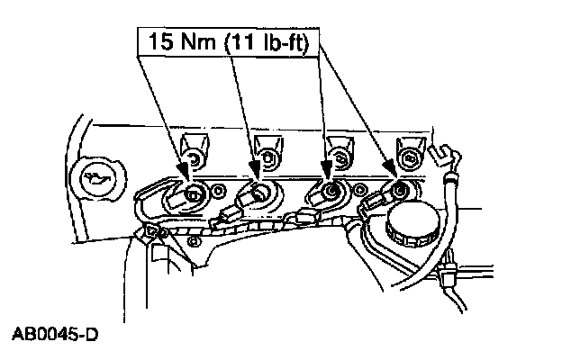
Spark Plug: Service and Repair

REMOVAL
1. Remove the ignition coil-on-plug.







2. Remove the RH spark plugs.

NOTE:
^ Use compressed air to remove any foreign material from the spark plug well before removing the spark plugs.
^ If an original spark plug is used, make sure it is installed in the same cylinder from which it was taken. New spark plugs can be used in any cylinder.







3. Remove the LH spark plugs.
4. Inspect the spark plugs. Install new spark plugs as necessary.







5. Adjust the spark plug gap as necessary.

INSTALLATION
1. To install, reverse the removal procedure.