Operation CHARM: Car repair manuals for everyone.
Manuals through 2025 now available!

Our trusted friends have launched a new website named LEMON, which has newer manuals. It also contains all the CHARM manuals.

LEMON is the spiritual successor to CHARM, I recommend you try it!

Link: lemon-manuals.la or lemon-manuals.org.ua

(Some people have issue connecting. LEMON is investigating. For now, use Firefox or change your DNS server)

Or, hide this message: temporarily or permanently

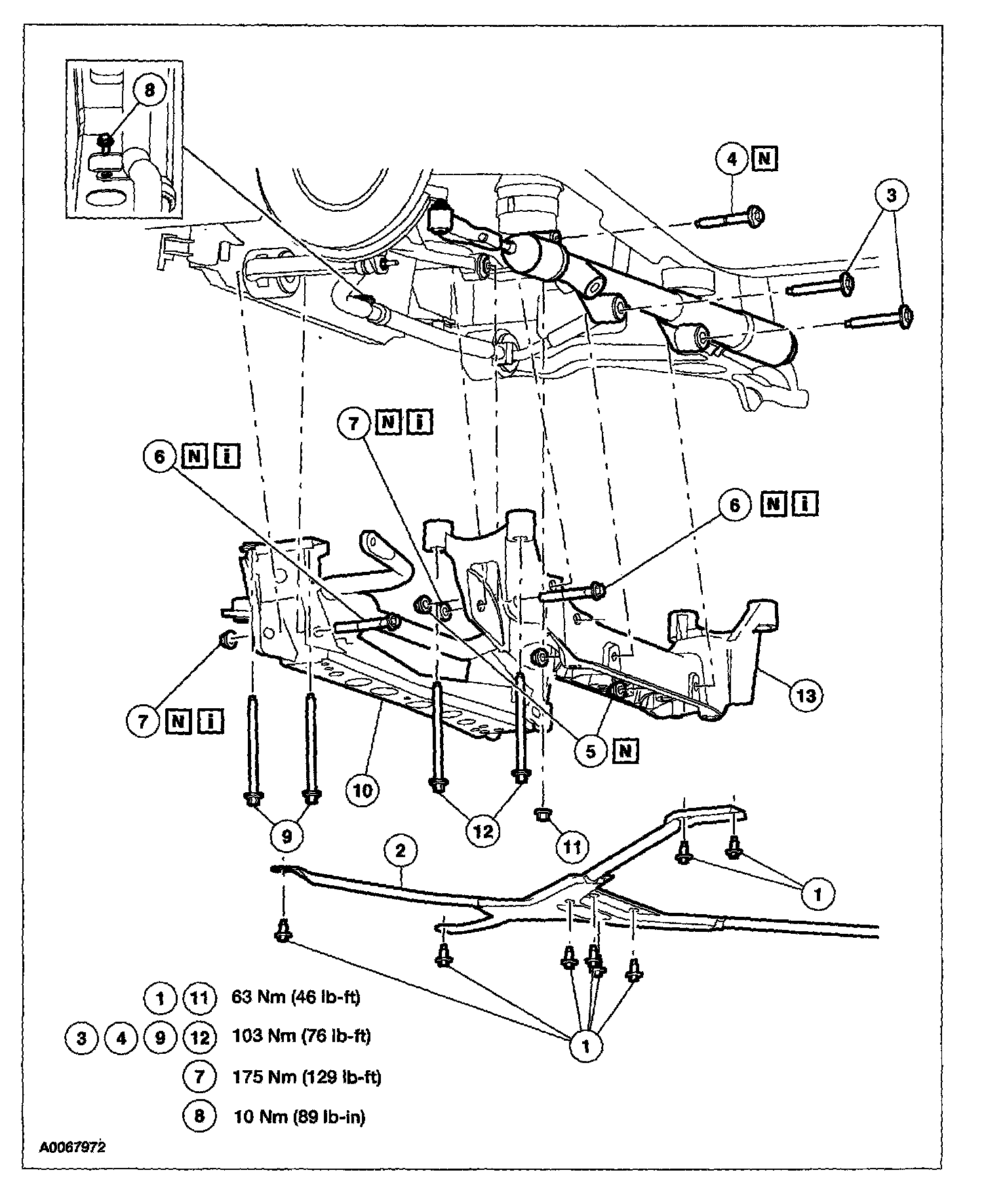
Crossmember

CROSSMEMBER


Special Tool(s):






Special Tool(s)

Removal and Installation

CAUTION: Suspension fasteners are critical parts because they affect the performance of vital components and systems and their failure can result in major repair expense. A new part with the same part number must be installed if installation is necessary. Do not use a new part of lesser quality or substitute design. Torque values must be used as specified during reassembly to make sure of correct retention of these parts.

NOTE: New cam bolts and lock nuts must be installed whenever they are removed from the lower control arms.

1. If removing the engine support crossmember, use the special tool to support the engine.
2. Remove the front tire and wheel assemblies.
3. Remove the front valance panels.
4. If removing the radiator support crossmember, support the radiator.
5. If removing the radiator support crossmember, remove the LH and RH stabilizer links.







6. To remove individual components, only carry out the listed steps.


Part 1:






Part 2:






7. Remove the components in the order indicated in the illustration and table.
8. To install, reverse the removal procedure.

Item 6, 7: Lower Control Arm Bolts/Nuts Installation Note
1. A front alignment is required when these bolts are removed.