Operation CHARM: Car repair manuals for everyone.
Manuals through 2025 now available!

Our trusted friends have launched a new website named LEMON, which has newer manuals. It also contains all the CHARM manuals.

LEMON is the spiritual successor to CHARM, I recommend you try it!

Link: lemon-manuals.la or lemon-manuals.org.ua

(Some people have issue connecting. LEMON is investigating. For now, use Firefox or change your DNS server)

Or, hide this message: temporarily or permanently

Heater Core: Service and Repair



HEATER CORE AND EVAPORATOR CORE HOUSING, ASSEMBLY AND COMPONENTS

REMOVAL

NOTE:
- Installation of a new receiver drier is not required when repairing the air conditioning system except when there is physical evidence of contamination from a failed A/C compressor or damage to the receiver drier.
- New O-ring seals, lubricated in clean PAG oil, must be installed before reconnecting any A/C fitting that has been disconnected.
- If an evaporator core leak is suspected, the evaporator core must be vacuum leak tested.
- If a heater core leak is suspected, the heater core must be leak tested before it is removed from the vehicle.
- Lubricate the coolant hoses with plain water only if needed.

1. Recover the refrigerant.
2. Partially drain the cooling system.
3. Remove the instrument panel. For additional information, refer to: Dashboard/Instrument Panel. Service and Repair







4. To remove individual components, only carry out the listed steps.


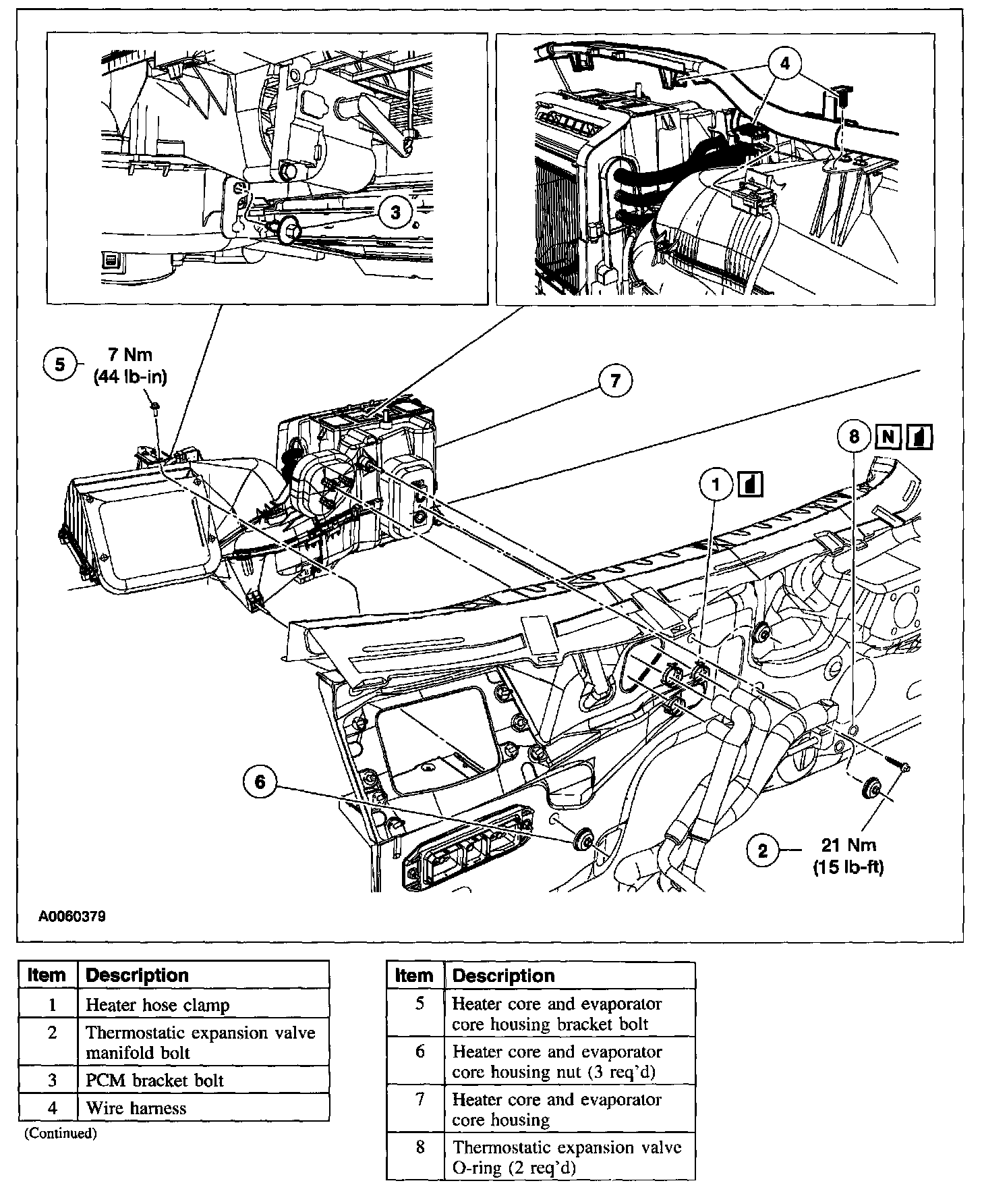
Illustration 1 Of 2:






5. Illustration 1 of 2. Remove the components in the order indicated in the illustration and table.


Illustration 2 Of 2, Part 1:






Illustration 2 Of 2, Part 2:






6. Illustration 2 of 2. Remove the components in the order indicated in the illustration and table.

Item 22: Thermostatic Expansion Valve Removal Note
1. Remove the thermostatic expansion valve.

INSTALLATION
1. To install, reverse the removal procedure.
2. Lubricate the refrigerant system with the correct amount of clean PAG oil.
3. Fill the engine coolant level.
4. Evacuate, leak test and charge the refrigerant system.