Operation CHARM: Car repair manuals for everyone.
Manuals through 2025 now available!

Our trusted friends have launched a new website named LEMON, which has newer manuals. It also contains all the CHARM manuals.

LEMON is the spiritual successor to CHARM, I recommend you try it!

Link: lemon-manuals.la or lemon-manuals.org.ua

(Some people have issue connecting. LEMON is investigating. For now, use Firefox or change your DNS server)

Or, hide this message: temporarily or permanently

Timing Chain: Service and Repair

Timing Drive Components





Special Tool(s)





Material

Removal

CAUTION: Since the engine is not free-wheeling, if the crankshaft or the camshafts are moved in any manner during removal and installation the crankshaft and camshaft must be desynchronized. These steps are located in Engine Assembly, Steps 36-48.

1. Remove the engine front cover.





2. Remove the crankshaft sensor ring from the crankshaft.





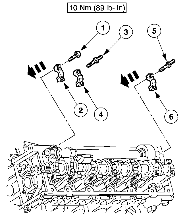
3. CAUTION: The caps must be marked for installation in their original location or damage to the engine can occur.

Remove the six bolts and remove the balance shaft bearing caps.





4. Remove the balance shaft.





5. CAUTION: Unless otherwise instructed, at no time when the timing chains are removed and the cylinder heads are installed may the crankshaft or camshaft be rotated. Severe piston and valve damage will occur.

Position the crankshaft with the keyway at the 12 o'clock position.





6. Install and carefully tighten the special tool on the camshafts.





7. Remove the timing chain tensioning system from both timing chains.
1. Remove the bolts.
2. Remove the timing chain tensioners.
3. Remove the timing chain tensioner arms.





8. Remove the LH and RH timing chain and the crankshaft sprockets.
^ Remove the RH timing chain from the camshaft sprocket.
^ Remove the RH timing chain from the crankshaft sprocket.
^ Remove the LH timing chain from the camshaft sprocket.
^ Remove the LH timing chain from the crankshaft sprocket.





9. Remove the timing chain guides.
^ Remove the bolts.
^ Remove the timing chain guides.





10. NOTE: Romeo engine shown; Windsor engine similar.

On engine with bolt-on sprockets, remove the camshaft sprocket.
1. Remove the bolt.
2. Remove the camshaft sprocket.

Installation

CAUTION: Timing chain procedures must be followed exactly or damage to valves and pistons will result.





1. CAUTION: Timing chain procedures must be followed exactly or damage to valves and pistons will result.

Compress the tensioner plunger, using a vise.





2. Install a retaining clip on the tensioner to hold the plunger in during installation.





3. NOTE: There are 61 links in each timing chain.

If copper links are not visible, mark two links on one end and one link on the other end, and use as timing marks.





4. On engines equipped with bolt-on sprockets, install the camshaft sprocket (2).
1. Install the bolt (1).
2. Tighten the bolt.
^ M10 bolt: Tighten in two stages.
Stage 1: Tighten to 40 Nm (30 ft. lbs.).
Stage 2: Tighten an additional 90 degrees.
^ M12 bolt: Tighten to 120 Nm (90 ft. lbs.).





5. Install the timing chain guides.





6. NOTE: Slightly loosen the Camshaft Holding Tool to allow slight camshaft movement.

Preposition the camshafts.
1. Rotate the LH camshaft with the Camshaft Positioning Tool until the timing mark is approximately at 12 o'clock.
2. Rotate the RH camshaft with the Camshaft Positioning Tool until the timing mark is approximately at 11 o'clock.
^ Tighten the Camshaft Holding Tool to maintain camshaft propositioning.





7. CAUTION: Rotate the crankshaft counterclockwise only. Do not rotate past the position shown or severe piston and/or valve damage can occur.

Position the crankshaft with the special tool, then remove the tool.





8. Install the crankshaft sprocket, marking sure the flange faces forward.





9. Install the lower end of the LH timing chain, aligning the timing marks.





10. NOTE: Be sure the upper half of the timing chain is below the tensioner guide dowel. If necessary, use the Camshaft Positioning Tool to adjust.

Install the LH timing chain on the camshaft sprocket with the two chain (marked) links and the timing marks aligned.





11. NOTE: The LH timing chain tensioner arm has a bump near the dowel hole for identification.

Position the LH timing chain tensioner arm on the dowel pin and install the LH timing chain tensioner.





12. CAUTION: The camshaft sprocket can jump time if the Camshaft Holding Tool is not secured.

NOTE: Be sure the chain link and crankshaft sprocket timing marks are aligned.

NOTE: The lower half of the timing chain must be positioned above the dowel.

Install the RH (outer) timing chain on the crankshaft sprocket.





13. Position the timing chain on the camshaft sprocket. Make sure the two copper-colored (marked) links align with the camshaft sprocket timing mark.





14. NOTE: The LH timing chain tensioner arm has a bump near the dowel hole, for identification.

Position the LH and RH timing chain tensioner arms on the dowel pins. Position the timing chain tensioners and install the bolts.





15. Remove the retaining clips from the RH and LH timing chain tensioners.





16. Check for correct alignment of all timing marks.





17. Remove the special tools from the camshafts.





18. Install the crankshaft sensor ring on the crankshaft.
19. Lubricate the balance shaft journals with clean engine oil.





20. Using the index mark on the balance shaft, mark the corresponding gear tooth with chalk.





21. Position the balance shaft on the journals.





22. NOTE: It may be necessary to use an inspection mirror to see the marks.

Align the chalk mark on the balance shaft with the camshaft timing mark as shown.





23. Install the bearing caps in their original locations. Install the bolts and tighten the bolts in the sequence shown.
24. Install engine front cover.