Operation CHARM: Car repair manuals for everyone.
Manuals through 2025 now available!

Our trusted friends have launched a new website named LEMON, which has newer manuals. It also contains all the CHARM manuals.

LEMON is the spiritual successor to CHARM, I recommend you try it!

Link: lemon-manuals.la or lemon-manuals.org.ua

(Some people have issue connecting. LEMON is investigating. For now, use Firefox or change your DNS server)

Or, hide this message: temporarily or permanently

System Specifications

Camshaft
Lobe lift
Intake 6.58077 mm
Exhaust 6.58551 mm
Lobe lift-allowable lift loss 0
Valve lift @ zero lash
Intake 12.00 mm
Exhaust 12.00 mm
Camshaft end play 0.25-0.188 mm
End play service limit 0.025-0.188 mm
Journal-to-bearing clearance 0.076-0.025 mm
Journal diameters 26.962-26.936 mm
Journal inside diameter (cap assembled) 27.012-26.987 mm
Camshaft runout: full indicator measurement on all journals when supported on front and rear journals 0.09 mm (5 places)
Cylinder Bore Diameter
Grade 1 90.200-90.210 mm
Grade 2 90.210-90.220 mm
Grade 3 90.220-90.230 mm
Cylinder Head/Valve Train
Combustion chamber volume 52.6 - 51.6 cc
Displacement (CID) 6.8L (415)
No. of Cylinders 10
Bore/Stroke 90.215/105.8 mm
Fire order 1-6-5-10-2-7-3-8-4-9


Camshaft bearing cap bolts

Camshaft Bearing Torque Sequence:





Loosely install the 15 bolts.

Tighten 10 Nm (89 inch lbs.)

Tighten the bolts in the sequence shown.






Camshaft sprocket bolts
M10 bolt: Tighten in two stages.
Tighten to 40 Nm (30 ft. lbs.).
Tighten additional 90 degrees.
M12 bolt: Tighten to 120 Nm (90 ft. lbs.).

LH cylinder head





Tighten the cylinder head bolts in three stages in the sequence shown.
Tighten the bolts to 40 Nm (30 ft. lbs.).
Tighten the bolts additional 90 degrees.
Tighten the bolts additional 90 degrees.

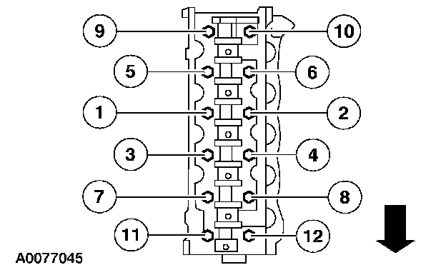
RH cylinder head





Tighten the cylinder head bolts in three stages in the sequence shown.
Tighten the bolts to 40 Nm (30 ft. lbs.).
Tighten the bolts additional 90 degrees.
Tighten the bolts additional 90 degrees.





Exhaust manifold RH nuts 25 Nm (18 ft. lbs.)
Tighten the exhaust manifold nuts in the sequence shown.





Exhaust manifold LH nuts 25 Nm (18 ft. lbs.)
Tighten the exhaust manifold nuts in the sequence shown.