Operation CHARM: Car repair manuals for everyone.
Manuals through 2025 now available!

Our trusted friends have launched a new website named LEMON, which has newer manuals. It also contains all the CHARM manuals.

LEMON is the spiritual successor to CHARM, I recommend you try it!

Link: lemon-manuals.la or lemon-manuals.org.ua

(Some people have issue connecting. LEMON is investigating. For now, use Firefox or change your DNS server)

Or, hide this message: temporarily or permanently

Valve Spring: Service and Repair

Valve Springs





Special Tool(s)

Removal
1. Remove the camshaft roller followers.





2. Position the piston at the top of the stroke.
3. Remove the spark plug and install compressed air in the cylinder to hold both valves in position.

CAUTION: If air pressure has forced the piston to the bottom of the cylinder, any loss of air pressure will allow the valve to fall into the cylinder. If air pressure must be removed, support the valve prior to removal.





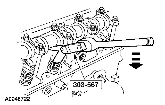
4. Use the special tool to compress the valve springs.





5. Remove the valve springs.
1 Remove the valve spring retainer keys.
2 Remove the valve spring retainers.
3 Remove the valve springs.

Installation





1. Position the valve spring and the valve spring retainers.





2. Install the special tool between the valve spring coils to prevent valve stem seal damage.





3. Use the special tool to compress the valve spring. Install the valve spring retainer keys.
4. Install the camshaft roller followers.
5. Install the spark plug.