Operation CHARM: Car repair manuals for everyone.
Manuals through 2025 now available!

Our trusted friends have launched a new website named LEMON, which has newer manuals. It also contains all the CHARM manuals.

LEMON is the spiritual successor to CHARM, I recommend you try it!

Link: lemon-manuals.la or lemon-manuals.org.ua

(Some people have issue connecting. LEMON is investigating. For now, use Firefox or change your DNS server)

Or, hide this message: temporarily or permanently

System Specifications

Cylinder head temperature sensor (CHT) 26 Nm (19 ft. lbs.)
Camshaft position sensor bolt 10 Nm (89 inch lbs.)
Crankshaft position sensor bolt 10 Nm (89 inch lbs.)
Exhaust manifold studs 12 Nm (9 ft. lbs.)
Drive belt idler pulley bolt 25 Nm (18 ft. lbs.)
Flywheel bolts 80 Nm (59 ft. lbs.)
Engine front cover bolts (1-5) 25 Nm (18 ft. lbs.)
Engine front cover bolts (6-15) 48 Nm (35 ft. lbs.)
Fuel injection supply manifold bracket bolts 10 Nm (89 inch lbs.)
Heater return tube studs 40 Nm (30 ft. lbs.)
Ignition coil bolts 6 Nm (53 inch lbs.)
Knock sensor 20 Nm (15 ft. lbs.)
Remote oil cooler line to cylinder block 10 Nm (89 inch lbs.)
Oil cooler assembly to oil filter adapter bolts 58 Nm (43 ft. lbs.)





LH cylinder head

Must use new Cylinder Head bolts

NOTE: Make sure to tighten the bolts in sequence in three stages.

Tighten the LH bolts in the sequence shown.
^ Stage 1: Tighten to 40 Nm (30 ft. lbs.).
^ Stage 2: Tighten an additional 90°.
^ Stage 3: Tighten an additional 90°.





RH cylinder head

Must use new Cylinder Head bolts

NOTE: Make sure to tighten the bolts in the following three stages.

Tighten the RH bolts in the sequence shown.
^ Stage 1: Tighten to 40 Nm (30 ft. lbs.).
^ Stage 2: Tighten an additional 90°.
^ Stage 3: Tighten an additional 90°.





Intake Manifold
Tighten the bolts in two stages, in the sequence shown.
^ Stage 1: Tighten to 2 Nm (18 inch lbs.).
^ Stage 2: Tighten to 25 Nm (18 ft. lbs.).





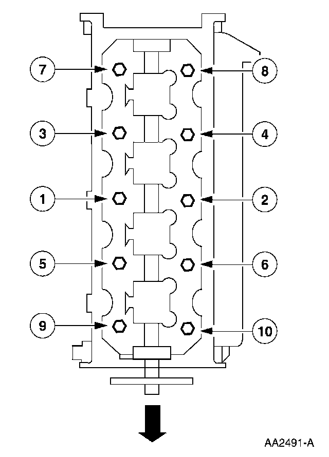
Camshaft Bearing Caps
Tighten the bolts in the sequence shown.
Tighten to 10 Nm (89 in.lbs.)





Exhaust Manifold RH
To install, reverse the removal procedure.
Tighten the exhaust manifold nuts in the sequence shown.
Tighten to 25 Nm (18 ft. lbs.)





Exhaust Manifold LH
To install, reverse the removal procedure.
Tighten the exhaust manifold nuts in the sequence shown.
Tighten to 25 Nm (18 ft. lbs.)