Operation CHARM: Car repair manuals for everyone.
Manuals through 2025 now available!

Our trusted friends have launched a new website named LEMON, which has newer manuals. It also contains all the CHARM manuals.

LEMON is the spiritual successor to CHARM, I recommend you try it!

Link: lemon-manuals.la or lemon-manuals.org.ua

(Some people have issue connecting. LEMON is investigating. For now, use Firefox or change your DNS server)

Or, hide this message: temporarily or permanently

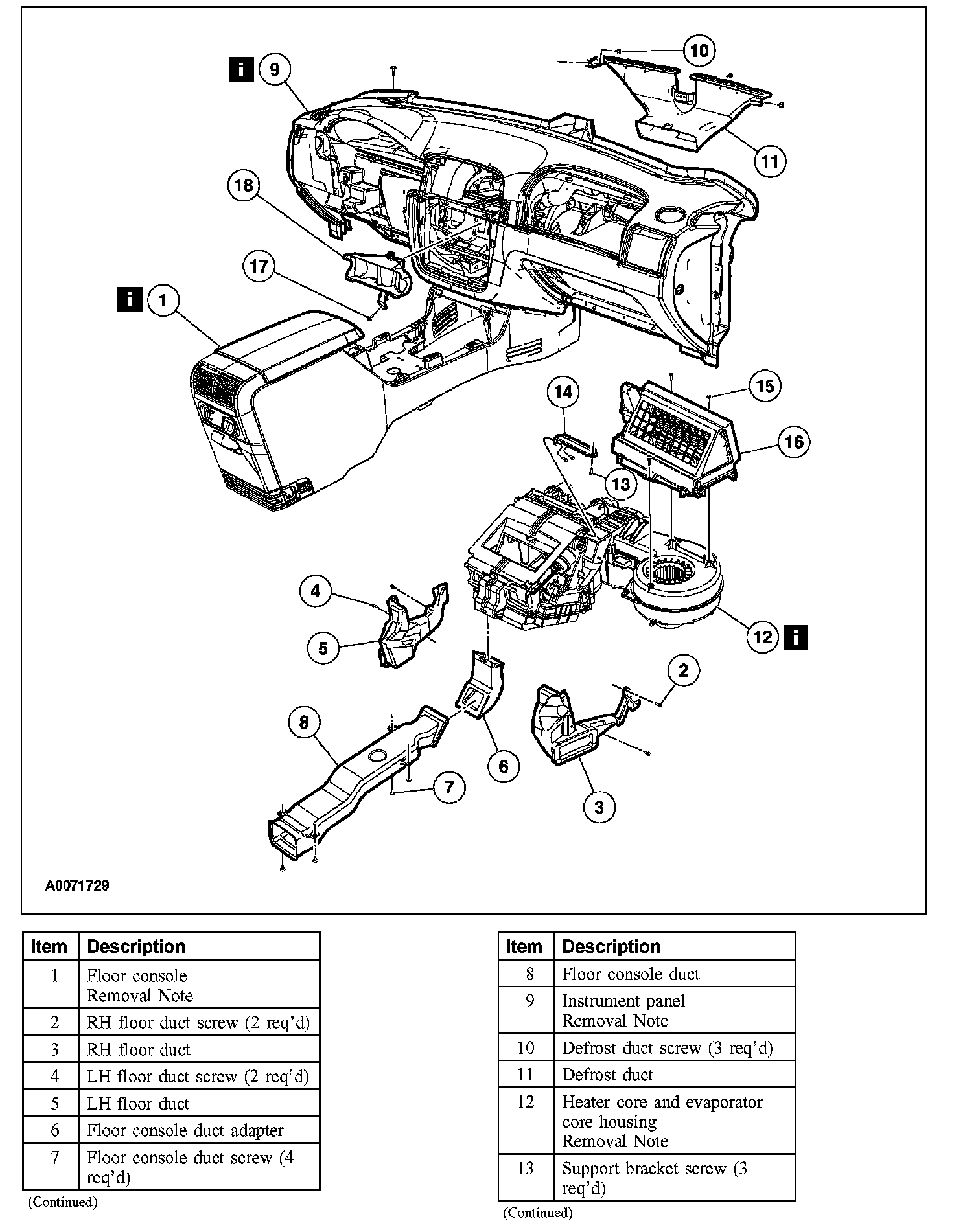
Air Duct: Service and Repair

AIR DISTRIBUTION DUCTS

REMOVAL







Part 1:






Part 2:






1. Remove the parts in the order indicated in the illustration and table.

Item 1: Floor Console Removal Note
1. Remove the front floor console.

Item 9: Instrument Panel Removal Note
1. Remove the instrument panel. Refer to: Body and Frame, Interior Trim, Dashboard/Instrument Panel, Service and Repair, Removal and Installation, Service and Repair


Item 12: Heater Core and Evaporator Core Housing Removal Note
1. Remove the heater core and evaporator core housing.

INSTALLATION
1. To install, reverse the removal procedure.