Operation CHARM: Car repair manuals for everyone.
Manuals through 2025 now available!

Our trusted friends have launched a new website named LEMON, which has newer manuals. It also contains all the CHARM manuals.

LEMON is the spiritual successor to CHARM, I recommend you try it!

Link: lemon-manuals.la or lemon-manuals.org.ua

(Some people have issue connecting. LEMON is investigating. For now, use Firefox or change your DNS server)

Or, hide this message: temporarily or permanently

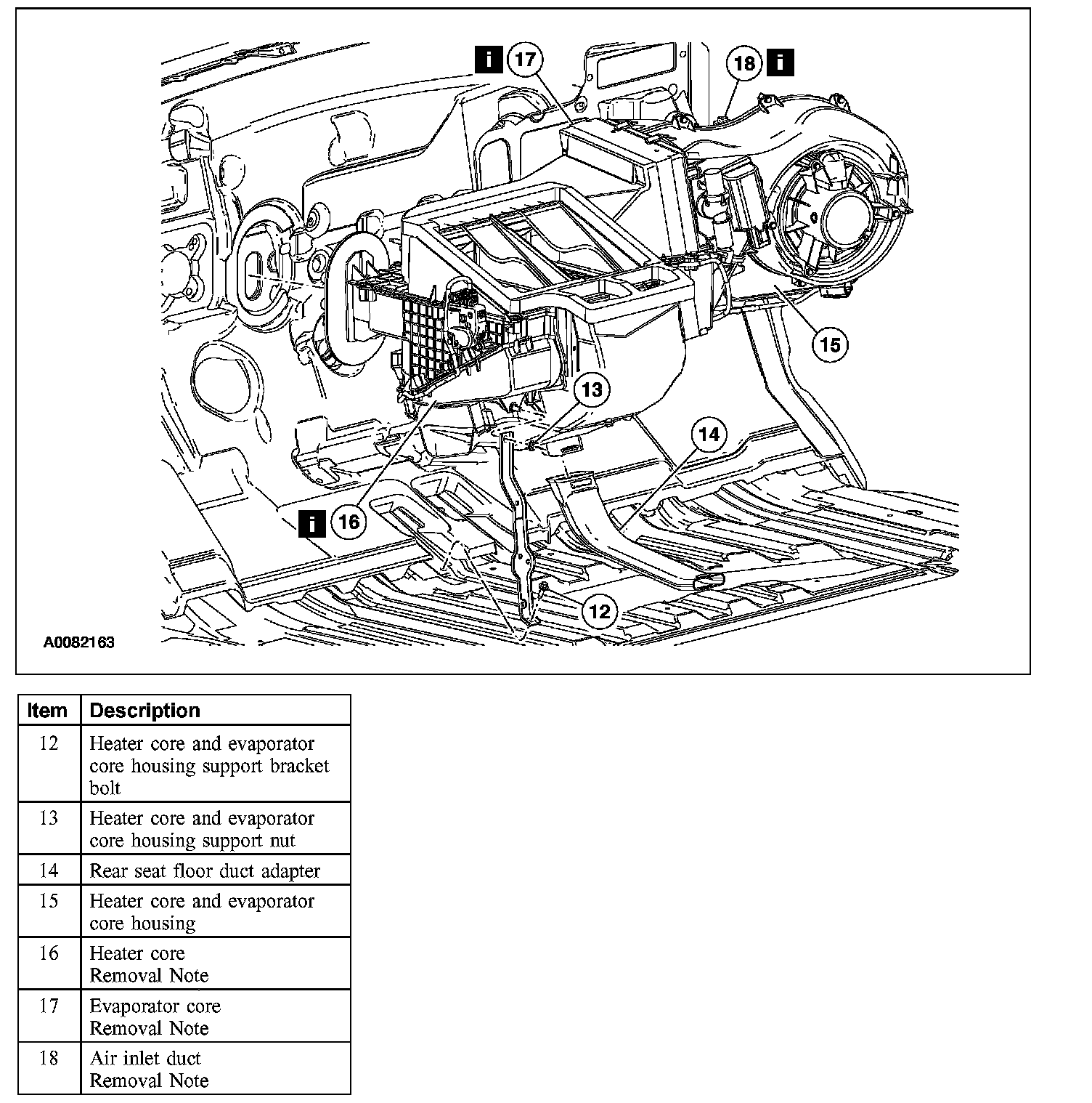
Heater Core Case: Service and Repair

HEATER CORE AND EVAPORATOR CORE HOUSING, ASSEMBLY AND COMPONENTS

REMOVAL

CAUTION: Refrigerant compressor oil (mineral oil) F73Z-19577-AA (Motorcraft YN-9-A) should be used to lubricate R-134a refrigerant system O-ring seals only and should not be added to the R-134a refrigerant system as an A/C compressor lubricant. PAG refrigerant compressor oil F7AZ-19D589-DA (Motorcraft YN-12-C) or equivalent meeting Ford specification WSH-M1C231-B only should be used as an A/C compressor lubricant.

NOTE:
- If removing the heater core only, refer to Heater Core - Front.
- New O-ring seals, lubricated in clean mineral oil, must be installed before reconnecting any A/C fitting that has been disconnected.
- Installation of a new suction accumulator is not required when repairing the air conditioning system, except when there is physical evidence of system contamination from a failed A/C compressor or damage to the suction accumulator.
- If an evaporator core leak is suspected, the evaporator core must be vacuum leak tested before it is removed from the vehicle.
- If a heater core leak is suspected, the heater core must be leak tested before it is removed from the vehicle.
- Lubricate the coolant hoses with plain water only if needed.

1. Recover the refrigerant.
2. Remove the wiper motor and pivot assembly.
3. Remove the instrument panel. Refer to: Body and Frame, Interior Trim, Dashboard/Instrument Panel, Service and Repair, Service and Repair

















4. Remove the parts in the order indicated in the illustrations and tables.

To remove individual parts, only carry out the listed steps.

Item 10: Heater Hose Removal Note
1. Clamp off and disconnect the heater hoses at the heater core.

Item 16: Heater Core Removal Note







1. Remove the five screws and the floor duct.







2. Remove the seven screws and the heater core cover.
- Detach the wire harness.

3. Remove the heater core.

Item 17: Evaporator Core Removal Note







1. Remove the eleven screws and the evaporator core cover.
2. Remove the dash panel seal and the evaporator core.

Item 18: Air Inlet Duct Removal Note







1. Remove the air inlet duct.
1 Disconnect the air inlet mode door actuator electrical connector.
2 Remove the four screws and the air inlet duct.

INSTALLATION
1. To install, reverse the removal procedure.
2. Lubricate the refrigerant system with the correct amount of clean PAG oil.
3. Fill the engine coolant level.
4. Evacuate, leak test and charge the refrigerant system.