Operation CHARM: Car repair manuals for everyone.
Manuals through 2025 now available!

Our trusted friends have launched a new website named LEMON, which has newer manuals. It also contains all the CHARM manuals.

LEMON is the spiritual successor to CHARM, I recommend you try it!

Link: lemon-manuals.la or lemon-manuals.org.ua

(Some people have issue connecting. LEMON is investigating. For now, use Firefox or change your DNS server)

Or, hide this message: temporarily or permanently

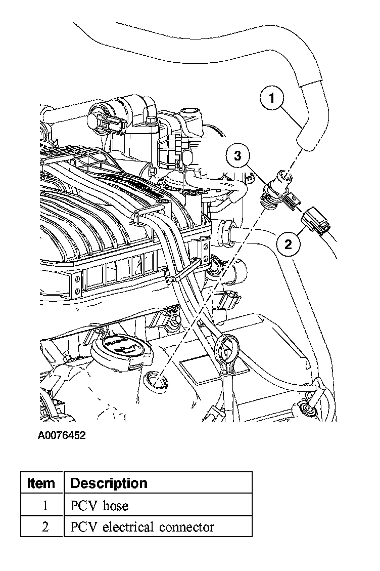
Positive Crankcase Ventilation: Service and Repair

Positive Crankcase Ventilation (PCV) Valve

Part 1 Of 2:




Part 2 Of 2:





1. Remove the parts in the order indicated in the illustration and table.
2. To install, reverse the removal procedure.

Item 3: PCV Valve Removal Note
1. Rotate the PCV valve counterclockwise to remove from the valve cover.