Operation CHARM: Car repair manuals for everyone.
Manuals through 2025 now available!

Our trusted friends have launched a new website named LEMON, which has newer manuals. It also contains all the CHARM manuals.

LEMON is the spiritual successor to CHARM, I recommend you try it!

Link: lemon-manuals.la or lemon-manuals.org.ua

(Some people have issue connecting. LEMON is investigating. For now, use Firefox or change your DNS server)

Or, hide this message: temporarily or permanently

Basic Principles

CLIMATE CONTROL SYSTEM

WARNING:
- To avoid accidental deployment and possible injury, the air bag system backup power supply must be depleted before repairing any climate control components. To deplete the backup power supply, disconnect the battery ground cable and wait one minute. Failure to follow these instructions may result in personal injury.
- Carbon monoxide is colorless, odorless and dangerous. If it is necessary to operate the engine with the vehicle in a closed area such as a garage, always use an exhaust collector to vent the exhaust gases outside the closed area.
- R-134a is classified as a safe refrigerant, but misuse can make it dangerous. The following precautions must be observed:
- Always wear safety goggles when repairing an air conditioning system.
- Avoid contact with liquid refrigerant R-134a. R-134a vaporizes at approximately -25°C (-13°F) under atmospheric pressure and it will freeze skin tissue.
- Never allow refrigerant R-134a gas to escape in quantity in an occupied space. R-134a is non-toxic, but it will displace the oxygen needed to support life.
- Never use a torch in an atmosphere containing R-134a gas. R-134a is non-toxic at all normal conditions, but when it is exposed to high temperatures, such as a torch flame, it decomposes. During decomposition it releases irritation and toxic gases (as described in the MSDS sheet from the manufacturer). Decomposition products are hydrofluoric acid, carbon dioxide and water.
- Do not allow any portion of the charged air conditioning system to become too hot. The pressure in an air conditioning system rises as the temperature rises and temperatures of approximately 85°C (185°F) can be dangerous.
- Allow the engine to cool sufficiently prior to carrying out maintenance or serious burns and injury can occur.


CAUTION:
- To avoid damaging the vehicle or A/C components, the following precautions must be observed:
- The A/C refrigerant of all vehicles must be identified and analyzed prior to refrigerant charging. Failure to due so can contaminate the shop bulk refrigerant and other vehicles.
- Do not add R-12 refrigerant to an A/C system that requires the use of R-134a refrigerant. These two types of refrigerant must never be mixed. Doing so can damage the A/C system.
- Charge the A/C system with the engine running only at the low-pressure side to prevent refrigerant slugging from damaging the A/C compressor.
- Use only R-134a refrigerant. Due to environmental concerns, when the air conditioning system is drained, the refrigerant must be collected using refrigerant recovery/recycling equipment. Federal law REQUIRES that R-134a be recovered into appropriate recovery equipment and the process be conducted by qualified technicians who have been certified by an approved organization, such as MACS, ASI etc. Use of a recovery machine dedicated to R-134a is necessary to reduce the possibility of oil and refrigerant incompatibility concerns. Refer to the instructions provided by the equipment manufacturer when removing refrigerant from or charging the air conditioning system.
- Refrigerant R-134a must not be mixed with air for leak testing or used with air for any other purpose above atmospheric pressure. R-134a is combustible when mixed with high concentrations of air and higher pressures.
- A number of manufacturers are producing alternative refrigerant products that are designed to be used instead of R-134a refrigerant. The use of any unauthorized substitute refrigerant can severely damage the A/C components. If repair is required, use only new or recycled refrigerant R-134a.

- To avoid contamination of the A/C system, always observe the following:
- Keep service tools and the work area clean.
- Never open or loosen a connection before discharging the system.
- When loosening a connection, if any residual pressure is evident, allow it to leak out before opening the fitting.
- Evacuate a system that has been opened to install a new component or one that has been discharged through leakage before charging.
- Seal an open fitting with a cap or plug immediately after disconnecting a component from the system.
- Clean the outside of the fittings thoroughly before disconnecting a component from the system.
- Do not remove the sealing caps from a new component until ready to install.
- Refrigerant oil will absorb moisture from the atmosphere if left uncapped. Do not open an oil container until ready to use, and install the cap immediately after using. Store the oil in a clean, moisture-free container.
- Install a new O-ring seal before connecting an open fitting. Coat the fitting and the O-ring seal with refrigerant oil before connecting.
- When installing a refrigerant line, avoid sharp bends. Position the line away from the exhaust or any sharp edges that can chafe the line.
- Do not open a refrigerant system or uncap a new component unless it is as close as possible to room temperature. This will prevent condensation from forming inside a component that is cooler than the surrounding air.


The manual climate control system heats or cools the vehicle depending on the function selector switch position and the temperature selected.
- The function selector switch position determines heating or cooling and air distribution.
- The temperature control setting determines the air temperature.
- The heater blower motor switch varies the blower motor speed.

PRINCIPLES OF OPERATION

There are four main principles involved with the basic theory of operation:
- heat transfer
- latent heat of vaporization
- relative humidity
- effects of pressure

Heat Transfer
If two substances of different temperature are placed near each other, the heat in the warmer substance will transfer to the colder substance.

Latent Heat of Vaporization
When a liquid boils (converts to a gas), it absorbs heat without raising the temperature of the resulting gas. When the gas condenses (reverts back to a liquid), it gives off heat without lowering the temperature of the resulting liquid.

Relative Humidity
The amount of moisture (water vapor content) that the air can hold is directly related to the air temperature. The more heat there is in the air, the more moisture the air can hold. The lower the moisture content in the air, the more comfortable you feel. Removing moisture from the air lowers its relative humidity and improves personal comfort.

Effects of Pressure on Boiling or Condensation
As the pressure is increased on a liquid, the temperature at which the liquid boils (converts to a gas) also increases. Conversely, when the pressure on a liquid is reduced, its boiling point is also reduced. When in the gas state, an increase in pressure causes an increase in temperature, while a decrease in pressure will decrease the temperature of the gas.

Compressor Anti-Slugging Strategy
Liquid refrigerant may accumulate in the A/C compressor under certain conditions. To alleviate damage to the A/C compressor, compressor anti-slugging strategy (CASS) is utilized.

CASS is initiated only under specific conditions:
- the ignition is off for more than 8 hours
- the ambient temperature is above -4°C (25°F)
- battery voltage is above 8.5 volts during engine cranking

When these conditions are present, the powertrain control module (PCM) will activate the A/C control relay prior to cranking of the engine. The A/C control relay engages the A/C compressor for approximately 4-15 A/C compressor revolutions or a maximum of 2 seconds (depending upon vehicle application), allowing the liquid refrigerant to be pushed from the A/C compressor. CASS is initiated by the PCM regardless of the function selector switch position or the EATC system settings.


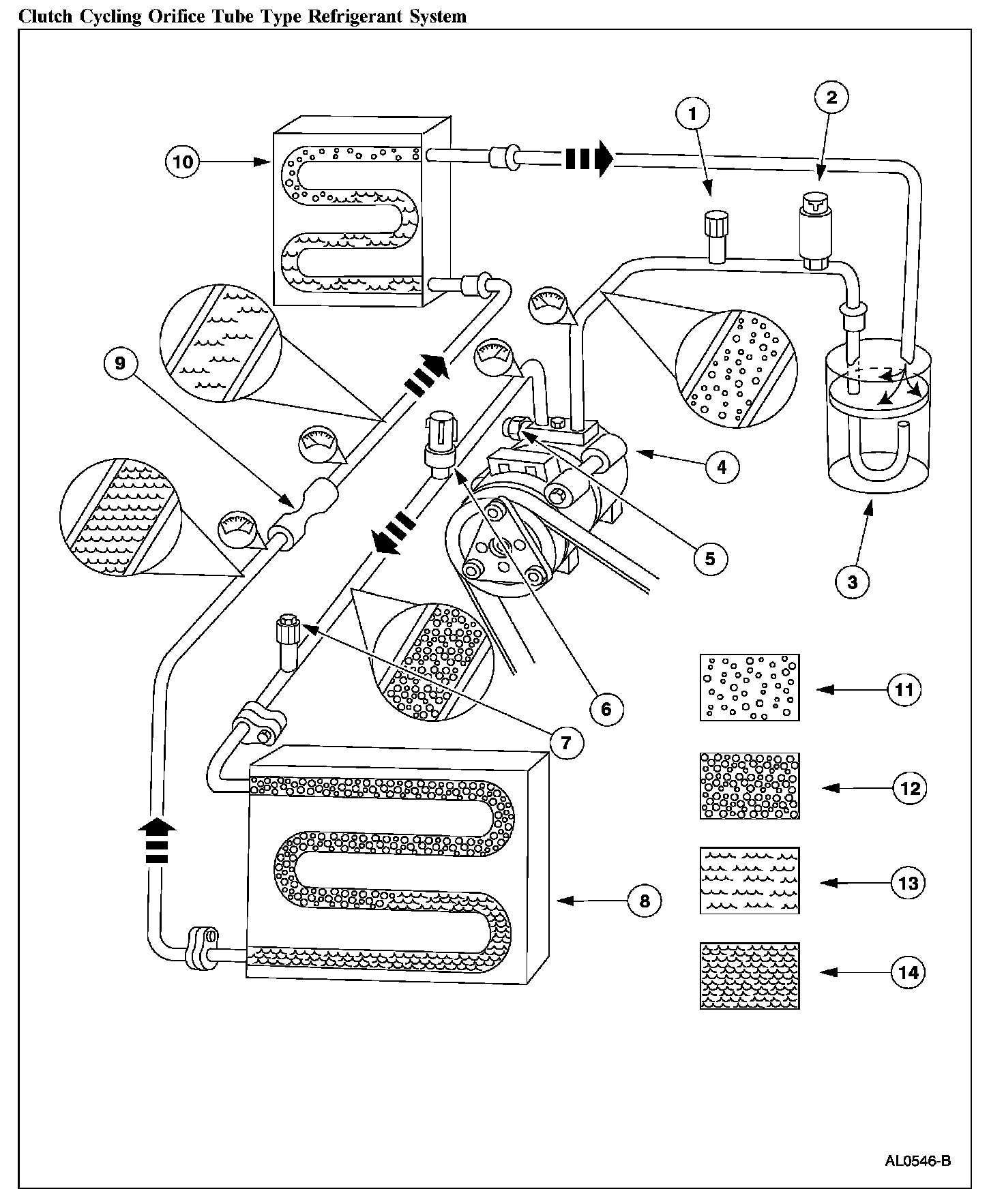
Clutch Cycling Orifice Tube Type Refrigerant System, Part 1:






Clutch Cycling Orifice Tube Type Refrigerant System, Part 2:






THE REFRIGERANT CYCLE
During stabilized conditions (air conditioning system shut down), the refrigerant is in a vaporized state and pressures are equal throughout the system. When the A/C compressor is in operation, it increases pressure on the refrigerant vapor, raising its temperature. The high-pressure and high-temperature vapor is then released into the top of the A/C condenser core.

The A/C condenser core, being close to ambient temperature, causes the refrigerant vapor to condense into a liquid when heat is removed from the refrigerant by ambient air passing over the fins and tubing. The now liquid refrigerant, still at high pressure, exits from the bottom of the A/C condenser core and enters the inlet side of the A/C evaporator core orifice.

The A/C evaporator core orifice is the restriction in the refrigerant system that creates the high pressure buildup upstream of the A/C evaporator core and separates the high and low pressure sides of the A/C system. As the liquid refrigerant leaves this restriction, its pressure and boiling point are reduced.

The liquid refrigerant is now at its lowest pressure and temperature. As it passes through the A/C evaporator core, it absorbs heat from the passenger compartment airflow passing over the plate/fin sections of the A/C evaporator core. This addition of heat causes the refrigerant to boil (convert to a gas). The now cooler passenger compartment air no longer support the same humidity level of the warmer air and this excess moisture condenses on the exterior of the evaporator coils and fins and drains outside the vehicle.

The suction accumulator/drier is designed to remove moisture from the refrigerant and to prevent any liquid refrigerant that may not have been vaporized in the A/C evaporator core from reaching the A/C compressor. The A/C compressor is designed to pump refrigerant vapor only, as liquid refrigerant will not compress and can damage the A/C compressor.

The refrigerant cycle is now repeated with the A/ compressor again increasing the pressure and temperature of the refrigerant.

The A/C cycling switch interrupts compressor operation before the external temperature of the A/C evaporator core gets low enough to cause the condensed water vapor (excess humidity) to turn to ice. It does this by monitoring low side line pressure. It is known that a refrigerant pressure of approximately 210 kPa (30 psi) will yield an operating temperature of 0°C (32°F). The A/C cycling switch controls system operation in an effort to maintain this temperature.

The high side line pressure is also monitored so that the A/C compressor operation can be interrupted system pressure becomes too high.

The A/C compressor pressure relief valve will open and vent refrigerant to relieve unusually high system pressure.