Operation CHARM: Car repair manuals for everyone.
Manuals through 2025 now available!

Our trusted friends have launched a new website named LEMON, which has newer manuals. It also contains all the CHARM manuals.

LEMON is the spiritual successor to CHARM, I recommend you try it!

Link: lemon-manuals.la or lemon-manuals.org.ua

(Some people have issue connecting. LEMON is investigating. For now, use Firefox or change your DNS server)

Or, hide this message: temporarily or permanently

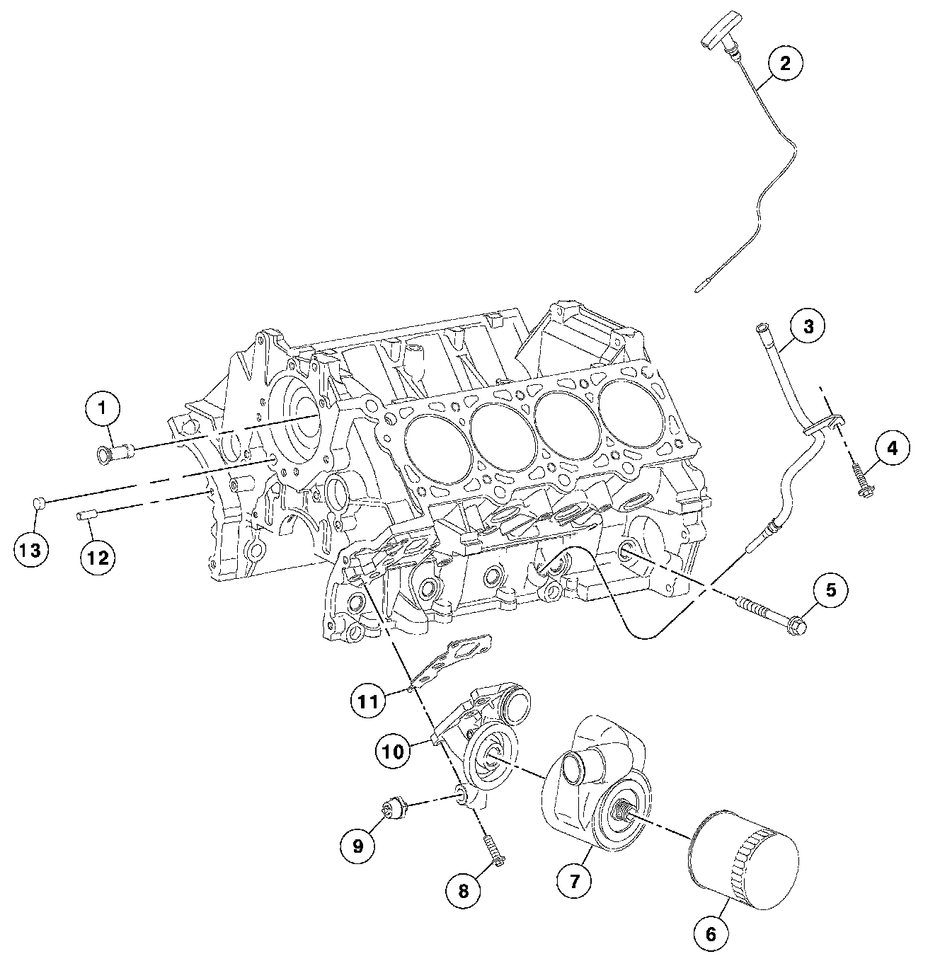
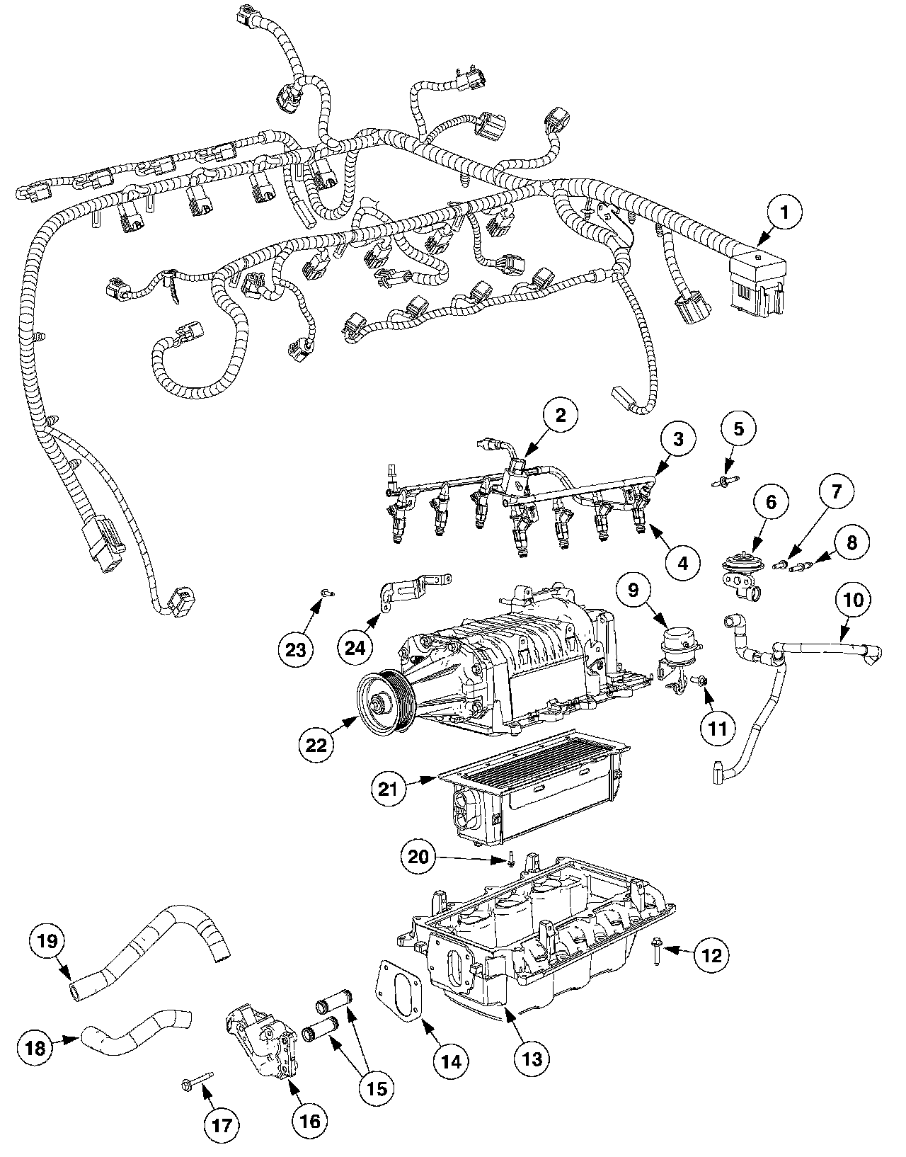
Engine

Part 1 Of 20:



Part 2 Of 20:



Part 3 Of 20:



Part 4 Of 20:



Part 5 Of 20:



Part 6 Of 20:



Part 7 Of 20:



Part 8 Of 20:



Part 9 Of 20:



Part 10 Of 20:



Part 11 Of 20:



Part 12 Of 20:



Part 13 Of 20:



Part 14 Of 20:



Part 15 Of 20:



Part 16 Of 20:



Part 17 Of 20:



Part 18 Of 20:



Part 19 Of 20:



Part 2 Of 20: