Operation CHARM: Car repair manuals for everyone.
Manuals through 2025 now available!

Our trusted friends have launched a new website named LEMON, which has newer manuals. It also contains all the CHARM manuals.

LEMON is the spiritual successor to CHARM, I recommend you try it!

Link: lemon-manuals.la or lemon-manuals.org.ua

(Some people have issue connecting. LEMON is investigating. For now, use Firefox or change your DNS server)

Or, hide this message: temporarily or permanently

System Diagram

Step 1-4:




Step 5-10:




Step 11-16:




Step 17-27:




Step 28-33:




Step 34-36:




Step 37-44:




Step 45-51:




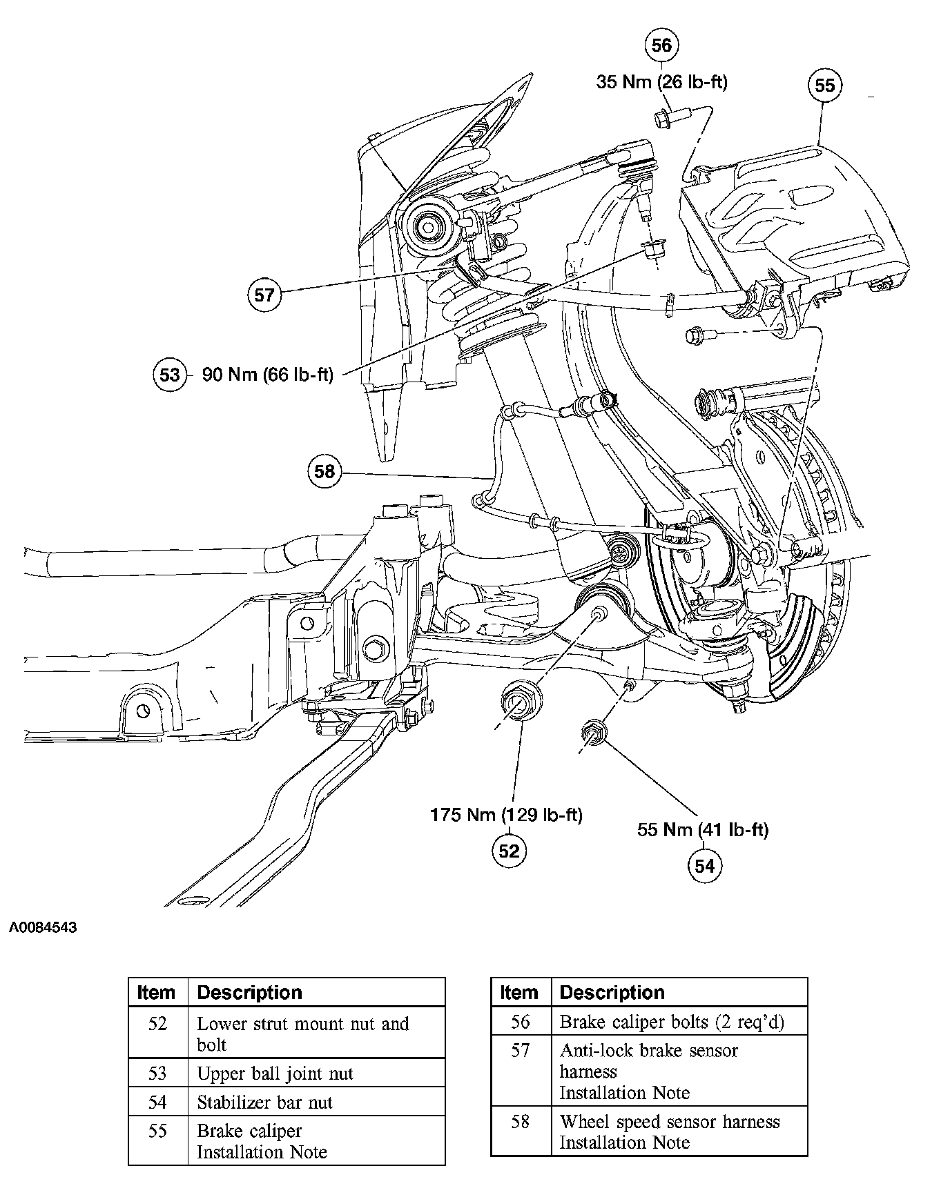
Step 52-58:




Step 59-65:




Step 66-80:




Step 81-84:




Step 85-87:




Step 88-89:







Step 90-94:







Step 95-97:





Engine