Operation CHARM: Car repair manuals for everyone.
Manuals through 2025 now available!

Our trusted friends have launched a new website named LEMON, which has newer manuals. It also contains all the CHARM manuals.

LEMON is the spiritual successor to CHARM, I recommend you try it!

Link: lemon-manuals.la or lemon-manuals.org.ua

(Some people have issue connecting. LEMON is investigating. For now, use Firefox or change your DNS server)

Or, hide this message: temporarily or permanently

Intake Manifold: Service and Repair

Intake Manifold





Material

1. Disconnect the battery ground cable.
2. Remove the air cleaner outlet tube.

3. CAUTION: The coolant drain procedure must be followed exactly or damage to the engine can occur.

Drain the engine cooling system.

4. Remove the cowl vent screen.





5. Remove the engine compartment brace.
6. Disconnect the fuel line.
7. Remove the Exhaust Gas Recirculation (EGR) system module.





8. Illustration 1 of 4. Remove the components in the order indicated in the illustration and table.





9. Illustration 2 of 4. Remove the components in the order indicated in the illustration and table.





10. Illustration 3 of 4. Remove the components in the order indicated in the illustration and table.








11. Illustration 4 of 4. Remove the components in the order indicated in the illustration and table.
12. To install, reverse the removal procedure.

Items 7 and 9: Engine Appearance Cover Support Bracket Removal Note





1. NOTE: LH is shown, RH is similar.

Disconnect the engine wiring harness retainers from the engine appearance cover support bracket.

Item 11: Fuel Charge Manifold Removal Note





1. NOTE: LH is shown, RH is similar.

Disconnect the fuel injector and RFI suppressor electrical connectors





2. Remove the nuts and the engine wiring harness retainer and position aside.





3. NOTE: RH is shown, LH is similar.

Remove the nut and the RFI suppressor.

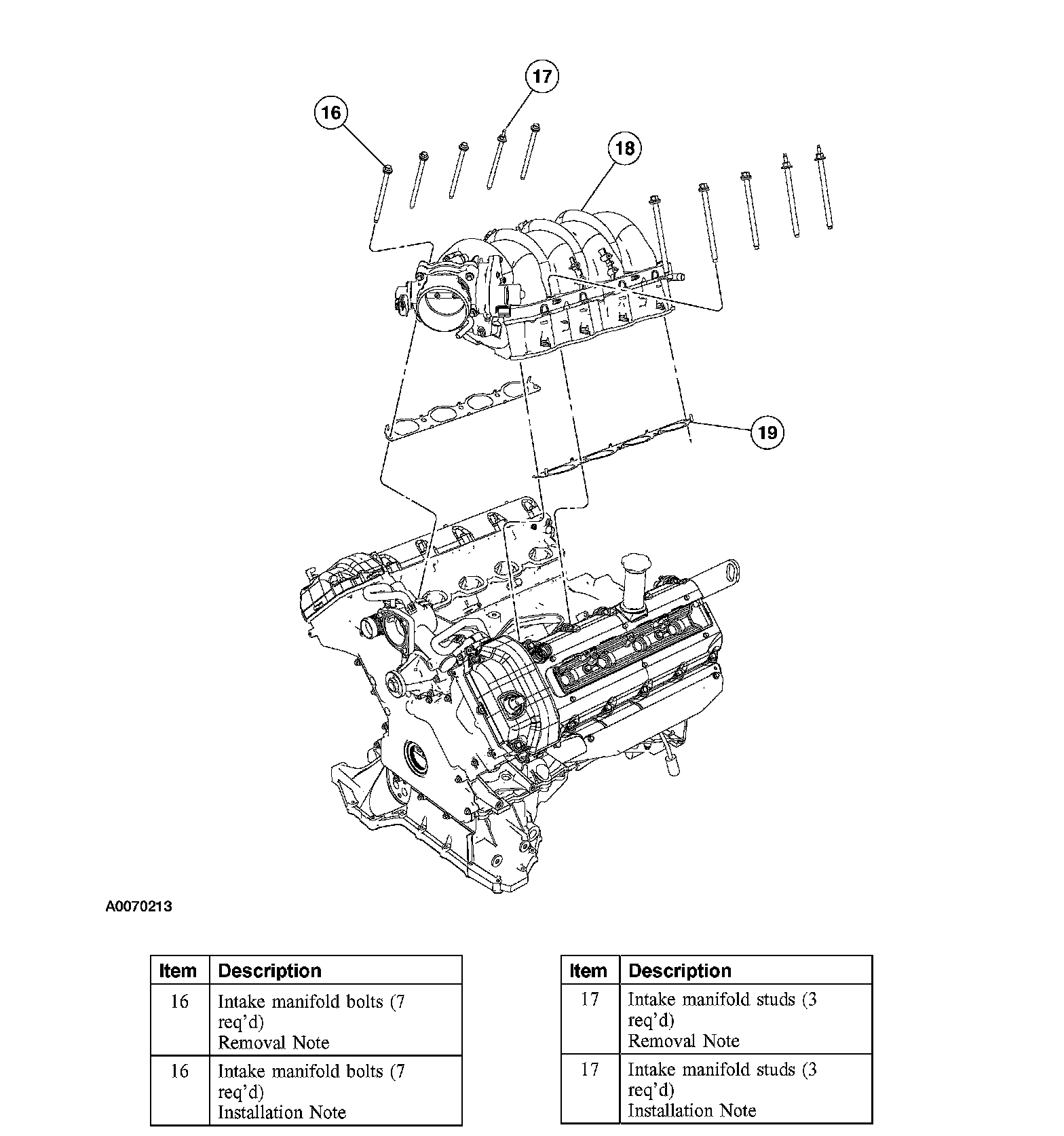
Items 16, 17, and 18: Intake Manifold Removal Note





1. Disconnect the throttle body heater hose.





2. NOTE: The throttle body and adapter are shown removed for clarity. It is not necessary to remove the throttle body and adapter to remove the intake manifold.

Remove the bolts and studs in the sequence shown.
3. Remove the intake manifold.





4. CAUTION: Do not use metal scrapers, wire brushes, power abrasive discs, or other abrasive means to clean the sealing surfaces. These tools cause scratches and gouges, which make leak paths. Use a plastic scraping tool to clean the surfaces.

Clean the sealing surfaces.

Items 16, 17, and 18: Intake Manifold Installation Note
1. Install new intake manifold gaskets.





2. NOTE: The throttle body and adapter are shown removed for clarity. It is not necessary to remove the throttle body and adapter to remove the intake manifold.

Install the intake manifold and tighten the bolts in the sequence shown.





3. Connect the throttle body heater hose.

Item 11: Fuel Charge Manifold Installation Note





1. NOTE: RH is shown, LH is similar.

Install the RFI suppressor and the nut.





2. Install the engine wiring harness retainer and the nuts.





3. NOTE: LH is shown, RH is similar.

Connect the fuel injector and RFI suppressor electrical connectors

Item 7 and 9: Engine Appearance Cover Support Bracket Installation Note





1. NOTE: LH is shown, RH is similar.

Connect the engine wiring harness retainers to the engine appearance cover support bracket.