Operation CHARM: Car repair manuals for everyone.
Manuals through 2025 now available!

Our trusted friends have launched a new website named LEMON, which has newer manuals. It also contains all the CHARM manuals.

LEMON is the spiritual successor to CHARM, I recommend you try it!

Link: lemon-manuals.la or lemon-manuals.org.ua

(Some people have issue connecting. LEMON is investigating. For now, use Firefox or change your DNS server)

Or, hide this message: temporarily or permanently

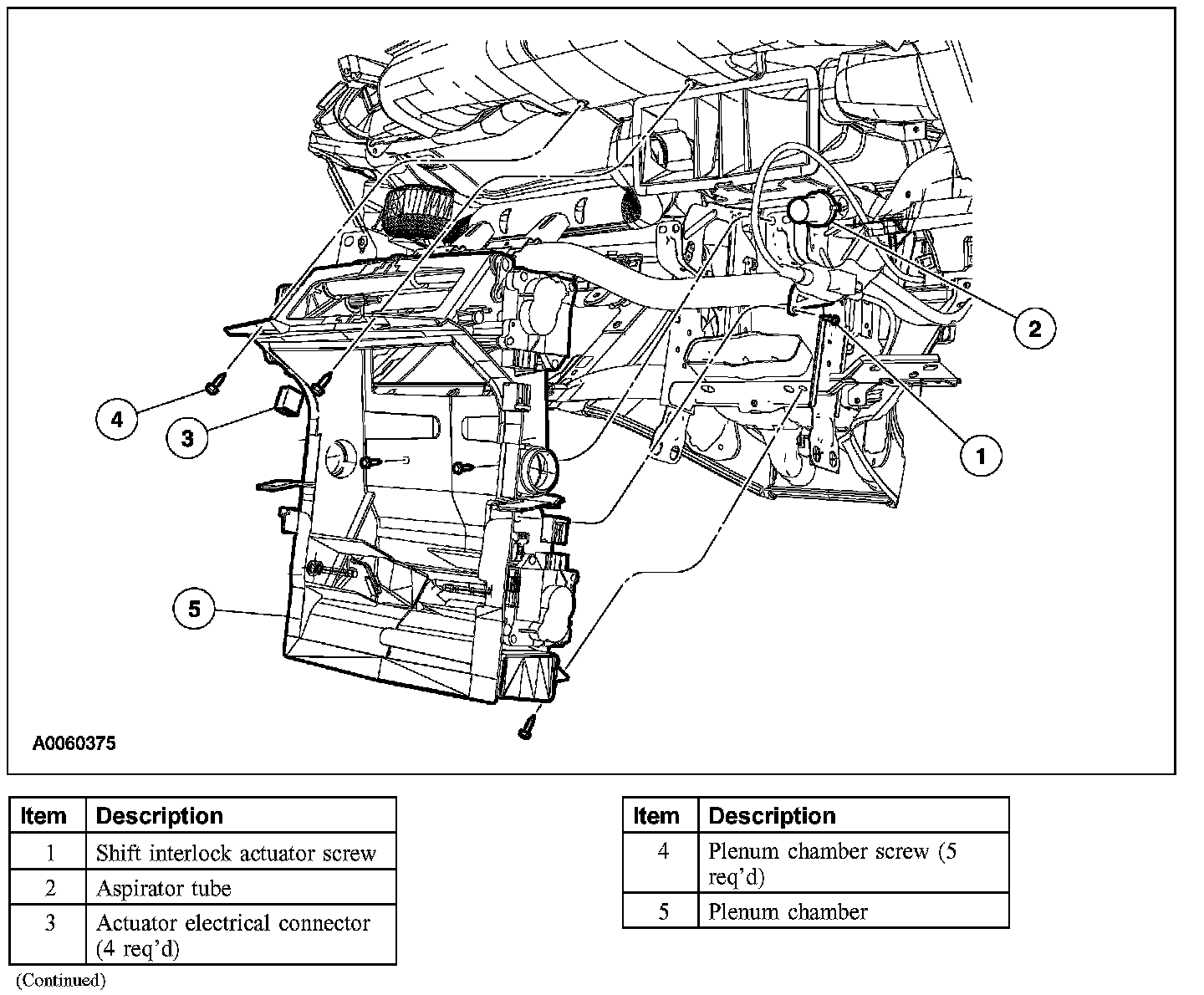
Housing Assembly HVAC: Service and Repair



PLENUM CHAMBER, ASSEMBLY AND COMPONENTS

REMOVAL
1. Remove the instrument panel. For additional information, refer to: Dashboard/Instrument Panel. Service and Repair







2. Remove the components in the order indicated in the illustration and table.

INSTALLATION
1. To install, reverse the removal procedure.