Operation CHARM: Car repair manuals for everyone.
Manuals through 2025 now available!

Our trusted friends have launched a new website named LEMON, which has newer manuals. It also contains all the CHARM manuals.

LEMON is the spiritual successor to CHARM, I recommend you try it!

Link: lemon-manuals.la or lemon-manuals.org.ua

(Some people have issue connecting. LEMON is investigating. For now, use Firefox or change your DNS server)

Or, hide this message: temporarily or permanently

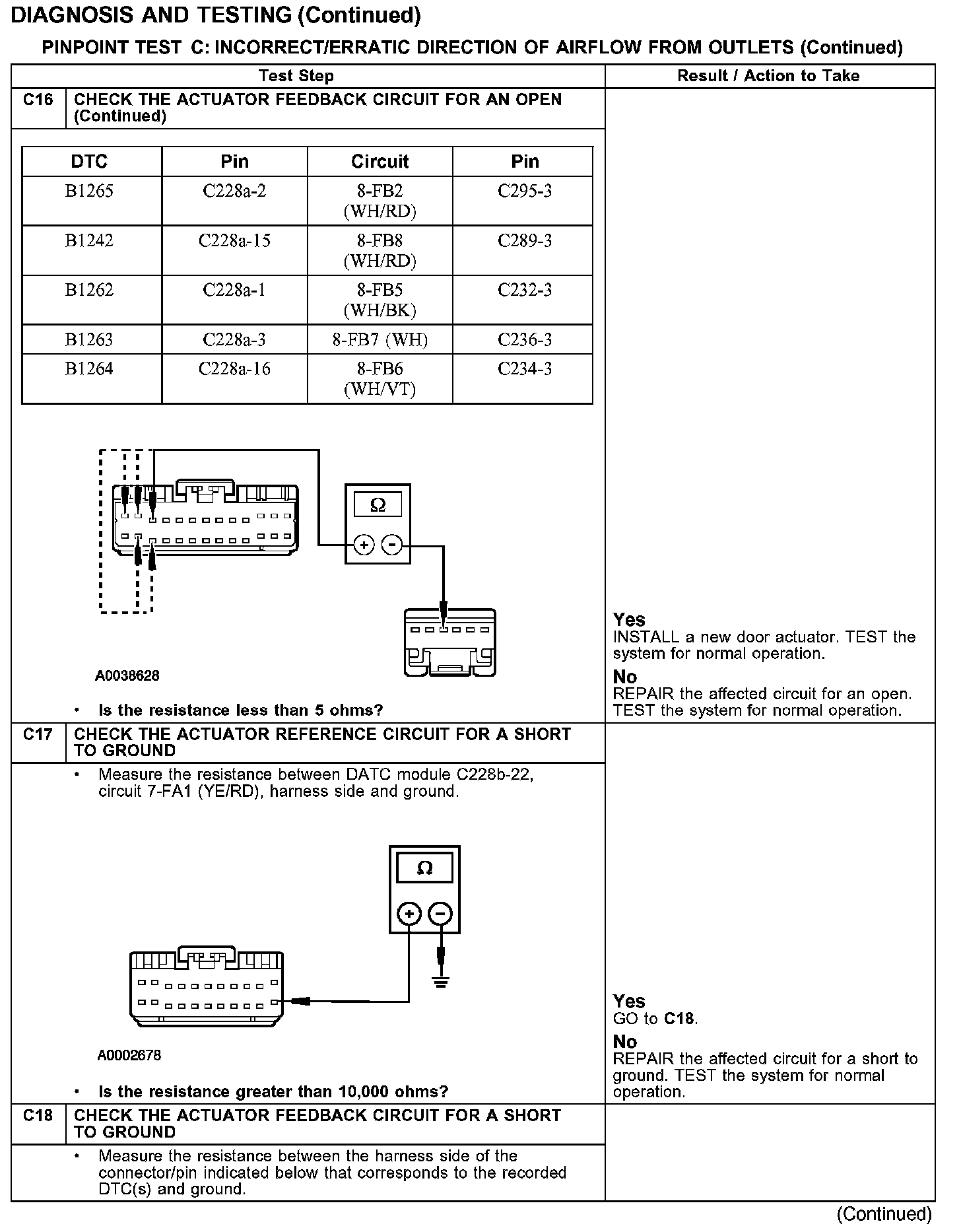
Test C

PINPOINT TEST C: INCORRECT/ERRATIC DIRECTION OF AIRFLOW FROM OUTLETS


Test C1-C2:






Test C3:






Test C3-C4:






Test C4 Continued:






Test C4-C5:






Test C5-C6:






Test C7-C8:






Test C8-C9:






Test C9-C10:






Test C10-C11:






Test C11-C12:






Test C12-C13:






Test C13-C14:






Test C14-C15:






Test C15-C16:






Test C16-C18:






Test C18-C20:






Test C20-C21:






Test C22-C23:






Test C23-C24:






Test C24 Continued:






Normal Operation
Under normal operation, to open the mode doors, the DATC module supplies voltage to the cold air bypass, air inlet, defrost, panel mode and floor mode door actuator motors through the door actuator open circuits, and supplies ground through the door actuator close circuits. To close the mode doors, the DATC module reverses the voltage and ground circuits.

The mode door actuator feedback resistors are supplied a ground from the DATC module by the mode door actuator return circuits and a 5-volt reference voltage on the mode door actuator reference circuits. The DATC module reads the voltage on the mode door actuator feedback circuits to determine the mode door actuator position by the position of the actuator feedback resistor wiper arm.

Door actuator open circuits
- Cold air bypass - 32-FB2 (WH/RD)
- Air inlet - 32-FB8 (WH/RD)
- Defrost - 32-FB5 (WH/BK)
- Panel mode - 32-FB7 (WH)
- Floor mode - 32-FB6 (WH/VT)

Door actuator close circuits
- Cold air bypass - 33-FB2 (YE/RD)
- Air inlet - 33-FB8 (YE/RD)
- Defrost - 33-FB5 (YE/BK)
- Panel mode - 33-FB7 (YE)
- Floor mode - 33-FB6 (YE/VT)

Door actuator return circuits
- Cold air bypass - 9-FB2 (BN/RD)
- Air inlet - 9-FB8 (BN/RD)
- Defrost - 9-FB5 (BN/YE)
- Panel mode - 9-FB7 (BN)
- Floor mode - 9-FB6 (BN/WH)

Door actuator reference circuits
- Cold air bypass - 7-FB2 (YE/RD)
- Air inlet - 7-FB8 (YE/RD)
- Defrost - 7-FB5 (YE/BK)
- Panel mode - 7-FB7 (YE)
- Floor mode - 7-FB6 (YE/VT)

Door actuator feedback circuits
- Cold air bypass - 8-FB2 (WH/RD)
- Air inlet - 8-FB8 (WH/RD)
- Defrost - 8-FB5 (WH/BK)
- Panel mode - 8-FB7 (WH)
- Floor mode - 8-FB6 (WH/VT)

Possible Causes
- An open, short to voltage, ground or together in door actuator open, close, return, reference or feedback circuits.
- Cold air bypass, air inlet, defrost, panel mode and floor mode door actuator motor.
- DATC module.
- Stuck or bound linkage or door.