Operation CHARM: Car repair manuals for everyone.
Manuals through 2025 now available!

Our trusted friends have launched a new website named LEMON, which has newer manuals. It also contains all the CHARM manuals.

LEMON is the spiritual successor to CHARM, I recommend you try it!

Link: lemon-manuals.la or lemon-manuals.org.ua

(Some people have issue connecting. LEMON is investigating. For now, use Firefox or change your DNS server)

Or, hide this message: temporarily or permanently

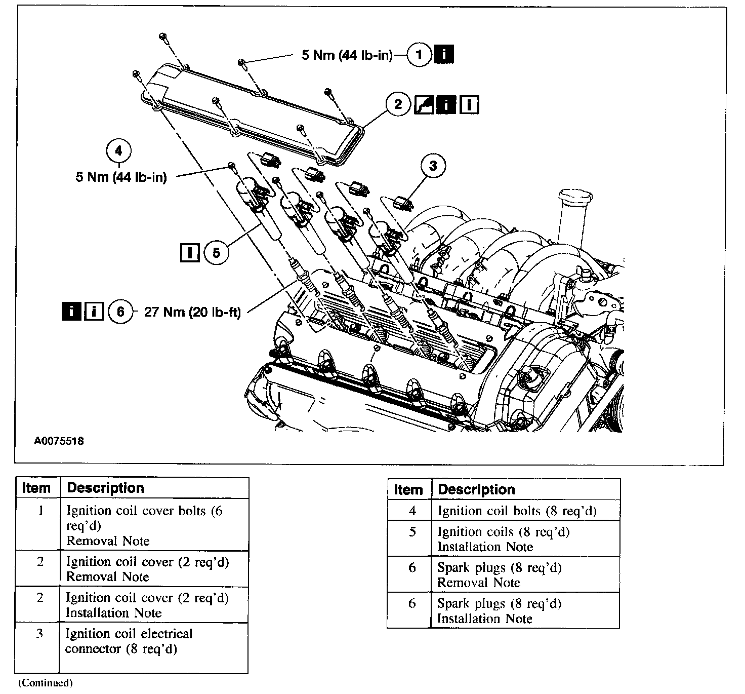
Spark Plug: Service and Repair

IGNITION COIL-ON-PLUG AND SPARK PLUG

REMOVAL












1. Remove the components in the order indicated in the illustration and table. To remove individual components, only carry out the listed steps.

Item 1: Ignition Coil Cover Bolts Removal Note

NOTE: When removing the LH side ignition coil cover bolts, the evaporative emission canister purge valve must be positioned aside as follows.







1. Remove the EVAP canister purge valve cover.







2. Remove the EVAP canister purge valve bracket nuts and position the valve assembly aside.

Item 2: Ignition Coil Cover Removal Note







1. Remove all silicone sealer and residue from the coil cover.







2. Remove all silicone sealer and residue from the valve cover surface and ignition coil wiring harness.

Item 6: Spark Plug Removal Note
1. Use compressed air to remove any foreign material from the spark plug well before removing the spark plugs.

INSTALLATION
1. To install, reverse the removal procedure.

Item 6: Spark Plug Installation Note







1. Inspect the spark plugs and adjust the spark plug gap as necessary.

Item 5: Ignition Coil Installation Note
1. Apply silicone dielectric compound to the inside of the ignition coil boots before installing.

Item 2: Ignition Coil Cover Installation Note







1. NOTE: Remove all dirt and moisture from the valve cover before applying silicone sealer.

Lift up the wire harness and apply a 12.7 mm (0.5 in) bead of silicone sealer in the notch of the valve cover.







2. Set the ignition coil harness in the bead of silicone sealer and apply enough additional sealer to surround the wire harness and notch.







3. Install the coil cover.