Operation CHARM: Car repair manuals for everyone.
Manuals through 2025 now available!

Our trusted friends have launched a new website named LEMON, which has newer manuals. It also contains all the CHARM manuals.

LEMON is the spiritual successor to CHARM, I recommend you try it!

Link: lemon-manuals.la or lemon-manuals.org.ua

(Some people have issue connecting. LEMON is investigating. For now, use Firefox or change your DNS server)

Or, hide this message: temporarily or permanently

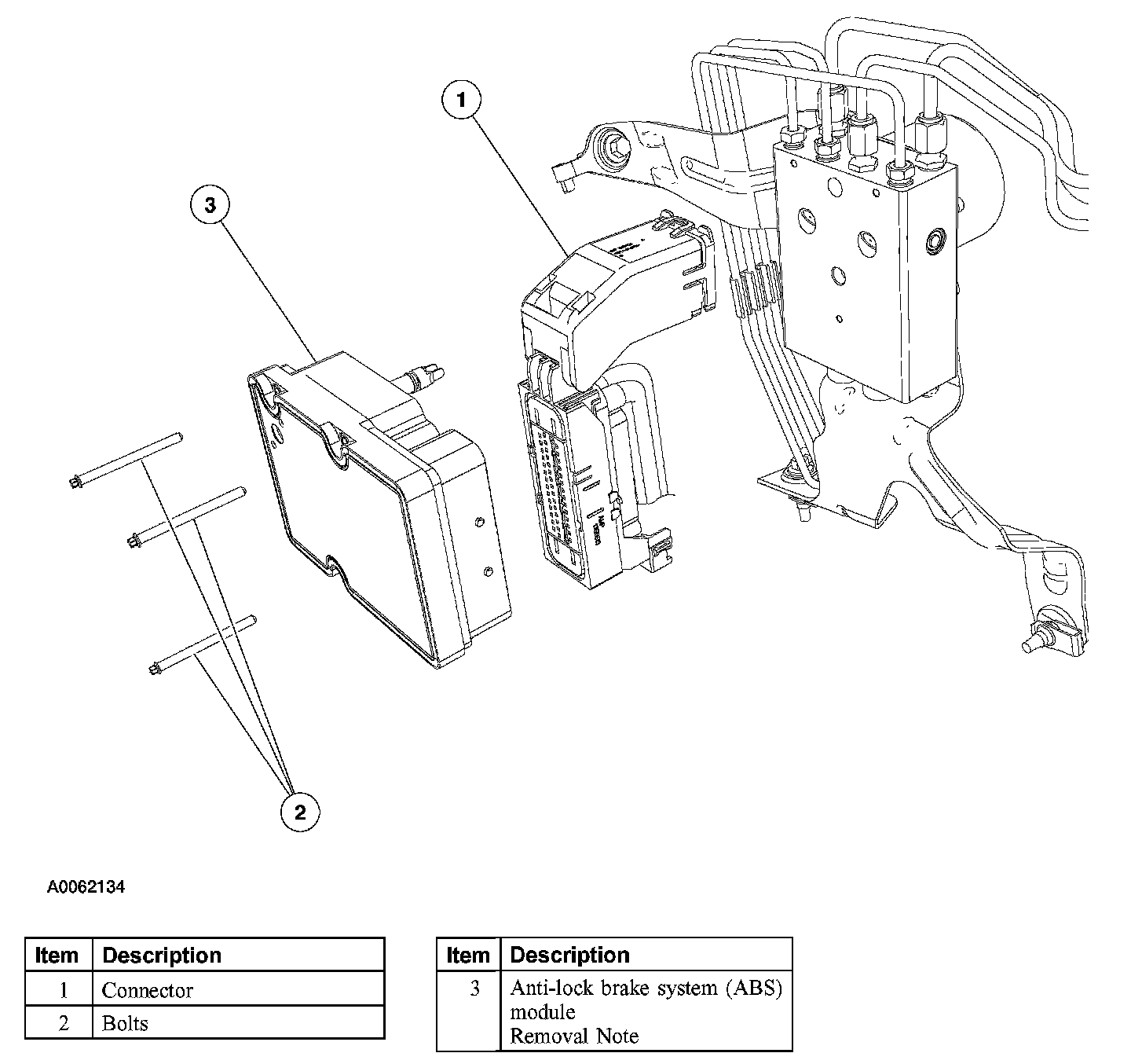
Electronic Brake Control Module: Service and Repair

Anti-Lock Brake System (ABS) Module
1. Disconnect the battery.

Part 1 Of 2:




Part 2 Of 2:





2. Remove the parts in the order indicated in the above illustration and table.
3. To install, reverse the removal procedure.

Item 3: Anti-Lock Brake System (ABS) Module

Removal Note





1. Position the battery junction box (BJB) aside.
1. Release the clips.
2. Position the BJB aside.

Item 3: Anti-Lock Brake System (ABS) Module Installation Note
1. Use the diagnostic tool to reconfigure the ABS module.