Operation CHARM: Car repair manuals for everyone.
Manuals through 2025 now available!

Our trusted friends have launched a new website named LEMON, which has newer manuals. It also contains all the CHARM manuals.

LEMON is the spiritual successor to CHARM, I recommend you try it!

Link: lemon-manuals.la or lemon-manuals.org.ua

(Some people have issue connecting. LEMON is investigating. For now, use Firefox or change your DNS server)

Or, hide this message: temporarily or permanently

Battery

BATTERY

WARNING:
- Batteries normally produce explosive gases which can cause personal injury. Therefore, do not allow flames, sparks or lighted substances to come near the battery. When charging or working near a battery, always shield your face and protect your eyes. Always provide ventilation. Failure to follow these instructions may result in personal injury.
- Keep out of the reach of children. Batteries contain sulfuric acid. Avoid contact with skin, eyes or clothing. Also, shield your eyes when working near the battery to protect against possible splashing of the acid solution. In case of acid contact with the skin or eyes, flush immediately with water for a minimum of 15 minutes and get prompt medical attention. If acid is swallowed, call a physician immediately. Failure to follow these instructions may result in personal injury.
- When lifting a battery, excessive pressure on the end walls could cause acid to spew through the vent caps, resulting in personal injury. Lift with a battery carrier or with your hands on opposite corners. Failure to follow these instructions may result in personal injury.


REMOVAL
1. Disconnect the battery.







2. To remove individual components, only carry out the listed steps.


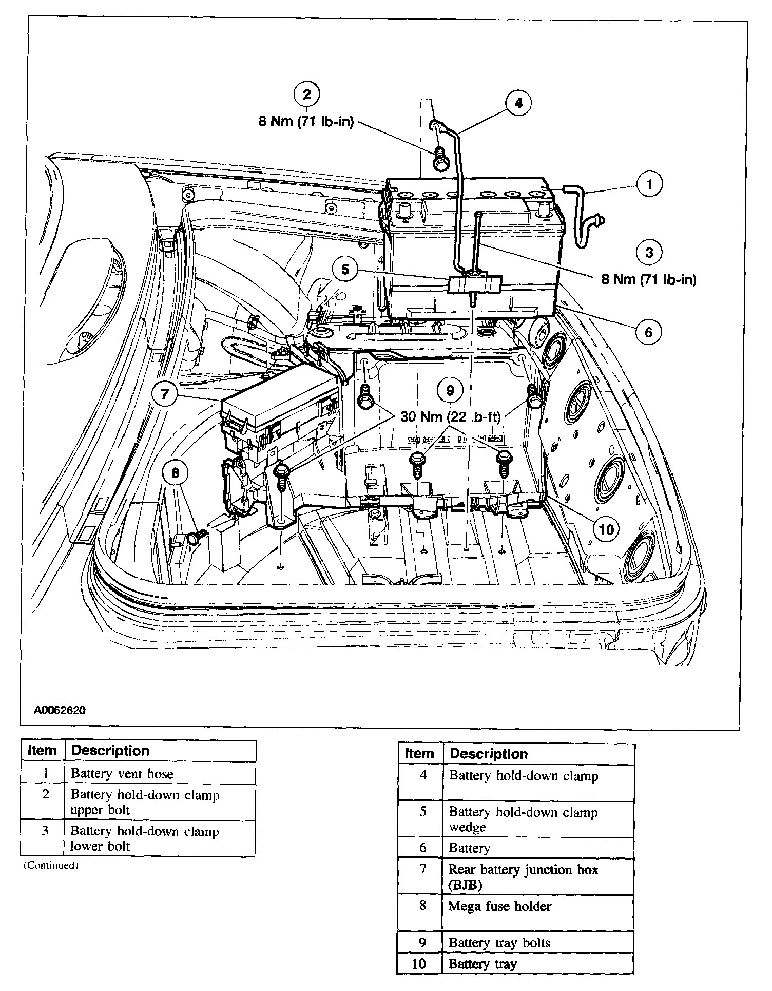
View 1 Of 4:






3. View 1 of 4. Remove the components in the order indicated in the illustration and table.


View 2 Of 4:






4. View 2 of 4. Remove the components in the order indicated in the illustration and table.


View 3 Of 4:






5. View 3 of 4. Remove the components in the order indicated in the illustration and table.


View 4 Of 4:






6. View 4 of 4 Remove the components in the order indicated in the illustration and table.

Item 25: Nut Removal Note
1. Remove the generator.

INSTALLATION
1. To install, reverse the removal procedure.