Operation CHARM: Car repair manuals for everyone.
Manuals through 2025 now available!

Our trusted friends have launched a new website named LEMON, which has newer manuals. It also contains all the CHARM manuals.

LEMON is the spiritual successor to CHARM, I recommend you try it!

Link: lemon-manuals.la or lemon-manuals.org.ua

(Some people have issue connecting. LEMON is investigating. For now, use Firefox or change your DNS server)

Or, hide this message: temporarily or permanently

Cylinder Head Assembly

Cylinder head flatness must be within 0.0254 mm (0.001 inch) across a 38.1 mm (1.5 inch) square area.





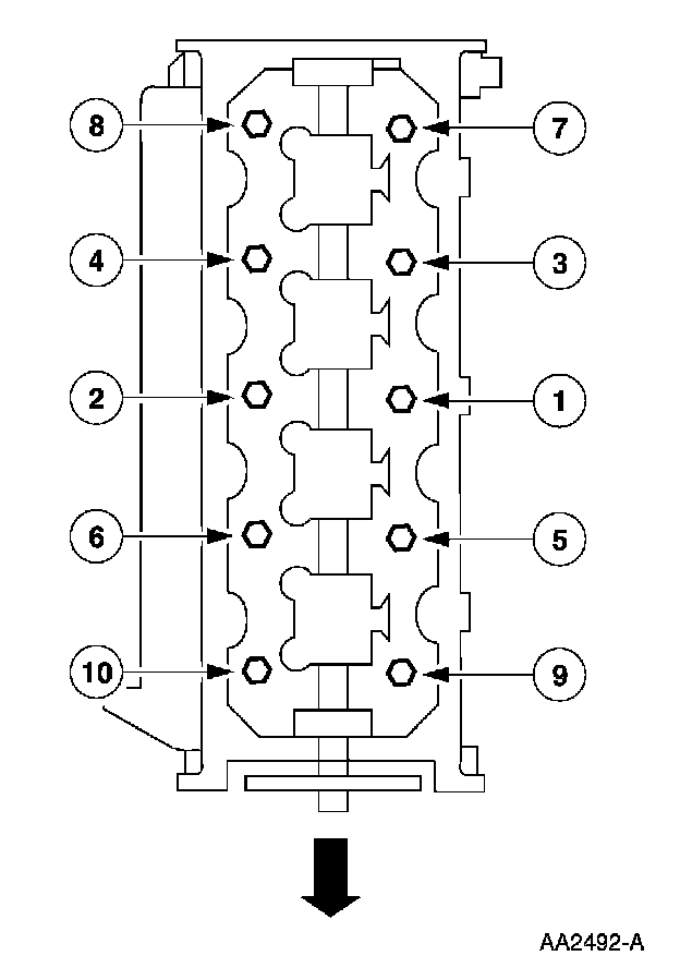
LH cylinder head

NOTE: Replace bolts.

Stage 1: Tighten to 40 Nm (30 ft. lbs.).
Stage 2: Tighten an additional 90 degrees.
Stage 3: Tighten an additional 90 degrees.





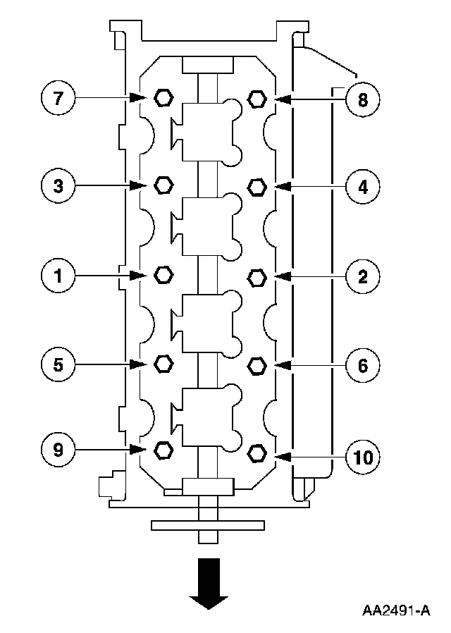
RH cylinder head

NOTE: Replace bolts.

Stage 1: Tighten to 40 Nm (30 ft. lbs.).
Stage 2: Tighten an additional 90 degrees.
Stage 3: Tighten an additional 90 degrees.





Intake Manifold
Stage 1: Tighten to 2 Nm (18 inch lbs.).
Stage 2: Tighten to 25 Nm (18 ft. lbs.).





Camshaft bearing caps 10 Nm (89 in.lbs.).

Camshaft Sprocket
Stage 1: Tighten to 40 Nm (30 ft. lbs.).
Stage 2: Tighten an additional 90 degrees.





RH Exhaust manifold bolts 25 Nm (18 ft.lbs.).





LH Exhaust manifold bolts 25 Nm (18 ft.lbs.).