Cylinder Head Assembly
Cylinder head flatness must be within 0.0254 mm (0.001 inch) across a 38.1 mm (1.5 inch) square area.LH cylinder head
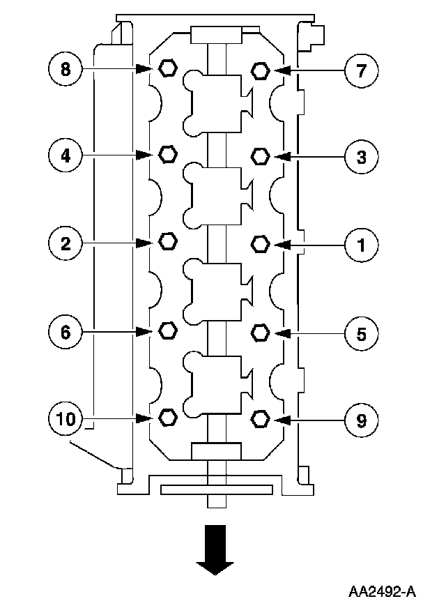
NOTE: Replace bolts
Stage 1: Tighten to 40 Nm (30 ft. lbs.).
Stage 2: Tighten an additional 90 degrees.
Stage 3: Tighten an additional 90 degrees.
RH cylinder head
NOTE: Replace bolts
Stage 1: Tighten to 40 Nm (30 ft. lbs.).
Stage 2: Tighten an additional 90 degrees.
Stage 3: Tighten an additional 90 degrees.
Intake Manifold
Stage 1: Tighten to 2 Nm (18 inch lbs.).
Stage 2: Tighten to 25 Nm (18 ft. lbs.).
Camshaft bearing caps 10 Nm (89 in.lbs.).
Camshaft Sprocket
Stage 1: Tighten to 40 Nm (30 ft. lbs.).
Stage 2: Tighten an additional 90 degrees.
RH Exhaust manifold bolts 25 Nm (18 ft.lbs.).
LH Exhaust manifold bolts 25 Nm (18 ft.lbs.).