Operation CHARM: Car repair manuals for everyone.
Manuals through 2025 now available!

Our trusted friends have launched a new website named LEMON, which has newer manuals. It also contains all the CHARM manuals.

LEMON is the spiritual successor to CHARM, I recommend you try it!

Link: lemon-manuals.la or lemon-manuals.org.ua

(Some people have issue connecting. LEMON is investigating. For now, use Firefox or change your DNS server)

Or, hide this message: temporarily or permanently

Part 1 of 2

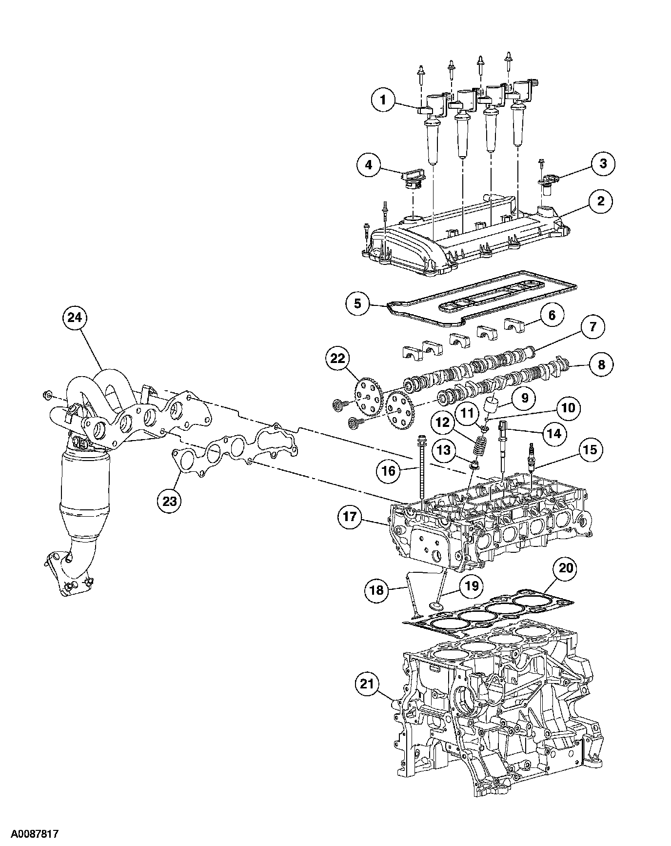
Engine








Special Tool(s)





Material





Lower Engine Block








Front Engine Block








Cylinder Head





Intake Manifold

CAUTION: During engine repair procedures, cleanliness is extremely important. Any foreign material, including any material created while cleaning gasket surfaces that enters the oil passages, coolant passages or the oil pan, can cause engine failure.

CAUTION: The crankshaft, the crankshaft sprocket and the pulley are fitted together by friction, using diamond washers between the flange faces on each part. For that reason, the crankshaft sprocket is also unfastened if you loosen the pulley. Therefore, the engine must be retimed each time the damper is removed. Otherwise severe engine damage can occur.

All vehicles

1. WARNING: Failure to position the No. 1 piston at top dead center (TDC) can result in damage to the engine. Turn the engine in the normal direction of rotation only.

Turn the crankshaft clockwise to position the No. 1 piston at TDC.





2. Remove the engine plug bolt.





3. NOTE: The special tool will contact the crankshaft and prevent it from turning past TDC. However, the crankshaft can still be rotated in the counterclockwise direction. The crankshaft must remain at the TDC position until the timing drive components and crankshaft pulley are installed.

Install the special tool.





4. If removed, install the halfshaft support bracket and bolts.
^ Tighten to 40 Nm (30 ft. lbs.).





5. NOTE: Clean the oil pump and cylinder block mating surfaces with metal surface cleaner.

Install the oil pump assembly. Tighten the bolts in the sequence shown in 2 stages:
^ Stage 1: Tighten to 10 Nm (89 inch lbs.).
^ Stage 2: Tighten to 20 Nm (15 ft. lbs.).





6. Install a new oil pump pickup tube gasket and the pickup tube.
^ Tighten to 10 Nm (89 inch lbs.).





7. Using the special tool, install the crankshaft rear main oil seal.





8. Tighten the crankshaft rear main oil seal bolts in the sequence shown.
^ To install tighten to 10 Nm (89 inch lbs.).

9. CAUTION: Do not use metal scrapers, wire brushes, power abrasive discs or other abrasive means to clean the sealing surfaces. These tools cause scratches and gouges, which make leak paths. Use a plastic scraping tool to remove traces of sealant.

Clean and inspect all mating surfaces.





10. NOTE: If the oil pan is not secured within 4 minutes of sealant application, the sealant must be removed and the sealing area cleaned with metal surface cleaner. Allow to dry until there is no sign of wetness, or 4 minutes, whichever is longer. Failure to follow this procedure can cause future oil leakage.

NOTE: The oil pan must be installed and the bolts tightened within 4 minutes of applying the silicone gasket and sealant.

Apply a 2.5-mm (0.09 inch) bead of silicone gasket and sealant to the oil pan. Install the oil pan. Install the 2 oil pan bolts finger-tight.





11. Install the remaining oil pan bolts and tighten the oil pan bolts in the sequence shown.
^ Tighten to 25 Nm (18 ft. lbs.).





12. Install the cylinder head alignment dowels. Dowels must be fully seated in the cylinder block.

13. CAUTION: Do not use metal scrapers, wire brushes, power abrasive discs or other abrasive means to clean the sealing surfaces. These tools cause scratches and gouges that make leak paths. Use a plastic scraping tool to remove all traces of the head gasket.

CAUTION: Observe all warnings and cautions and follow all application directions contained on the packaging of the silicone gasket remover and the metal surface prep.

NOTE: If there is no residual gasket material present, metal surface prep can be used to clean and prepare the surfaces.

Clean the cylinder head-to-cylinder block mating surface of both the cylinder head and the cylinder block.
1. Remove any large deposits of silicone or gasket material with a plastic scraper.
2. Apply silicone gasket remover, following package directions, and allow to set for several minutes.
3. Remove the silicone gasket remover with a plastic scraper. A second application of silicone gasket remover may be required if residual traces of silicone or gasket material remain.
4. Apply metal surface prep, following package directions, to remove any traces of oil or coolant, and to prepare the surfaces to bond with the new gasket. Do not attempt to make the metal shiny. Some staining of the metal surfaces is normal.





14. Apply silicone gasket and sealant to the locations shown.





15. Install a new head gasket.





16. NOTE: The cylinder head bolts are torque-to-yield and must not be reused. New cylinder head bolts must be installed.

NOTE: Lubricate the bolts with clean engine oil prior to installation. Install new cylinder head bolts.

Tighten the bolts in the sequence shown in 5 stages:
1. Tighten to 5 Nm (44 inch lbs.).
2. Tighten to 15 Nm (11 ft. lbs.).
3. Tighten to 45 Nm (33 ft. lbs.).
4. Turn 90 degrees.
5. Turn an additional 90 degrees.





17. CAUTION: Install the camshafts with the alignment slots in the camshafts lined up so the Camshaft Alignment Plate can be installed without rotating the camshafts. Make sure the lobes on the No. 1 cylinder are in the same position as noted in the disassembly procedure. Rotating the camshafts when the timing chain is removed, or installing the camshafts 180 degrees out of position, can cause severe damage to the valves and pistons.

NOTE: Lubricate the camshaft journals and bearing caps with clean engine oil.

Install the camshafts and bearing caps. Tighten the bolts in the sequence shown in 3 stages:
^ Stage 1: Tighten the camshaft bearing cap bolts one at a time until finger tight.
^ Stage 2: Tighten to 7 Nm (62 inch lbs.).
^ Stage 3: Tighten to 16 Nm (12 ft. lbs.).





18. NOTE: Install a crankshaft sprocket diamond washer on both sides of the crankshaft sprocket.

Install the crankshaft sprocket, crankshaft sprocket diamond washers, oil pump chain and oil pump sprocket.
^ The crankshaft sprocket flange must be facing away from the engine block.





19. Install the oil pump chain, sprocket and bolt.
^ Tighten to 25 Nm (18 ft. lbs.).





20. Install the oil pump chain guide and the shoulder bolts.
^ Tighten to 10 Nm (89 inch lbs.).





21. Install the oil pump chain tensioner. Hook the tensioner spring around the shoulder bolt.
^ Tighten to 10 Nm (89 inch lbs.).





22. CAUTION: The special tool 303-465 is for camshaft alignment only. Using this tool to prevent engine rotation can result in engine damage.

Install the special tool in the slots on the rear of both camshafts.





23. Install the camshaft sprockets and the bolts. Do not tighten the bolts at this time.





24. Install the LH timing chain guide and the bolts.
^ Tighten to 10 Nm (89 inch lbs.).





25. Install the timing chain.





26. Install the RH timing chain guide.





27. CAUTION: Do not compress the ratchet assembly. This will damage the ratchet assembly.

Using the edge of a vise, compress the timing chain tensioner plunger.





28. Using a small pick, push back and hold the ratchet mechanism.





29. While holding the ratchet mechanism, push the ratchet arm back into the tensioner housing.





30. Install a paper clip into the hole in the tensioner housing to hold the ratchet assembly and the plunger in during installation.





31. Install the timing chain tensioner and the bolts. Remove the paper clip to release the piston.
^ Tighten to 10 Nm (89 inch lbs.).





32. CAUTION: The special tool 303-465 is for camshaft alignment only. Using this tool to prevent engine rotation can result in engine damage.

Using the flats on the camshafts to prevent camshaft rotation, tighten the bolts.
^ To install, tighten to 65 Nm (48 ft. lbs.).

33. CAUTION: Do not use metal scrapers, wire brushes, power abrasive disks or other abrasive means to clean sealing surfaces. These tools cause scratches and gouges which make leak paths.

Clean and inspect the mounting surfaces of the engine and the front cover.





34. NOTE: The engine front cover must be installed and the bolts tightened within 4 minutes of applying the silicone gasket and sealant.

Apply a 2.5-mm (0.09 inch) bead of silicone gasket and sealant to the cylinder head and oil pan joint areas. Apply a 2.5-mm (0.09 inch) bead of silicone gasket and sealant to the front cover.





35. Install the engine front cover. Tighten the bolts in the sequence shown, to the following specifications:
^ Tighten the 8-mm bolts to 10 Nm (89 inch lbs.).
^ Tighten the 13-mm bolts to 48 Nm (35 ft. lbs.).





36. NOTE: Remove the through-bolt from the special tool.

NOTE: Lubricate the oil seal with clean engine oil.

Using the special tool, install a new crankshaft front oil seal.

37. NOTE: Do not reuse the crankshaft damper bolt.

NOTE: Apply clean engine oil on the seal area before installing.

Install the crankshaft pulley and hand-tighten the bolt.





38. CAUTION: Only hand-tighten the bolt or damage to the front cover can occur.

NOTE: This step will correctly align the crankshaft pulley to the crankshaft.

Install a standard 6-mm (0.23 inch) x 18-mm (0.7 inch) bolt through the crankshaft pulley and thread it into the front cover.
^ Rotate the pulley as necessary to align the bolt holes.





39. CAUTION: Failure to hold the crankshaft pulley in place during bolt tightening can cause damage to the engine front cover.

Using the special tools to hold the crankshaft pulley in place, tighten the crankshaft pulley bolt in 2 stages:
^ Stage 1: Tighten to 100 Nm (74 ft. lbs.).
^ Stage 2: Tighten an additional 90 degrees (1/4 turn).





40. Remove the 6-mm (0.23 inch) x 18-mm (0.7 inch) bolt.





41. Remove the special tool.





42. Remove the special tool.

43. NOTE: Only turn the engine in the normal direction of rotation.

Turn the engine 2 complete revolutions.

44. NOTE: Only turn the engine in the normal direction of rotation.

Turn the crankshaft until the No. 1 piston is at top dead center (TDC).





45. Install the special tool.





46. CAUTION: Only hand-tighten the bolt or damage to the front cover can occur.

Using the 6-mm (0.23 inch) x 18-mm (0.7 inch) bolt, check the position of the crankshaft pulley.
^ If it is not possible to install the bolt, correct the engine timing.





47. Using the special tool, check the position of the camshafts.
^ If it is not possible to install the special tool, correct the engine timing.





48. NOTE: Whenever the crankshaft position (CKP) sensor is removed, a new one must be installed using the alignment jig supplied with the new part.

Install a new CKP sensor.
^ Do not tighten the bolts at this time.





49. Adjust the CKP sensor alignment jig and tighten the bolts.
^ Tighten to 7 Nm (62 inch lbs.).





50. Remove the 6-mm (0.23 inch) x 18-mm (0.7 inch) bolt.