Operation CHARM: Car repair manuals for everyone.
Manuals through 2025 now available!

Our trusted friends have launched a new website named LEMON, which has newer manuals. It also contains all the CHARM manuals.

LEMON is the spiritual successor to CHARM, I recommend you try it!

Link: lemon-manuals.la or lemon-manuals.org.ua

(Some people have issue connecting. LEMON is investigating. For now, use Firefox or change your DNS server)

Or, hide this message: temporarily or permanently

Engine-Manual Transaxle

Engine-Manual Transaxle





Special Tool(s)





Material

WARNING: Do not smoke or carry lighted tobacco or open flame of any type when working on or near any fuel-related components. Highly flammable mixtures are always present and may be ignited. Failure to follow these instructions may result in personal injury.

All vehicles
1. Using the engine crane and spreader bar, position the engine and transaxle together. Install the 6 transaxle-to-engine bolts.
2. Using the engine crane and spreader bar, position the engine and transaxle onto the lift table.





3. Using the special tools, secure the engine to the lift table.
4. Raise the engine and transaxle into the vehicle.





5. Install the bolt in the LH transaxle mount.
^ Tighten to 103 Nm (76 ft. lbs.).





6. Install the bolt in the rear transaxle mount.
^ Tighten 115 Nm (85 ft. lbs.).





7. Install the engine mount bracket and nuts.
^ Tighten 90 Nm (66 ft. lbs.).





8. Install the engine mount bracket bolt.
^ Tighten to 90 Nm (66 ft. lbs.).





9. Install the 2 transaxle-to-engine bolts.
^ Tighten to 48 Nm (35 ft. lbs.).





10. Install the 2 transaxle-to-engine bolts.
^ Tighten to 48 Nm (35 ft. lbs.).





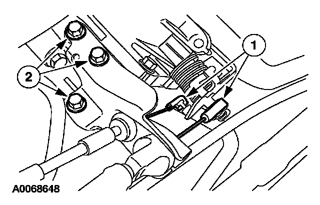
11. Install the engine support crossmember and nut.
^ Tighten to 175 Nm (129 ft. lbs.).





12. Install the 2 bolts for the engine support crossmember and the front roll restrictor bolt.
^ Tighten the engine support crossmember bolts to 90 Nm (66 ft. lbs.)
^ Tighten the front roll restrictor bolt to 115 Nm (85 ft. lbs.).





13. NOTE: The bolt under the power steering pressure tube will remain with the power steering pump.

Position the power steering pump and install the bolts.
^ Tighten to 25 Nm (18 ft. lbs.).





14. Connect the power steering pressure (PSP) sensor electrical connector.





15. Install the A/C compressor and connect the A/C compressor electrical connector.
^ Tighten the bolts to 25 Nm (18 ft. lbs.).





16. Connect the lower radiator hose to the radiator.





17. Install the 2 power steering pump bolts.
^ Tighten to 25 Nm (18 ft. lbs.).





18. Install the ground wire and bolt.
^ Tighten to 10 Nm (89 inch lbs.).





19. Connect the powertrain control module (PCM) electrical connectors. Position the harness and install the nut.
^ Tighten to 8 Nm (71 inch lbs.).





20. Attach the electrical connector retainers.





21. Connect the fuel supply tube.





22. Connect the vacuum reservoir tube.





23. Connect the fuel vapor return tube and retainer.





24. Connect the vacuum supply tube.





25. Install the power steering tube, bracket and nut.
^ Tighten to 6 Nm (53 inch lbs.).





26. Position the accelerator control cable and bracket and install the nut.
^ Tighten to 6 Nm (53 inch lbs.).





27. Install the accelerator control cable and bracket and nut.
^ Tighten to 6 Nm (53 inch lbs.).





28. Install the accelerator cable and speed control cable (if equipped).
1. Connect the accelerator and speed control cable (if equipped) to the throttle body.
2. Install the accelerator cable bracket and bolts.
^ Tighten to 10 Nm (89 inch lbs.).





29. Install the accelerator cable snow shield and retainers.
^ Tighten to 10 Nm (89 inch lbs.).





30. Connect the heater hoses to the heater core.





31. Attach the heater hose support strap to the stud.





32. Position the coolant vent hose and install the coolant vent hose brackets and nuts.
^ Tighten to 10 Nm (89 inch lbs.).





33. Connect the upper radiator and coolant vent hoses.





34. If equipped, route the block heater wiring harness and attach all retainers. Connect the block heater electrical connector.





35. Connect the reversing lamp indicator switch and attach the wiring harness retainers.





36. Connect the vehicle speed sensor (VSS) electrical connector and pin-type retainer.





37. Connect the transaxle control cable and install the retaining clips.





38. Connect the transaxle control cable and install the retaining clips.





39. Connect the clutch hydraulic tube fitting. Attach the tube to the spring clip.





40. Attach the wiring harness retainers to the battery tray bracket.





41. Connect the 42-pin electrical connector and tighten the bolt. Install the ground strap and bolt.
^ Tighten to 10 Nm (89 inch lbs.).





42. Connect the electrical connector to the power distribution box.





43. Connect the cables and install the nuts.
^ Tighten to 12 Nm (9 ft. lbs.).





44. Install the power distribution box cover.





45. If equipped, install the ground eyelet and bolt.
^ Tighten to 10 Nm (89 inch lbs.).

4x4 vehicles





46. Install the driveshaft and bolts.
^ Tighten to 20 Nm (15 ft. lbs.).

All vehicles
47. Install the front drive intermediate halfshaft.
48. Install the LH front drive halfshaft.





49. Install the lateral support crossmember and bolts.
^ Tighten to 115 Nm (85 ft. lbs.).
50. Install the accessory drive belt.
51. Install the catalytic converter.
52. Install the starter.
53. Install the battery tray and battery.
54. Install the engine air cleaner and air cleaner outlet pipe.
55. Fill the engine with clean engine oil.
56. Fill and bleed the cooling system.
57. Bleed the clutch system.