Operation CHARM: Car repair manuals for everyone.
Manuals through 2025 now available!

Our trusted friends have launched a new website named LEMON, which has newer manuals. It also contains all the CHARM manuals.

LEMON is the spiritual successor to CHARM, I recommend you try it!

Link: lemon-manuals.la or lemon-manuals.org.ua

(Some people have issue connecting. LEMON is investigating. For now, use Firefox or change your DNS server)

Or, hide this message: temporarily or permanently

Installation

Installation
1. Position the thermostat and housing and loosely install the bolts.





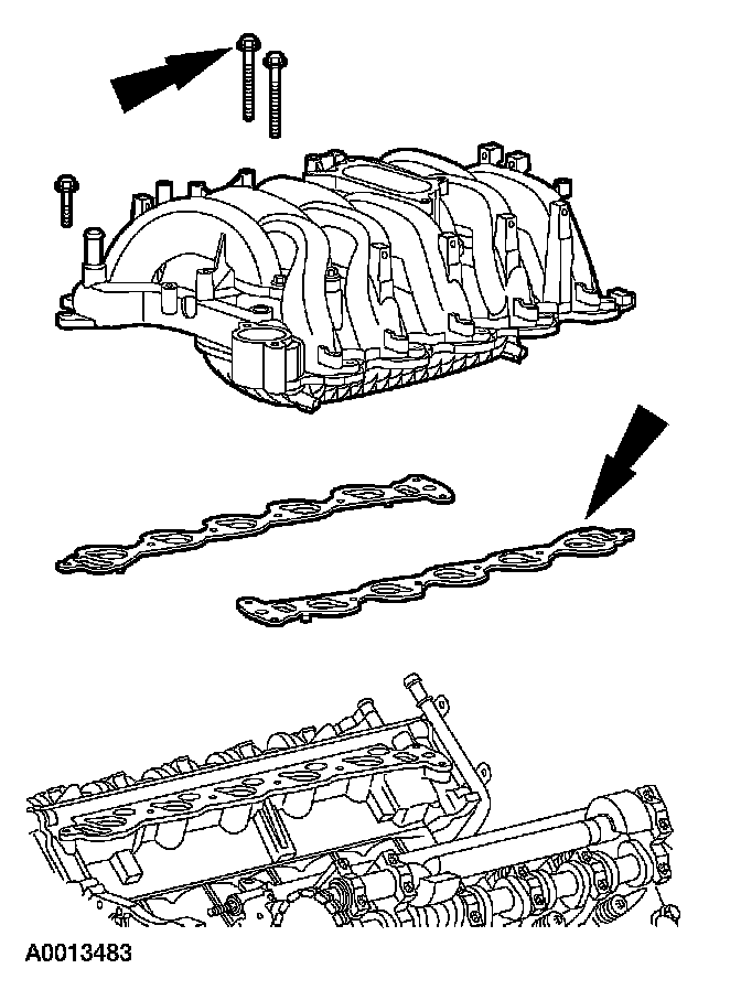
2. Install the upper intake manifold.
^ Position the upper intake manifold gaskets and the intake manifold, and loosely install the bolts.





3. Tighten the bolts in two stages, in the sequence shown.
^ Stage 1: Tighten to 2 Nm (18 inch lbs.).
^ Stage 2: Tighten to 25 Nm (18 ft. lbs.).

4. Connect the fuel tube spring lock couplings .
5. Connect the vacuum tube to the fuel injection supply manifold.





6. Install the ignition coils.
^ Position the 10 ignition coils.
^ Install the 10 bolts.





7. Connect the five LH fuel injector, TB sensor electrical connectors and five LH ignition coil connectors.





8. Connect the coolant hose.





9. Connect the IAC motor bypass hose and connector.





10. Connect the five RH fuel injector electrical connectors and five RH ignition coil connectors.





11. Connect the vacuum tube.





12. Connect the PCV tube and the vacuum tubes.





13. Connect the heated PCV coolant hose.





14. Install the accelerator bracket.
^ Position the bracket.
^ Install the bolts.





15. Connect the accelerator and speed control cables and the return spring.





16. Install the accelerator cable splash shield.





17. Connect the engine coolant outlet hose and position the hose clamp.
18. Install the generator.
19. Install the air cleaner outlet tube.
20. Connect the battery ground cable.
21. Fill and bleed the cooling system.