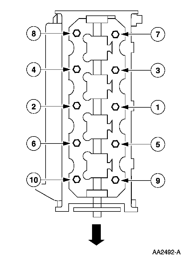
Cylinder Head Assembly
LH cylinder headNote: Do not Reuse Cylinder Head bolts
Stage 1: Tighten to 40 Nm (30 ft. lbs.).
Stage 2: Tighten an additional 90 degrees.
Stage 3: Tighten an additional 90 degrees.
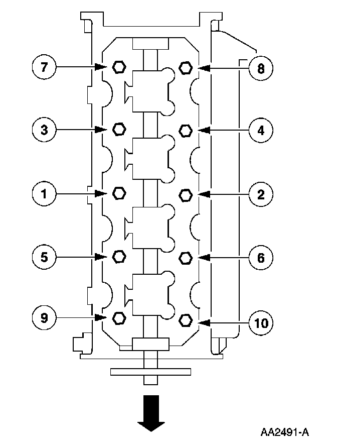
RH cylinder head
Note: Do not Reuse Cylinder Head bolts
Stage 1: Tighten to 40 Nm (30 ft. lbs.).
Stage 2: Tighten an additional 90 degrees.
Stage 3: Tighten an additional 90 degrees
Camshaft bearing cap bolts 10 Nm (89 inch lbs.)
Exhaust manifold nuts 25 Nm (18 ft. lbs.)
Exhaust manifold studs 12 Nm (9 ft. lbs.)
Intake Manifold
Stage 1: Tighten to 2 Nm (18 inch lbs.).
Stage 2: Tighten to 25 Nm (18 ft. lbs.).