Control Components
CONTROL COMPONENTSTwo climate control systems are available:
- manual climate control (Expedition only)
- dual-zone electronic automatic temperature control (EATC)
Refer to the appropriate heading for information concerning each system.
MANUAL CLIMATE CONTROL
Plenum Chamber Control Components - Manual:
The manual climate control components are used to select:
- air inlet source (outside or recirculated):
- blower motor speed.
- discharge air temperature (temperature blend).
- discharge air location (defrost, panel, floor).
- A/C compressor operation.
Control System Inputs - Manual Climate Control
Function Selector Switch
The function selector switch combines a vacuum selector valve to determine air distribution, and an electrical switch to supply battery voltage to the A/C compressor circuit and blower motor circuit. When the function selector switch is in the MAX A/C, DEFROST or FLOOR/DEFROST positions, the A/C compressor will be operational regardless of the A/C request switch status.
Climate Control Assembly
The climate control assembly integrates the temperature control switch, A/C request button and rear defog switch into a single unit.
The temperature control switch setting determines air temperature. Temperature selection is accomplished with a potentiometer (temperature control switch) connected to the temperature blend door actuator. Movement of the temperature control switch from COOL (blue) to WARM (red) causes a corresponding movement of the temperature blend door and determines the air discharge temperature that the air distribution system will maintain. The temperature control switch is an integral part of the manual climate control assembly and cannot be installed separately.
The A/C request switch determines A/C compressor operation, except when the function selector switch is in the OFF, MAX A/C, DEFROST or FLOOR/DEFROST positions. The A/C request switch is an integral part of the manual climate control assembly and cannot be installed separately.
The rear defog button signals activation of the heated backlight and heated mirrors. The rear defog button is an integral part of the manual climate control assembly and cannot be installed separately.
Blower Motor Switch
The blower motor switch controls blower motor speed by supplying voltage to the blower resistor circuits.
Control System Outputs - Manual Climate Control
Blower Motor Resistor
The blower motor resistor:
- is located on the plenum chamber near the blower motor.
- has three resistor elements mounted on the resistor board to provide four blower motor speeds.
- has an overheating device (thermal limiter) that will open the resistor coil when the temperature reaches approximately 184°C (363°F), interrupting the blower motor operation in all speeds except high.
- is serviced as an assembly. The thermal limiter cannot be reset and is not serviceable.
Depending on the blower motor switch position, series resistance is added or bypassed in the blower motor circuit to decrease or increase blower motor speed.
Temperature Blend Door Actuator
The temperature blend door actuator:
- is located on the plenum chamber.
- contains a reversible electric motor.
- moves the temperature blend door on command of the temperature control switch.
Vacuum Control Motors
The three vacuum control motors have the following characteristics:
- They are actuated by the function selector switch.
- They position the plenum doors to direct system airflow to the vehicle interior as determined by the function selector switch settings.
- The air inlet door vacuum control motor is a single-diaphragm actuator with a single vacuum source.
- The airflow mode door vacuum control motors are double-diaphragm actuators with two separate vacuum sources to allow the actuator to fully retract or partially retract.
- When vacuum is applied to both vacuum sources, the actuator will fully retract.
- When vacuum is applied only to the partial stage vacuum source, the actuator will partially retract.
Coolant Control Valve
The coolant control valve is actuated by the air inlet vacuum circuit. When the air inlet vacuum circuit is closed (at full vacuum), coolant flow through the heater core is shut off and A/C cooling efficiency is increased.
DUAL-ZONE ELECTRONIC AUTOMATIC TEMPERATURE CONTROL
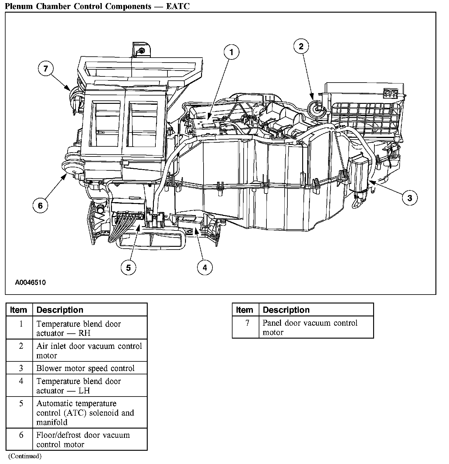
Plenum Chamber Control Components - EATC:
The dual-zone EATC module analyzes input from the following major sources:
- temperature, function and blower selection (made by the vehicle occupants)
- in-vehicle temperature
- in-vehicle humidity (Navigator only)
- ambient temperature
- sunload
- vehicle speed
- engine coolant temperature
Using these inputs, the dual-zone EATC module determines the correct conditions for the following outputs:
- A/C compressor operation
- blower speed
- LH side temperature blend door position
- RH side temperature blend door position
- panel airflow door position
- airflow door positions
- coolant control valve
Control System Inputs - EATC
EATC Module (Climate Control Assembly)
The EATC module:
- is located in the instrument panel.
- has a vacuum fluorescent display for displaying set temperature, function and diagnostic trouble codes (DTCs).
- utilizes an on-board diagnostic (OBD) feature to supply the technician with diagnostic trouble codes (DTCs). These DTCs direct the technician to the inoperative component.
Steering Wheel Audio/Climate Control Switch
The steering wheel audio/climate control switch:
- is located on the right side of the steering wheel.
- allows the driver to adjust the passenger compartment temperature setting and manually override the blower motor speed setting.
For removal and installation of the steering wheel audio/climate control switch, refer to Radio, Stereo, and Compact Disc.
Ambient Air Temperature Sensor
The ambient air temperature sensor:
- is located in front of the condenser core.
- provides a resistance value to a reference voltage from the EATC module that is proportional to the outside ambient temperature. The resulting voltage is then returned to the EATC module where it is interpreted as a temperature reading.
In-Vehicle Temperature/Humidity Sensor - Navigator
The in-vehicle temperature/humidity sensor operates in the following manner:
- A thermistor in the in-vehicle temperature/humidity sensor measures air temperature inside the passenger compartment.
- A humidity transducer in the in-vehicle temperature/humidity sensor measures in-vehicle humidity.
- A hose and elbow is connected between the plenum chamber and the in-vehicle temperature/humidity sensor.
- Airflow through the plenum chamber creates a venturi-type suction through the hose which draws passenger compartment air through the in-vehicle temperature/humidity sensor and across the thermistor and humidity transducer.
In-Vehicle Temperature Sensor - Expedition
The in-vehicle temperature sensor operates in the following manner:
- A thermistor in the in-vehicle temperature sensor measures air temperature inside the passenger compartment.
- A hose and elbow is connected between the plenum chamber and the in-vehicle temperature sensor.
- Airflow through the plenum chamber creates a venturi-type suction through the hose which draws passenger compartment air through the in-vehicle temperature sensor and across the thermistor.
Dual-Zone Solar Amplifier (Sunload Sensor) - Navigator
The solar amplifier is a dual-zone type that supplies separate information to the dual-zone EATC module indicating LH side and RH side sunload. For information on the location and service of the solar amplifier, refer to Lighting and Horns.
Single-Zone Solar Amplifier (Sunload Sensor) - Expedition
The solar amplifier supplies information to the dual-zone EATC module indicating sunload. For information on the location and service of the solar amplifier, refer to Lighting and Horns.
Control System Outputs - EATC
Automatic Temperature Control (ATC) Solenoid and Manifold
The ATC solenoid and manifold:
- is located on the plenum chamber in front of the front floor console.
- is controlled by the dual-zone EATC module.
- uses solenoid-type valves to distribute manifold vacuum to the vacuum control motors based on the settings of the dual-zone EATC module.
Blower Motor Speed Control
The motor blower speed control:
- is located on the heater core and evaporator core housing near the blower motor.
- converts low power signals from the dual-zone EATC module to a high current, variable ground feed for the blower motor.
- varies the blower motor speed and is controlled by the dual-zone EATC module software.
- has a delay function to provide a gradual increase or decrease in blower motor speed under all conditions.
- controls the integral high blower speed relay which is engaged when maximum fan speed is selected.
Temperature Blend Door Actuators
The dual-zone EATC system utilizes two temperature blend door actuators to control two separate temperature blend doors that independently vary the LH and RH side temperature settings, as desired. The temperature blend door actuators:
- are located on the plenum chamber.
- move the temperature blend doors on command from the dual-zone EATC module.
- contain a reversible electric motor and a potentiometer. The potentiometer wiper is connected to the actuator output shaft and moves with the output shaft to indicate the position of the temperature blend door.
- receive a reference voltage to one end of the potentiometer. The voltage available at the wiper indicates the position of the potentiometer. The expressed value of the actuator wiper voltage is sent to the dual-zone EATC module and is matched with an expected wiper voltage value. The dual-zone EATC module then drives the actuator motor in whichever direction is necessary to make the actuator wiper voltage match the expected dual-zone EATC module wiper voltage value.
Vacuum Control Motors
The three vacuum control motors have the following characteristics:
- They are actuated by the ATC solenoid and manifold based on input from the dual-zone EATC module.
- They position the mode doors to direct system airflow to the vehicle interior as determined by the dual-zone EATC module settings.
- The air inlet door vacuum control motor is a single-diaphragm actuator with a single vacuum source.
- The airflow mode door vacuum control motors are double-diaphragm actuators with two separate vacuum sources to allow the actuator to fully retract or partially retract.
- When vacuum is applied to both vacuum sources, the actuator will fully retract.
- When vacuum is applied only to the partial stage vacuum source, the actuator will partially retract.
Coolant Control Valve
The coolant control valve is actuated by the coolant control valve vacuum circuit. When the coolant control valve is closed (at full vacuum), coolant flow through the heater core is shut off and A/C cooling efficiency is increased.