Operation CHARM: Car repair manuals for everyone.
Manuals through 2025 now available!

Our trusted friends have launched a new website named LEMON, which has newer manuals. It also contains all the CHARM manuals.

LEMON is the spiritual successor to CHARM, I recommend you try it!

Link: lemon-manuals.la or lemon-manuals.org.ua

(Some people have issue connecting. LEMON is investigating. For now, use Firefox or change your DNS server)

Or, hide this message: temporarily or permanently

Climate Control System

CLIMATE CONTROL SYSTEM

WARNING:
- Carbon monoxide is colorless, odorless and dangerous. If it is necessary to operate the engine with vehicle in a closed area such as a garage, always use an exhaust collector to vent the exhaust gases outside the closed area.
- R-134a is classified as a safe refrigerant, but misuse can make it dangerous. The following precautions must be observed.
- Always wear safety goggles when repairing an air conditioning system.
- Avoid contact with liquid refrigerant R-134a. R-134a vaporizes at approximately -25°C (-13°F) under atmospheric pressure and it will freeze skin tissue.
- Never allow refrigerant R-134a gas to escape in quantity in an occupied space. R-134a is non-toxic, but it will displace the oxygen needed to support life.
- Never use a torch in an atmosphere containing R-134a gas. R-134a is non-toxic at all normal conditions, but when it is exposed to high temperatures, such as a torch flame, it decomposes. During decomposition it releases irritating and toxic gases (as described in the MSDS sheet from the manufacturer). Decomposition products are hydrofluoric acid, carbon dioxide and water.
- Do not allow any portion of the charged air conditioning system to become too hot. The pressure in an air conditioning system rises as the temperature rises and temperatures of approximately 85°C (185°F) can be dangerous.
- Allow the engine to cool sufficiently prior to carrying out maintenance or serious burns and injury can occur.


CAUTION:
- To avoid damaging the vehicle or A/C components, the following precautions must be observed.
- The A/C refrigerant of all vehicles must be identified and analyzed prior to refrigerant charging. Failure to do so can contaminate the shop bulk refrigerant and other vehicles.
- Do not add R-12 refrigerant to an A/C system that requires the use of R-134a refrigerant. These two types of refrigerant must never be mixed. Doing so can damage the A/C system.
- WARNING: It is dangerous to charge the system with the engine running at the high side service port.

Charge the A/C system with R-134a refrigerant gas while the engine is running only at the low-pressure side to prevent refrigerant slugging from damaging the A/C compressor.

- Use only R-134a refrigerant. Due to environmental concerns, when the air conditioning system is drained, the refrigerant must be collected using refrigerant recovery/recycling equipment. Federal, State/Provincial and/or local laws REQUIRE that R-134a be recovered into appropriate recovery equipment and the process be conducted by qualified technicians who have been certified by an approved organization, such as ASE, MACS, HRAI, etc. Use of a recovery machine dedicated to R-134a is necessary to reduce the possibility of oil and refrigerant incompatibility concerns. Refer to the instructions provided by the equipment manufacturer when removing refrigerant from or charging the air conditioning system.
- Refrigerant R-134a must not be mixed with air for leak testing or used with air for any other purpose above atmospheric pressure. R-134a is combustible when mixed with high concentrations of air and higher pressures.
- A number of manufacturers are producing refrigerant products that are described as direct substitutes for Refrigerant R-134a. The use of any unauthorized substitute refrigerant can severely damage the A/C components. If repair is required, use only new or recycled Refrigerant R-134a.

- To avoid contamination of the A/C system, the following precautions must be observed.
- Never open or loosen a connection before recovering the refrigerant.
- When loosening a connection, if any residual pressure is evident, allow it to leak out before opening the fitting.
- Evacuate a system that has been opened to install a new component or one that has discharged through leakage before charging.
- Seal open fittings with a cap or plug immediately after disconnecting a component from the system.
- Clean the outside of the fittings thoroughly before disconnecting a component from the system.
- Do not remove the sealing caps from a new component until ready to install.
- Refrigerant oil will absorb moisture from the atmosphere if left uncapped. Do not open an oil container until ready to use and install the cap immediately after using. Store the oil in a clean, moisture-free container.
- Install a new O-ring seal before connecting an open fitting. Coat the fitting and O-ring seal with mineral oil before connecting.
- When installing a refrigerant line, avoid sharp bends. Position the line away from the exhaust or any sharp edges that can chafe the line.
- Tighten threaded fittings only to specifications. The steel and aluminum fittings used in the refrigerant system will not tolerate overtightening.
- When disconnecting a fitting, use a wrench on both halves of the fitting to prevent twisting of the refrigerant lines or tubes.
- Do not open a refrigerant system or uncap a new component unless it is as close as possible to room temperature. This will prevent condensation from forming inside a component that is cooler than the surrounding air.


The electronic manual temperature control (EMTC) system heats or cools the vehicle depending on the EMTC control panel selection.
- The EMTC control panel selections determine heating or cooling, air distribution and enables blower motor operation.
- The temperature control setting determines the air temperature.
- The blower motor switch varies the blower motor speed.
- During A/C operation the system also reduces the relative humidity of the air.
- The driver side and passenger side temperature settings can be individually controlled. (Dual-zone EMTC only.)

The dual-zone electronic automatic temperature control (EATC) system maintains the selected vehicle interior temperature by heating and/or cooling the air.
- During A/C operation the system also reduces the relative humidity of the air.
- The driver may override the automatic mode of operation.
- The temperature control setting determines the air temperature.
- The blower motor control override buttons vary the blower motor speed.
- The driver side and passenger side temperature settings can be individually controlled.

PRINCIPLES OF OPERATION

There are four main principles involved with the basic theory of operation:
- heat transfer
- latent heat of vaporization
- relative humidity
- effects of pressure

Heat Transfer
If two substances of different temperature are placed near each other, the heat in the warmer substance will transfer to the colder substance.

Latent Heat of Vaporization
When a liquid boils (converts to gas) it absorbs heat without raising the temperature of the resulting gas. When the gas condenses (converts back to a liquid), it gives off heat without lowering the temperature of the resulting liquid.

Relative Humidity
The amount of moisture (water vapor content) that the air can hold is directly related to the air temperature. The more heat there is in the air, the more moisture the air can hold. The lower the moisture content in the air, the more comfortable you feel. Removing the moisture from the air lowers its relative humidity and improves personal comfort.

Effects of Pressure on Boiling or Condensation
As the pressure is increased on a liquid, the temperature at which the liquid boils (converts to gas) also increases. Conversely, when the pressure on a liquid is reduced, its boiling point is also reduced. When in the gas state, an increase in pressure causes an increase in temperature, while a decrease in pressure will decrease the temperature of the gas.

Compressor Anti-Slugging Strategy
Liquid refrigerant may accumulate in the A/C compressor under certain conditions. To alleviate damage to the A/C compressor, compressor anti-slugging strategy (CASS) is utilized.

CASS is initiated only under specific conditions:
- the ignition is off for more than 8 hours
- the ambient temperature is above -4°C (25°F)
- battery voltage is above 8.5 volts during engine cranking

When these conditions are present, the powertrain control module (PCM) will activate the A/C control relay prior to cranking of the engine. The A/C control relay engages the A/C compressor for approximately 4-15 A/C compressor revolutions or a maximum of 2 seconds (depending upon vehicle application), allowing the liquid refrigerant to be pushed from the A/C compressor. CASS is initiated by the PCM regardless of the EMTC or the EATC system settings.


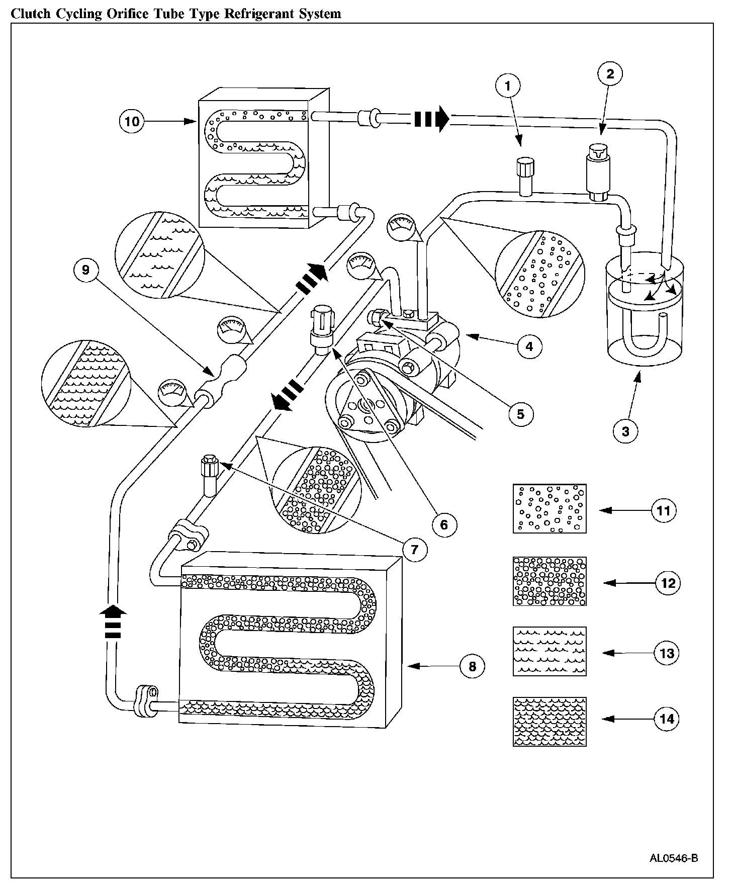
Clutch Cycling Orifice Tube Type Refrigerant System (Part 1):






Clutch Cycling Orifice Tube Type Refrigerant System (Part 2):






The Refrigerant Cycle
During stabilized conditions (air conditioning system shutdown), the refrigerant is in a vaporized state and pressures are equal throughout the system. When the A/C compressor is in operation it increases pressure on the refrigerant vapor, raising its temperature. The high-pressure and high-temperature vapor is then released into the top of the condenser core.

The condenser core, being close to ambient temperature, causes the refrigerant vapor to condense into a liquid when heat is removed from the refrigerant by ambient air passing over the fins and tubing. The now liquid refrigerant, still at high pressure, exits from the bottom of the condenser core and enters the inlet side of the evaporator core orifice.

The evaporator core orifice is the restriction in the refrigerant system that creates the low pressure drop in the evaporator core and separates the high and low pressure sides of the A/C system. As the liquid refrigerant leaves this restriction, its pressure and boiling point are reduced.

The liquid refrigerant is now at its lowest pressure and temperature. As it passes through the evaporator core, it absorbs heat from the passenger compartment airflow passing over the plate/fin sections of the evaporator core. This addition of heat causes the refrigerant to boil (convert to gas). The now cooler passenger compartment air can no longer support the same humidity level of the warmer air and this excess moisture condenses on the exterior of the evaporator coils and fins and drains outside the vehicle.

The suction accumulator is designed to remove moisture from the refrigerant and to prevent any liquid refrigerant that may not have been vaporized in the evaporator core from reaching the A/C compressor. The A/C compressor is designed to pump refrigerant vapor only, as liquid refrigerant will not compress and can damage the A/C compressor.

The refrigerant cycle is now repeated with the A/C compressor again increasing the pressure and temperature of the refrigerant.

The A/C cycling switch interrupts compressor operation before the external temperature of the evaporator core gets low enough to cause the condensed water vapor (excess humidity) to turn to ice. It does this by monitoring low side line pressure. It is known that a refrigerant pressure of approximately 210 kPa (30 psi) will yield an operating temperature of 0°C (32°F). The A/C cycling switch controls system operation in an effort to maintain this temperature.

The high side line pressure is also monitored so that A/C compressor operation can be interrupted if system pressure becomes too high. When the A/C compressor discharge pressure rises above predetermined levels, the PCM de-energizes the A/C compressor relay. When the pressure drops below predetermined levels, the PCM energizes the A/C compressor relay.

The A/C pressure relief valve will open and vent refrigerant to relieve unusually high system pressure.

Climate Control System Operation

Electronic Manual Temperature Control System
The electronic manual temperature control (EMTC) system operation is determined by the settings on the climate control assembly. The EMTC system is composed of the EMTC module, blower motor resistor, mode door actuator, air inlet door actuator and temperature blend door actuator to control the various functions.

The blower motor switch:
- sets the blower motor speed.
- directs the blower motor path to ground through the blower motor resistor to allow blower motor operation in LO, MED LO and MED HI.
- directs the blower motor path directly to ground, bypassing the blower motor resistor, to allow blower motor operation in HI.

The A/C request switch:
- can command the A/C compressor on when the function selector switch is in PANEL, FLOOR/PANEL, FLOOR/DEFROST and FLOOR when the A/C request switch is pressed. Indicator illuminates when A/C request switch is toggled on.
- is inoperative in MAX A/C, OFF and DEFROST.
- indicator illuminates when the function selector switch is in MAX A/C and cannot be toggled.
- indicator does not illuminate in OFF and cannot be toggled.
- indicator does not illuminate in DEFROST but can be toggled on or off. The A/C compressor will operate regardless of indicator status if the outside air temperature is above 6°C (43°F).
- is serviced only with the climate control assembly.

The function selector switch:
- selects airflow direction.
- is serviced only with the climate control assembly.

The air recirculation button:
- selects either recirculated or outside air source.
- recirculates air in any mode except DEFROST, if requested.
- is disabled in MAX A/C or OFF mode where recirculated air only is used.
- is disabled in DEFROST mode where outside air only is used.
- is serviced only with the climate control assembly.

The auxiliary climate controls:
- select the auxiliary blower motor speed.
- select the auxiliary airflow mode/temperature.

The EMTC module also includes:
- a rear window defrost button, refer to Windows.
- heated/cooled seat controls, refer to Seats.

Electronic Automatic Temperature Control System
The electronic automatic temperature control (EATC) system operation is determined by the settings on the EATC module. The EATC system automatically maintains a selected temperature for vehicle interior comfort. The EATC system is composed of the EATC module, blower motor speed control, mode door actuator, air inlet door actuator, temperature blend door actuator, in-vehicle temperature sensor and solar radiation sensor to control the various functions.

When the EATC module is set to AUTO:
- the air distribution direction, blower motor speed and A/C compressor operation are automatically controlled based on the temperature(s) selected.

The EATC module manual override settings:
- allow the air distribution direction to be manually selected.
- allow the blower motor speed to be manually selected.
- allow RECIRCULATION mode to be manually selected in all modes except DEFROST. The A/C request can be cancelled by pressing the A/C request switch, turning the indicator off.
- allow A/C compressor operation to be manually selected except in DEFROST.

The auxiliary climate controls:
- select the auxiliary blower motor speed.
- select the auxiliary airflow mode/temperature.

The EATC module also includes:
- a rear window defrost button, refer to Windows.
- heated/cooled seat controls, refer to Seats.

Auxiliary Climate Control System
An auxiliary climate control system is available as optional equipment. The auxiliary climate control system operation is determined by the settings on the front or rear auxiliary climate control assembly. The auxiliary climate control assemblies include a blower motor switch, temperature control/air distribution mode knob, none of which can be individually serviced.

Auxiliary blower motor operation is enabled when the EMTC or EATC is in any mode except OFF. The auxiliary system air can be cooled below interior air temperature only when A/C compressor operation has been requested by the settings of the climate control assembly of the base (front) system. The auxiliary system air can be heated at any time.

The front auxiliary climate controls:
- are built into the dual-zone EMTC or EATC module. The blower motor speed can be set to OFF, LO, MED LO, MED HI, or HI by pressing the auxiliary blower FAN button either right (higher) or left (lower). The temperature/airflow mode can be adjusted by pressing the rear button either right (warm/floor) or left (cool/panel). If the front (main) driver side temperature is set to full cool or full heat, the auxiliary temperature will be set to the same as the driver and cannot be changed. When the front auxiliary REAR button is depressed, all control of the auxiliary climate control system functions are then transferred to the rear auxiliary climate control assembly and the auxiliary temperature can be fully independently controlled.

The rear auxiliary climate control assembly:
- blower motor switch controls the auxiliary blower motor speed only when the front auxiliary climate control assembly blower motor switch is set to REAR. The blower motor speed can be set to OFF, LO, MED LO, MED HI, or HI.
- temperature/airflow mode control switch is a potentiometer that outputs a variable voltage to the auxiliary temperature blend door actuator and auxiliary mode door actuator to set the position of the auxiliary temperature blend and mode doors only when the front auxiliary climate control assembly blower motor switch is set to REAR. When A/C compressor operation has not been initiated (A/C compressor commanded on) by the EMTC or EATC module (as equipped), the auxiliary climate control system cannot cool the air below that of the interior air temperature.