Operation CHARM: Car repair manuals for everyone.
Manuals through 2025 now available!

Our trusted friends have launched a new website named LEMON, which has newer manuals. It also contains all the CHARM manuals.

LEMON is the spiritual successor to CHARM, I recommend you try it!

Link: lemon-manuals.la or lemon-manuals.org.ua

(Some people have issue connecting. LEMON is investigating. For now, use Firefox or change your DNS server)

Or, hide this message: temporarily or permanently

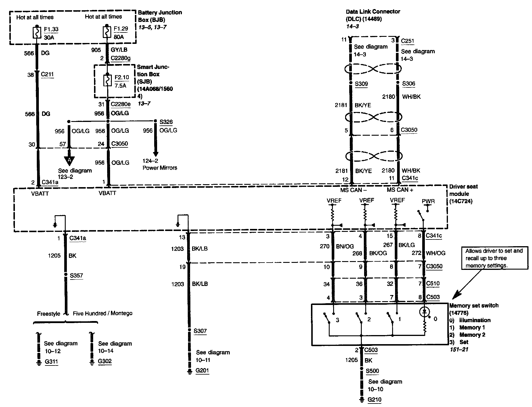
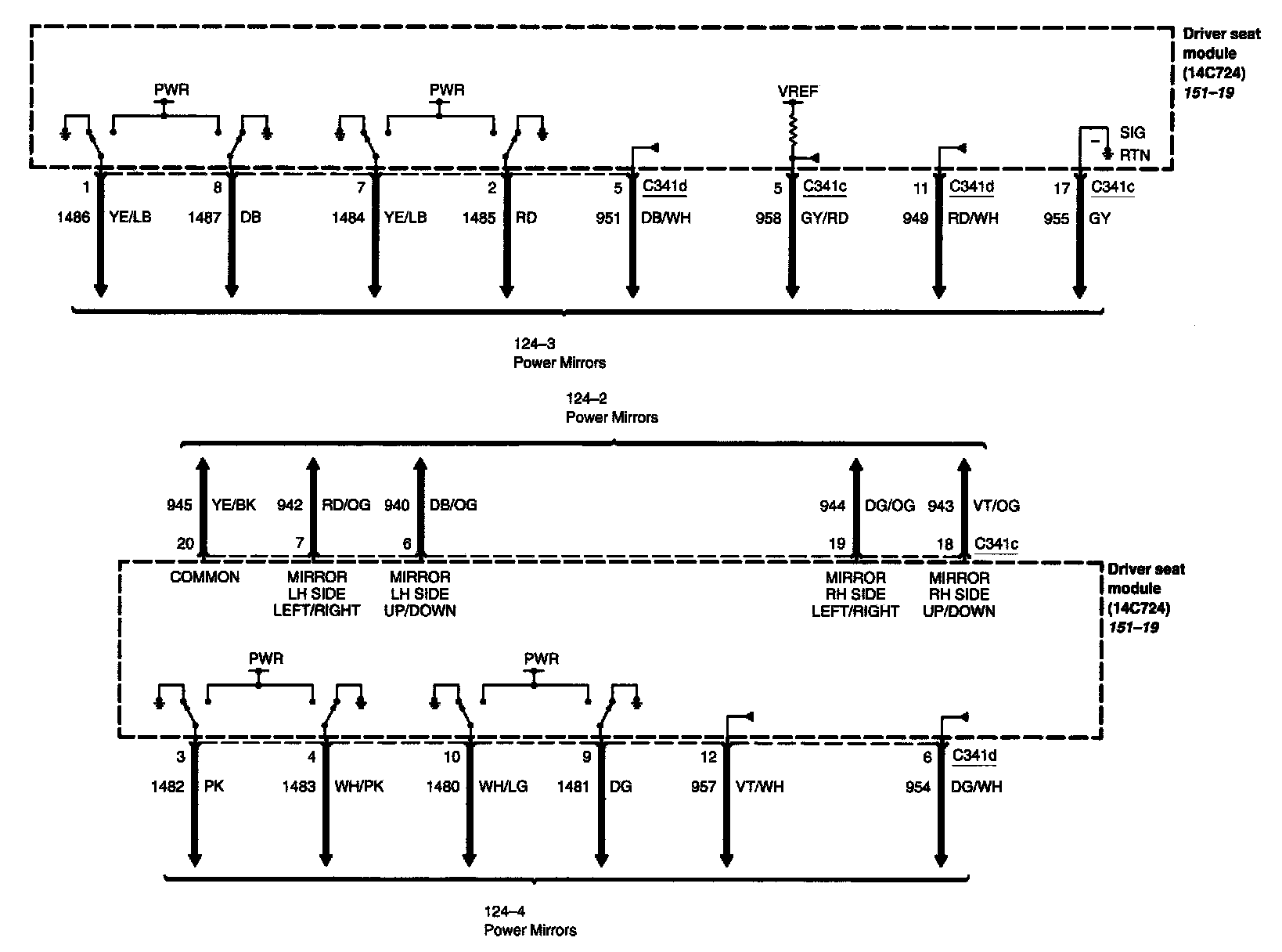
Memory Seats

PLEASE NOTE: Some diagrams may appear to be missing because of gaps in the number sequences. These "gaps" are actually for diagrams that do not apply to the vehicle model selected.


123-1:






123-2:






123-3:






123-4:






Diagrams: Other diagrams referred to by number (See Diagram ##-#, etc.) within these diagrams can be found at Diagrams By Number. Diagrams By Number

Locations: Location Views (reference numbers starting with 151-) referred to within these diagrams can be found at Component Location Views. Component Location Views