Operation CHARM: Car repair manuals for everyone.
Manuals through 2025 now available!

Our trusted friends have launched a new website named LEMON, which has newer manuals. It also contains all the CHARM manuals.

LEMON is the spiritual successor to CHARM, I recommend you try it!

Link: lemon-manuals.la or lemon-manuals.org.ua

(Some people have issue connecting. LEMON is investigating. For now, use Firefox or change your DNS server)

Or, hide this message: temporarily or permanently

Leak Detection Valve: Service and Repair

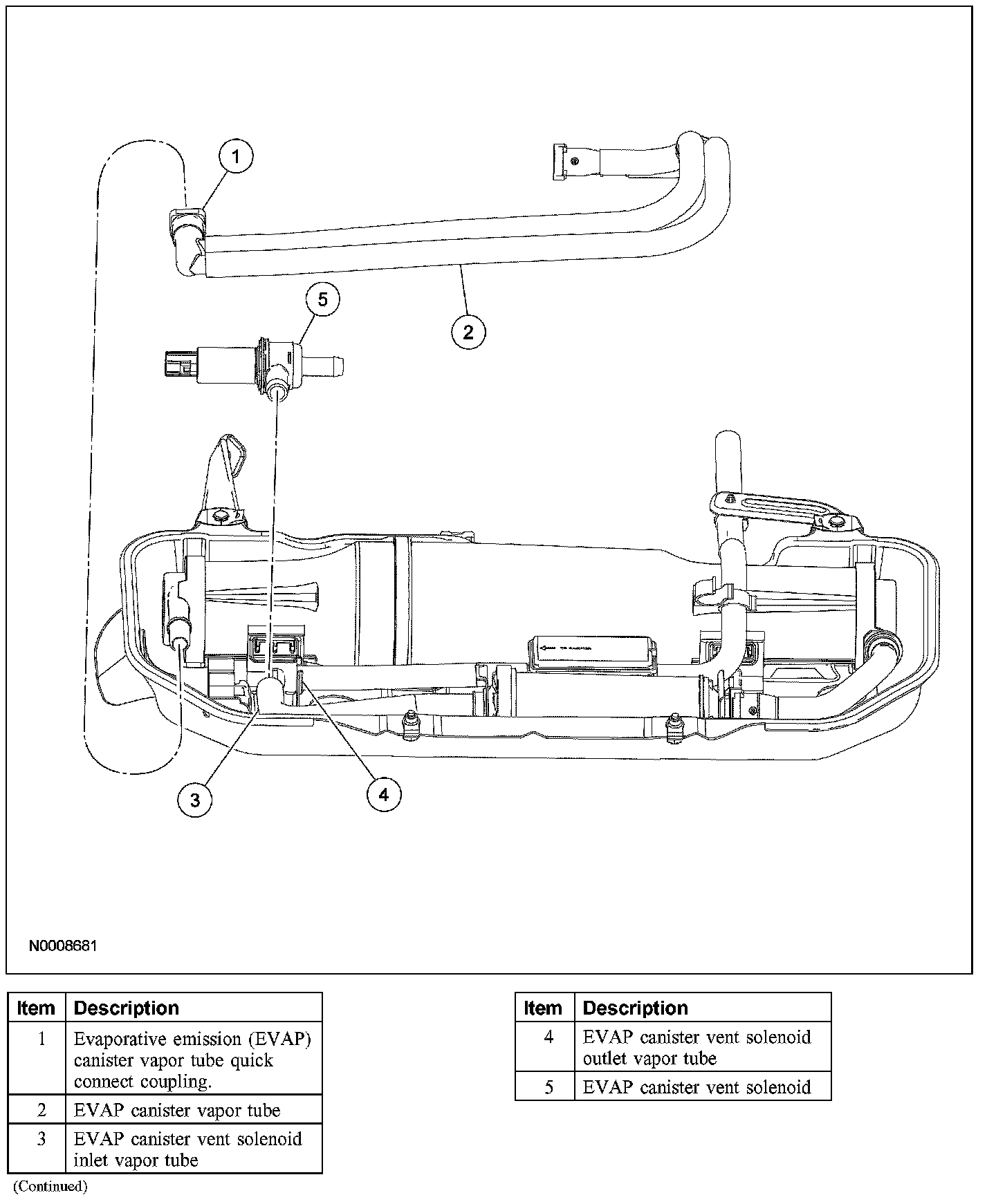
EVAPORATIVE EMISSION CANISTER VENT SOLENOID







Removal and Installation

WARNING:
- The evaporative emission system contains fuel vapor and condensed fuel vapor. Although not in large quantities, it still presents the danger of explosion or fire. Disconnect the battery ground cable from the battery to minimize the possibility of an electrical spark occurring, possibly causing a fire or explosion if fuel vapor or liquid fuel is present in the area. Failure to follow these instructions may result in personal injury.
- Do not smoke or carry lighted tobacco or open flame of any type when working on or near any fuel-related component. Highly flammable mixtures are always present and may be ignited. Failure to follow these instructions can result in personal injury.
- Do not carry personal electronic devices such as cell phones, pagers or audio equipment of any type when working on or near any fuel-related components. Highly flammable mixtures are always present and may be ignited. Failure to follow these instructions can result in personal injury.


1. Disconnect the battery ground cable.
2. Remove the evaporative emission (EVAP) canister.
3. Disconnect the EVAP vapor tube quick connect coupling at the carbon canister.
4. Remove the EVAP vapor tube.
5. Disconnect the EVAP canister vent solenoid inlet vapor tube.
6. Disconnect the EVAP canister vent solenoid outlet vapor tube.
7. Remove the EVAP canister vent solenoid from the canister assembly.
8. To install, reverse the removal procedure.
9. Carry out the evaporative emission system leak test. Evaporative Emission System Leak Test
10. Carry out the evaporative emission repair verification drive cycle. Evaporative Emission Repair Verification Drive Cycle