Operation CHARM: Car repair manuals for everyone.
Manuals through 2025 now available!

Our trusted friends have launched a new website named LEMON, which has newer manuals. It also contains all the CHARM manuals.

LEMON is the spiritual successor to CHARM, I recommend you try it!

Link: lemon-manuals.la or lemon-manuals.org.ua

(Some people have issue connecting. LEMON is investigating. For now, use Firefox or change your DNS server)

Or, hide this message: temporarily or permanently

Engine Control Module: Service and Repair

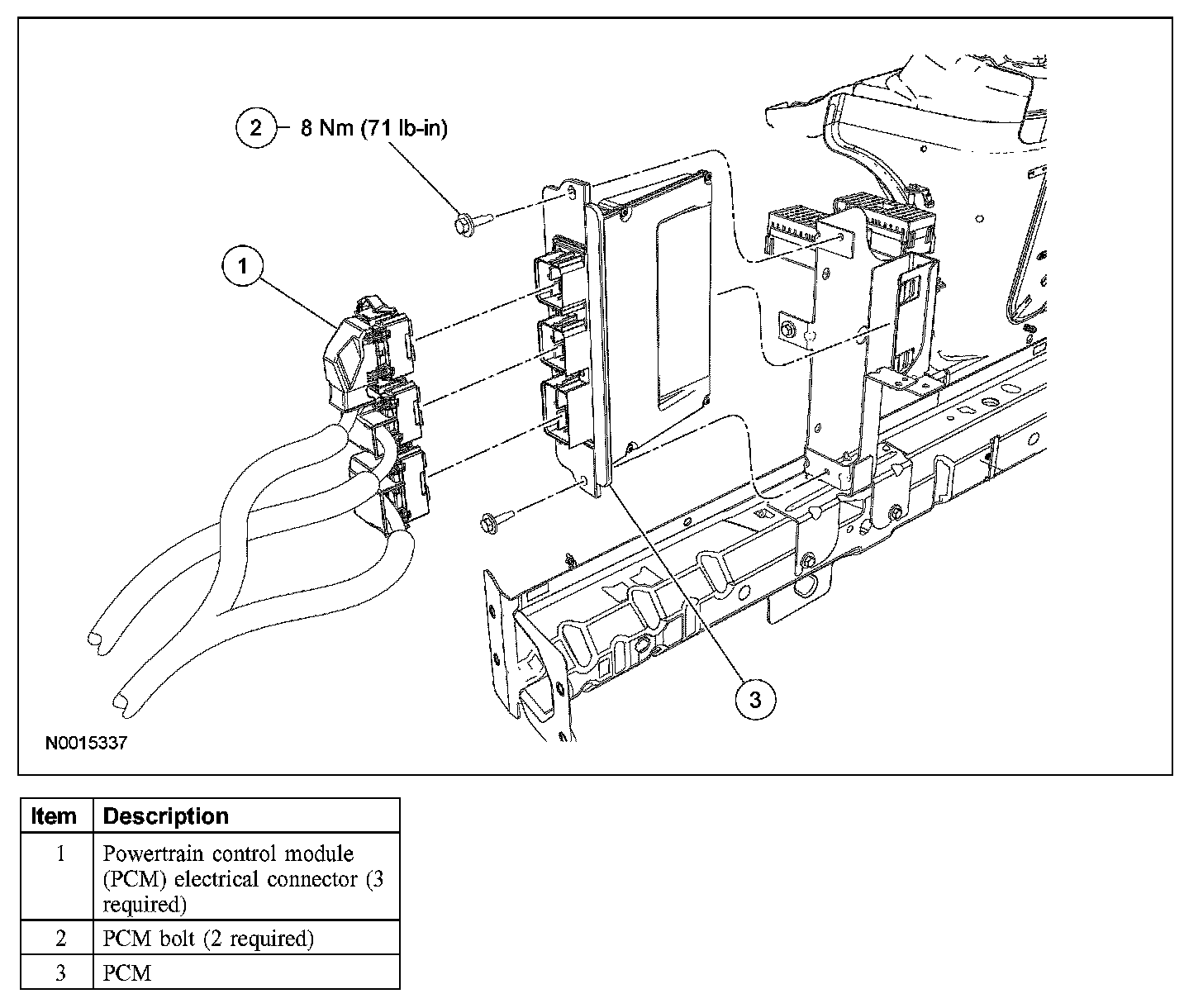
POWERTRAIN CONTROL MODULE (PCM)







Removal and Installation
1. Disconnect the battery ground cable.
2. Disconnect the 3 powertrain control module (PCM) electrical connectors.
3. Remove the 2 bolts and the PCM.
- To install, tighten to 8 Nm (71 lb-in).

4. To install, reverse the removal procedure.