Operation CHARM: Car repair manuals for everyone.
Manuals through 2025 now available!

Our trusted friends have launched a new website named LEMON, which has newer manuals. It also contains all the CHARM manuals.

LEMON is the spiritual successor to CHARM, I recommend you try it!

Link: lemon-manuals.la or lemon-manuals.org.ua

(Some people have issue connecting. LEMON is investigating. For now, use Firefox or change your DNS server)

Or, hide this message: temporarily or permanently

Disassembly and Assembly

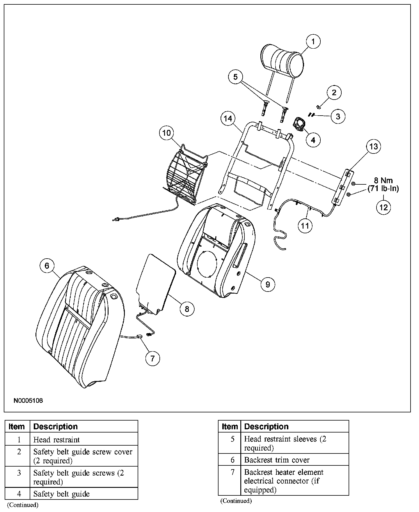
FRONT SEAT BACKREST


Part 1:






Part 2:






Disassembly

WARNING:
- Always wear safety glasses when repairing an air bag supplemental restraint system (SRS) vehicle and when handling an air bag module. This will reduce the risk of injury in the event of an accidental deployment.
- Carry a live side air bag module with the air bag and tear seam pointed away from your body. This will reduce the risk of injury in the event of an accidental deployment.
- Do not set a live side air bag module down on the cover tear seam. This will reduce the risk of injury in the event of an accidental deployment.
- After deployment, the air bag surface can contain deposits of sodium hydroxide, a product of the gas generant combustion that is irritating to the skin. Wash your hands with soap and water afterwards.
- Never probe the connectors on the air bag module. Doing so can result in air bag deployment, which can result in personal injury.
- Side air bag modules with damaged covers must be replaced.
- Front backrest trim covers installed on seats equipped with side air bags cannot be repaired, they are to be replaced (cleaning is permissible).
- Do not disconnect the wire connector at the side air bag module. This is a permanent connection, doing so may result in air bag accidental deployment, which may result in personal injury.
- To reduce the risk of personal injury, do not use any memory saver devices.


NOTE:
- If a seat equipped with a supplemental restraint system (SRS) component is being serviced, the SRS must be depowered.
- The air bag warning lamp illuminates when the RCM fuse is removed and the ignition switch is ON. This is normal operation and does not indicate a supplemental restraint system (SRS) fault.
- The SRS must be fully operational and free of faults before releasing the vehicle to the customer.
- If a side air bag deployment took place the backrest foam pad, trim cover and side air bag module must be replaced. The backrest frame should be replaced if necessary.
- Repair is made by installing a new part only. If the new part does not correct the condition, install the original part and carry out the diagnostic procedure again.
- Driver seat shown, passenger seat similar.

1. Remove the front seat and depower the SRS.
2. Remove the front seat backrest.
3. Remove the head restraint.
4. Remove the 2 safety belt guide screw covers.
5. Remove the 2 screws and the safety belt guide cover.







6. Remove and discard the hog rings.

1 CAUTION: Use care when separating the backrest trim cover from the hook and loop strip, or the hook and loop strip could be torn from the backrest foam.

Reach a hand under the trim cover and separate the hook and loop strips.

2 Peel up the backrest trim cover in an inside-out fashion to the row of hog rings.
3 Remove all the hog rings.







7. NOTE:
- The inboard and outboard head restraint sleeves are not interchangeable.
- The head restraint sleeves incorporate an alignment tab that must face forward when installed.

Squeeze together the tip of the head restraint sleeve and pull the sleeve out of the backrest frame tube.

8. Remove the backrest trim cover.







9. Remove all the hog rings. Remove the backrest foam pad.
10. If equipped, remove the backrest heater element from the backrest foam pad as necessary.
11. Remove the lumbar assembly from the backrest frame.
12. Detach the side air bag wire harness from the backrest frame.
13. Remove the 2 side air bag module nuts and the side air bag module.

Assembly

1. WARNING:
- Inspect the mounting surfaces of the side air bag module and the seat back frame mounting bracket for any foreign objects before installing the side air bag module. If any foreign objects are found, remove them. Failure to do so may result personal injury, in the event of an air bag deployment.
- Before installing the side air bag module, check it for damage and foreign objects. If the air bag module is damaged, replace it. If any foreign objects are found, remove them. Failure to do so may result in personal injury in the event an air bag deployment.
- If the air bag cover has separated or the air bag material has been exposed, install a new side air bag module. Do not attempt to repair the air bag module. Failure to do so may result in personal injury, in the event of an air bag deployment.


Position the side air bag module onto the backrest frame bracket.

2. NOTE: If installing a new side air bag module, use new retaining nuts. If the same side air bag module is to be reused, then reuse the side air bag module nuts.

Install the side air bag module nuts.
- Tighten to 8 Nm (71 lb-in).

3. Attach the side air bag wire harness to the backrest frame.
4. Install the lumbar assembly to the backrest frame.
5. If equipped, install a new backrest heater element to the backrest foam pad as necessary.







6. WARNING: Inspect the side air bag cavity in the backrest foam pad for any foreign objects. If any foreign objects are found remove them. Failure to do so may result in personal injury, in the event of an air bag deployment.

Install the backrest foam pad to the backrest frame and install the hog rings.







7. WARNING: Front backrest trim covers installed on seats equipped with side air bags cannot be repaired. They are to be replaced (cleaning is permissible).

CAUTION: Stainless steel hog rings need to be used on seats with side air bag modules. This will ensure correct deployment of the side air bag.

NOTE: Check that the backrest foam pad is positioned around the backrest frame when repositioning the backrest trim cover.

Install the backrest trim cover.
1 Reposition the backrest trim cover to the row of hog rings.
2 Install the hog rings at each location indicated.

8. NOTE:
- The inboard and outboard head restraint sleeves are not interchangeable.
- The head restraint sleeves incorporate an alignment tab that must face forward when installed.

Install the head restraint sleeves to the backrest frame tube.

9. Install the safety belt guide cover and the 2 screws.
10. Install the 2 safety belt guide screw covers.
11. Install the head restraint.
12. Install the front seat backrest.
13. Install the front seat and repower the SRS.