Operation CHARM: Car repair manuals for everyone.
Manuals through 2025 now available!

Our trusted friends have launched a new website named LEMON, which has newer manuals. It also contains all the CHARM manuals.

LEMON is the spiritual successor to CHARM, I recommend you try it!

Link: lemon-manuals.la or lemon-manuals.org.ua

(Some people have issue connecting. LEMON is investigating. For now, use Firefox or change your DNS server)

Or, hide this message: temporarily or permanently

Part 2

Engine Assembly (Part 2 of 3)





42. Install the RH timing chain tensioner. Install the timing chain tensioner and bolts, and remove the drill rod.





43. CAUTION: The exhaust camshaft sprocket bolt must be fully tightened before tightening the intake camshaft sprocket bolt.

CAUTION: Using the special tool, apply 10 Nm (89 inch lbs.) counterclockwise to the RH exhaust camshaft sprocket.

Tighten the RH exhaust camshaft sprocket and VCT unit bolts in 2 stages:
^ Stage 1: Tighten to 35 Nm (26 ft. lbs.).
^ Stage 2: Tighten an additional 90 degrees.





44. Remove the special tool.





45. Remove the special tool.





46. NOTE: Lubricate the VCT bush carrier seals with clean engine oil.

Carefully insert the bush carrier into the VCT unit, compress ring seals with fingers as required. Fully seat the bush carrier by hand before fitting the bolts and nut.
^ Tighten the bolts to 20 Nm (15 ft. lbs.).
^ Tighten the nut to 10 Nm (89 inch lbs.).





47. CAUTION: Do not use metal scrapers, wire brushes, power abrasive discs, or other abrasive means to clean the sealing surfaces. These tools cause scratches and gouges which make leak paths. Use a plastic scraping tool to remove all traces of old sealant.

NOTE: If the sump is not secured within 4 minutes of sealant application the sealant must be removed and the sealing area cleaned with metal surface cleaner. Allow to dry until there is no sign of wetness, or 4 minutes, whichever is longer. Failure to follow this procedure can cause future oil leakage.

Apply 3 continuous beads of silicone gasket and sealant to the areas shown.





48. Install the oil sump. Using a straightedge, align the sump to the lower cylinder block. Tighten the bolts in sequence in 2 stages.
^ Tighten the bolts to 15 Nm (11 ft. lbs.).
^ Tighten the bolts to 25 Nm (18 ft. lbs.).





49. Install the oil pump and the 4 bolts.
^ Tighten to 12 Nm (9 ft. lbs.).





50. NOTE: Inspect the O-ring seal. install a new O-ring seal if necessary. Lubricate the O-ring seal with clean engine oil.

Install the oil pump screen cover and tube.
^ Tighten to 12 Nm (9 ft. lbs.).





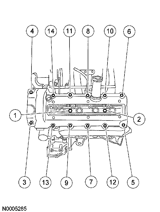
51. NOTE: Make sure all gasket sealing surfaces are clean and dry.

Install a new oil pan gasket, oil pan and 17 bolts.
Tighten the bolts in the sequence shown in 2 stages.
^ Stage 1: Tighten to 5 Nm (44 inch lbs.).
^ Stage 2: Tighten to 12 Nm (9 ft. lbs.).





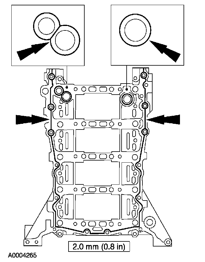
52. Install new engine front cover gaskets.





53. NOTE: If the front cover is not secured within 4 minutes of sealant application, the sealant must be removed and the sealing area cleaned with metal surface cleaner. Allow to dry until there is no sign of wetness, or 4 minutes, whichever is longer. Failure to follow this procedure can cause future oil leakage.

Apply silicone gasket and sealant in the 8 places shown.





54. Install the engine front cover.
^ Position the engine front cover on the cylinder block.
^ Loosely install the bolts.
^ Tighten the bolts in 2 stages in the sequence shown.
^ Stage 1: Tighten to 5 Nm (44 inch lbs.).
^ Stage 2: Tighten to 10 Nm (89 inch lbs.).





55. NOTE: Lubricate the front oil seal and the engine front cover mating surface with clean engine oil.

Using the special tool, install a new front crankshaft seal.





56. NOTE: If crankshaft pulley is not secured within 4 minutes of sealant application the sealant must be removed and the sealing area cleaned with metal surface cleaner. Allow to dry until there is no sign of wetness, or 4 minutes, whichever is longer. Failure to follow this procedure can cause future oil leakage.

Apply a bead of silicone gasket and sealant to the keyway.





57. Using the special tool, install the crankshaft pulley.





58. Install a new bolt and using the special tool to hold the pulley, tighten in 4 stages.
^ Stage 1: Tighten to 80 Nm (59 ft. lbs.).
^ Stage 2: Loosen the bolt 2 complete turns.
^ Stage 3: Tighten to 50 Nm (37 ft. lbs.).
^ Stage 4: Tighten an additional 90 degrees.





59. Install a new gasket, LH exhaust manifold, spacers and bolts. Tighten the bolts to 25 Nm (18 ft. lbs.) in the sequence shown.





60. Install a new gasket, RH exhaust manifold, spacers and bolts. Tighten the bolts to 25 Nm (18 ft. lbs.) in the sequence shown.





61. NOTE: LH shown, RH similar.

Install the 2 exhaust manifold heat shields and 8 bolts.
^ Tighten to 3 Nm (27 inch lbs.).





62. NOTE: LH shown, RH similar.

Install the 2 exhaust manifold heat shield stud bolts.
^ Tighten to 50 Nm (37 ft. lbs.).





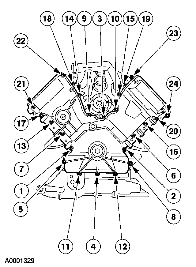
63. Install a new gasket, EGR tube and 2 nuts.
^ Tighten to 20 Nm (15 ft. lbs.).





64. NOTE: RH shown, LH similar.

Install new valve cover gaskets.





65. NOTE: RH shown, LH similar.

NOTE: If the valve covers are not secured within 4 minutes of sealant application the sealant must be removed and the sealing area cleaned with metal surface cleaner. Allow to dry until there is no sign of wetness, or 4 minutes, whichever is longer. Failure to follow this procedure can cause future oil leakage.

Apply 4 beads of silicone gasket and sealant as shown.





66. Install the LH valve cover.
Tighten the bolts in the sequence shown to 10 Nm (89 inch lbs.).





67. Install the RH valve cover. Tighten the bolts in the sequence shown to 10 Nm (89 inch lbs.).





68. Install a new gasket and the coolant pump.

Install the 5 bolts and tighten in 2 stages.
^ Stage 1: Tighten to 8 Nm (71 inch lbs.).
^ Stage 2: Tighten an additional 90 degrees.





69. Install the throttle body coolant hose.





70. Install a new O-ring seal, the coolant inlet housing and the 4 bolts.
^ Tighten to 10 Nm (89 inch lbs.).
71. Install new O-ring seals, the coolant bypass housing and the 4 bolts.
^ Tighten to 10 Nm (89 inch lbs.).





72. Install new intake manifold gaskets.





73. Install the intake manifold, the 7 bolts and the 3 studs.
Tighten the 7 bolts and the 3 studs in the sequence shown to 20 Nm (15 ft. lbs.).





74. Connect the 2 throttle body coolant hoses.





75. CAUTION: Use O-ring seals that are made of special fuel-resistant material. Use of ordinary O-rings can cause the fuel system to leak. Do not reuse the O-ring seals.

Install 16 new O-ring seals onto the fuel injectors.
^ Lubricate the O-ring seals with clean engine oil.
^ Install the fuel injectors and clips onto the fuel rail.





76. Install the fuel rail and injector assembly and the 4 bolts.
^ Tighten to 10 Nm (89 inch lbs.).





77. NOTE: RH shown, LH similar.

Install the 2 radio interference ignition capacitors and nuts.
^ Tighten to 10 Nm (89 inch lbs.).





78. Install a new gasket, the Exhaust Gas Recirculation (EGR) system module and bolts.
^ Tighten the bolts to 25 Nm (18 ft. lbs.).
^ Tighten the EGR tube nut to 40 Nm (30 ft. lbs.).





79. Install the starter motor and 2 bolts.
^ Tighten to 25 Nm (18 ft. lbs.).





80. Install the generator bracket and 4 bolts.
^ Tighten to 42 Nm (31 ft. lbs.).





81. Install the generator, the bolt and the 2 nuts.
^ Tighten to 40 Nm (30 ft. lbs.).





82. Install the crankcase vent tube.





83. Install the 8 ignition coils and bolts.
^ Tighten to 5 Nm (44 inch lbs.).