Operation CHARM: Car repair manuals for everyone.
Manuals through 2025 now available!

Our trusted friends have launched a new website named LEMON, which has newer manuals. It also contains all the CHARM manuals.

LEMON is the spiritual successor to CHARM, I recommend you try it!

Link: lemon-manuals.la or lemon-manuals.org.ua

(Some people have issue connecting. LEMON is investigating. For now, use Firefox or change your DNS server)

Or, hide this message: temporarily or permanently

Condenser HVAC: Service and Repair

CONDENSER CORE







Removal and Installation

CAUTION: Refrigerant compressor oil (mineral oil) should be used to lubricate R-134a refrigerant system O-ring seals only and should not be added to the R-134a refrigerant system as an A/C compressor lubricant. PAG refrigerant compressor oil only should be used as an A/C compressor lubricant.

NOTE: Installation of a new receiver/drier is not required when repairing the air conditioning system except when there is physical evidence of contamination from a failed A/C compressor or damage to the receiver/drier.

1. Position the vehicle on a hoist with the gear selector in NEUTRAL.
2. Recover the refrigerant.
3. Remove the center underbody deflector shield.
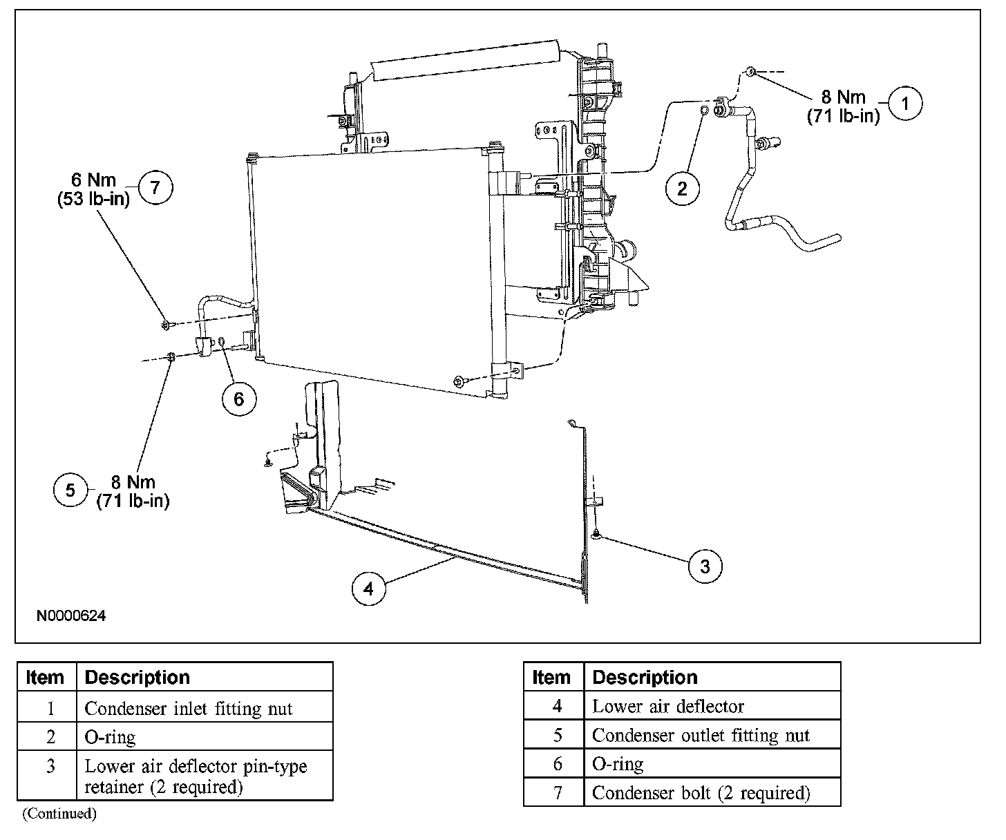
4. Remove the condenser inlet fitting nut.
- Discard the O-ring seal.
- To install, tighten to 8 Nm (71 lb-in).

5. Remove the 2 lower air deflector pin-type retainers.
6. Remove the lower air deflector.
7. Remove the condenser outlet fitting nut.
- Discard the O-ring seal.
- To install, tighten to 8 Nm (71 lb-in).

8. Remove the 2 condenser bolts and the condenser.
- To install, tighten to 6 Nm (53 lb-in).

9. To install, reverse the removal procedure.
- Install new O-ring seals lubricated in clean mineral oil.
- Lubricate the refrigerant system with the correct amount of clean PAG oil.

10. Evacuate, leak test and charge the refrigerant system.