Operation CHARM: Car repair manuals for everyone.
Manuals through 2025 now available!

Our trusted friends have launched a new website named LEMON, which has newer manuals. It also contains all the CHARM manuals.

LEMON is the spiritual successor to CHARM, I recommend you try it!

Link: lemon-manuals.la or lemon-manuals.org.ua

(Some people have issue connecting. LEMON is investigating. For now, use Firefox or change your DNS server)

Or, hide this message: temporarily or permanently

Windshield Washer Switch: Service and Repair

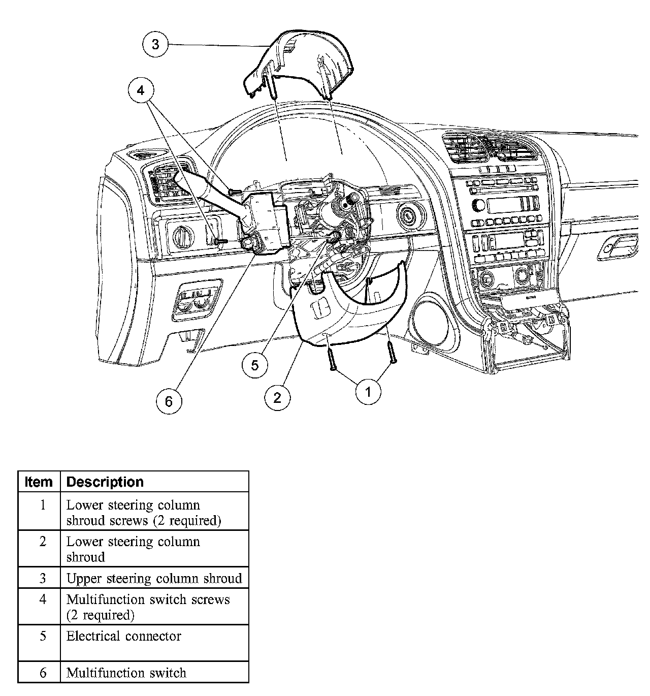
Steering Column Multifunction Switch





Removal and Installation
1. Remove the steering wheel.
2. Tilt the steering column all the way down and extend it all the way out.
3. Position the front wheels to the straight-ahead position.
4. Remove the 2 lower steering column shroud screws.
5. Remove the lower steering column shroud.
6. Remove the upper steering column shroud.
7. Remove the 2 multifunction switch screws.
8. Disconnect the electrical connector.





9. Release the 2 tabs and slide the multifunction switch out of the clockspring.
10. To install, reverse the removal procedure.