Operation CHARM: Car repair manuals for everyone.
Manuals through 2025 now available!

Our trusted friends have launched a new website named LEMON, which has newer manuals. It also contains all the CHARM manuals.

LEMON is the spiritual successor to CHARM, I recommend you try it!

Link: lemon-manuals.la or lemon-manuals.org.ua

(Some people have issue connecting. LEMON is investigating. For now, use Firefox or change your DNS server)

Or, hide this message: temporarily or permanently

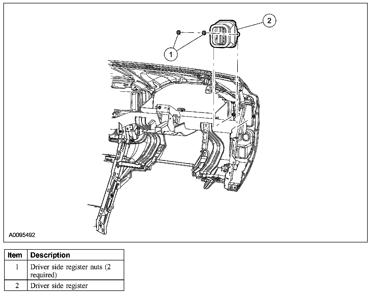
Air Register: Service and Repair

REGISTER - DRIVER SIDE







Removal and Installation
1. Remove the center register duct.
2. Remove the 2 driver side register nuts and the driver side register.
3. To install, reverse the removal procedure.

REGISTER - CENTER







Removal and Installation
1. Remove the instrument panel center finish panel.
2. Release the tabs and remove the RH and LH center registers.
3. To install, reverse the removal procedure.

REGISTER - PASSENGER SIDE







Removal and Installation
1. Remove the center register duct.
2. Remove the 2 passenger side register nuts and the passenger side register.
3. To install, reverse the removal procedure.