Front Fender: Service and Repair
FENDERFender And Splash Shield (Part 1):
Fender And Splash Shield (Part 2):
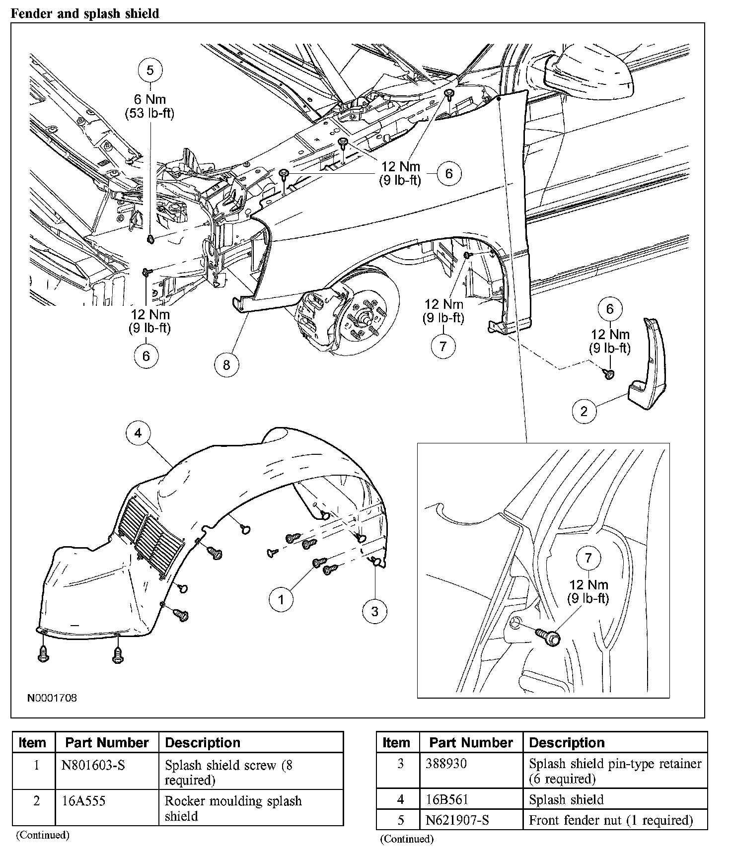
Exploded View
Removal and Installation
1. Remove the wheel and tire.
2. Remove the front bumper cover.
3. Remove the front rocker moulding.
4. Remove the 8 splash shield screws.
5. Remove the rocker moulding splash shield.
6. Remove the front fender nut.
- To install, tighten to 6 Nm (53 lb-in).
7. Remove the 5 outer fender bolts.
- To install, tighten to 12 Nm (9 lb-ft).
8. Remove the 2 inner fender bolts.
- To install, tighten to 12 Nm (9 lb-ft).
9. Remove the front fender.
10. To install, reverse the removal procedure.