Operation CHARM: Car repair manuals for everyone.
Manuals through 2025 now available!

Our trusted friends have launched a new website named LEMON, which has newer manuals. It also contains all the CHARM manuals.

LEMON is the spiritual successor to CHARM, I recommend you try it!

Link: lemon-manuals.la or lemon-manuals.org.ua

(Some people have issue connecting. LEMON is investigating. For now, use Firefox or change your DNS server)

Or, hide this message: temporarily or permanently

Part 1



ASSEMBLY












Lower Engine Block (View 1)









Lower Engine Block (View 2)









Front Engine Block









Cylinder Head









Intake Manifold








CAUTION: Do not loosen or remove the crankshaft pulley bolt without first installing the special tools as instructed in this procedure. The crankshaft pulley and the crankshaft timing sprocket are not keyed to the crankshaft. The crankshaft, the crankshaft sprocket and the pulley are fitted together by friction, using diamond washers between the flange faces on each part. For that reason, the crankshaft sprocket is also unfastened if you loosen the pulley bolt. Before any repair requiring loosening or removal of the crankshaft pulley bolt, the crankshaft and camshafts must be locked in place by the special service tools, otherwise severe engine damage can occur.

CAUTION: The crankshaft, the crankshaft sprocket and the pulley are fitted together by friction, using diamond washers between the flange faces on each part. For that reason, the crankshaft sprocket is also unfastened if you loosen the pulley. Therefore, the engine must be retimed each time the damper is removed. Otherwise severe engine damage can occur.

NOTE: Assembly of the engine requires various inspections/measurements of the engine components (engine block, crankshaft, connecting rods, pistons and piston rings). These inspections/measurements will aid in determining if the engine components will require replacement.

All vehicles

1. NOTE: If the oil squirters are being reused, they must be installed in the same location as marked during disassembly.

NOTE: The front bulkhead does not have an oil squirter.





Install the 4 oil squirters.
^ Tighten to 4 Nm (35 lb-in).





2. Measure each of the crankshaft main bearing journal diameters in at least 2 directions and record the smallest diameter for each journal.





3. Position the main bearing beam in the engine block with the main bearing beam mounted flush with the rear face of the engine block.





4. Using the original main bearing beam bolts, install and tighten the 10 main bearing beam bolts.
^ Tighten the bolts in the sequence shown in 3 stages.
^ Stage 1: Tighten to 5 Nm (44 lb-in).
^ Stage 2: Tighten to 25 Nm (18 lb-ft).
^ Stage 3: Tighten an additional 90 degrees.





5. Measure each crankshaft block housing main bearing bore diameter.
^ Remove the bolts and the main bearing beam.
^ Discard the main bearing beam bolts.

6. Using the chart, select the crankshaft main bearings.

7. NOTICE: The rod cap installation must keep the same orientation as marked during disassembly or engine damage may occur.





Using the original connecting rod cap bolts, install the connecting caps and bolts.
^ Tighten the bolts in 2 stages.
^ Stage 1: Tighten to 29 Nm (21 lb-ft).
^ Stage 2: Tighten an additional 90 degrees.





8. Measure the connecting rod large end bore in 2 directions. Record the smallest measurement for each connecting rod.
^ Remove the bolts and the connecting rod cap.
^ Discard the connecting rod cap bolts.





9. Measure each of the crankshaft connecting rod bearing journal diameters in at least 2 directions. Record the smallest measurement for each connecting rod journal.





10. Using the chart, select the correct connecting rod bearings for each crankshaft connecting rod journal.

11. NOTE: Before assembling the cylinder block, all sealing surfaces must be free of chips, dirt, paint and foreign material. Also, make sure the coolant and oil passages are clear.

NOTE: If reusing the crankshaft main bearings, install them in their original positions and orientation as noted during disassembly.

NOTE: The center bulkhead is the thrust bearing.





Lubricate the upper crankshaft main bearings with clean engine oil and install the 5 crankshaft main bearings in the cylinder block.

12. NOTE: If reusing the crankshaft main bearings, install them in their original positions and orientation as noted during disassembly.





Lubricate the crankshaft main bearings with clean engine oil and install the 5 crankshaft main bearings in the main bearing beam.

13. Lubricate journals on the crankshaft with clean engine oil.





14. Position the crankshaft in the cylinder block.





15. Lubricate the 10 main bearing beam side fit surfaces (front 2 shown) with clean engine oil.





16. Lubricate the crankshaft bearing journals on the main bearing beam with clean engine oil. Then position the main bearing beam in the engine block with the main bearing beam mounted flush with the rear face of the engine block.

17. NOTE: Lubricate the main bearing beam bolts threads and under the bolt heads with clean engine oil.

NOTE: Position the crankshaft to the rear of the cylinder block, then position the crankshaft to the front of the cylinder block before tightening the main bearing beam bolts.





Install and tighten the 10 new main bearing beam bolts.
^ Tighten the bolts in the sequence shown in 3 stages.
^ Stage 1: Tighten to 5 Nm (44 lb-in).
^ Stage 2: Tighten to 25 Nm (18 lb-ft).
^ Stage 3: Tighten an additional 90 degrees.





18. Using the Dial Indicator Gauge with Holding Fixture, measure crankshaft end play.
^ Position the crankshaft to the rear of the cylinder block.
^ Zero the Dial Indicator Gauge with Holding Fixture.
^ Move the crankshaft to the front of the cylinder block. Note and record the crankshaft end play.
^ Acceptable crankshaft end play is 0.22-0.43 mm (0.008-0.016 in). If the crankshaft end play exceeds the specified range, install new parts as necessary.

19. NOTICE: Be sure not to scratch the cylinder wall or crankshaft journal with the connecting rod. Push the piston down until the connecting rod bearing seats on the crankshaft journal.

NOTE: Lubricate the pistons, piston rings, connecting rod bearings and the entire cylinder bores with clean engine oil.

NOTE: Make sure the piston arrow on top is facing toward the front of the engine.





Using the Piston Ring Compressor and the Connecting Rod Installer, install the piston and connecting rod assemblies.
^ When installing the pistons and connecting rod assemblies, the oil ring gaps must be positioned 60 degrees apart from each other and a minimum of 90 degrees from the expander gap.
^ The position of the upper and lower compression ring gaps are not controlled for installation.

20. NOTICE: The rod cap installation must keep the same orientation as marked during disassembly or engine damage may occur.

NOTE: Install connecting rod caps and bolts on the connecting rods for cylinders 1 and 4 first and tighten. Then rotate crankshaft 180 degrees and install connecting rod caps and bolts on connecting rods for cylinders 2 and 3 and tighten.

NOTE: After installation of each connecting rod cap, rotate the crankshaft to verify smooth operation.





Install the connecting rod caps and the new bolts.
^ Tighten the bolts in 2 stages.
^ Stage 1: Tighten to 29 Nm (21 lb-ft).
^ Stage 2: Tighten an additional 90 degrees.





21. Install the Crankshaft TDC Timing Peg and rotate the crankshaft slowly clockwise until the crankshaft balance weight is up against the Crankshaft TDC Timing Peg. The engine is now at Top Dead Center (TDC).

22. NOTICE: Due to the precision interior construction of the balancer unit, it should not be disassembled.

NOTE: The original adjustment shims must be installed in their original position.

NOTE: Confirm by visual inspection that there is no damage to the balancer unit gear and verify that the shaft turns smoothly. If there is any damage or malfunction, replace the balancer unit.

Install the adjustment shims in their original position on the seat faces of the balancer unit.





23. With the balancer unit shaft marks in the TDC position, slowly install the balancer unit to the cylinder block to avoid interference between the crankshaft drive gear and the balancer unit driven gear.





24. Install the balancer unit bolts.
^ Tighten in the sequence shown in 2 stages.
^ Stage 1: Tighten to 25 Nm (18 lb-ft).
^ Stage 2: Tighten to 50 Nm (37 lb-ft).





25. Remove the Crankshaft TDC Timing Peg.

26. Rotate the crankshaft to confirm that there are no meshing problems between the balancer unit gear and the crankshaft gear.





27. Install the Crankshaft TDC Timing Peg and rotate the crankshaft slowly clockwise until the crankshaft balance weight is up against the Crankshaft TDC Timing Peg.
^ Remove the Crankshaft TDC Timing Peg.

28. NOTE: Measure the backlash and verify that it is within specified range at all of the following 6 positions: 10 degrees, 30 degrees, 100 degrees, 190 degrees, 210 degrees and 280 degrees. It will be necessary to reset the measuring equipment between measurements.

NOTE: The measurement must be taken with the Dial Indicator Gauge with Holding Fixture, a 5-mm Allen wrench and worm clamp set up as shown. Mark the Allen wrench with a file 80 mm (3.149 in) above the driven gear shaft center. Make sure the worm clamp and Allen wrench are not touching the balance shaft housing.

NOTE: For an accurate measurement while measuring the gear backlash, insert a screwdriver as shown into the crankshaft No. 1 crankweight area and set both the rotation and the thrust direction with the screwdriver, using a prying action as shown.





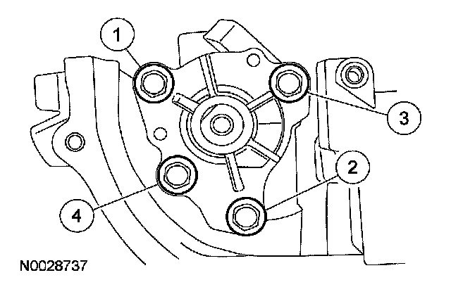
Position the Dial Indicator Gauge with Holding Fixture as shown. Measure the gear backlash.
^ Position the Dial Indicator Gauge with Holding Fixture (1) on the Allen wrench 80 mm (3.149 in) above the driven gear shaft center (2) on the balancer unit.
^ Rotate the crankshaft clockwise and measure the backlash at all of the following 6 positions: 10 degrees, 30 degrees, 100 degrees, 190 degrees, 210 degrees and 280 degrees.
^ Backlash specifications are 0.005 to 0.101 mm (0.00019 to 0.0039 in).
^ If the backlash exceeds the specified range, carry out the Balance Shaft Backlash procedure.

29. WARNING: Failure to position the No. 1 piston at top dead center (TDC) can result in damage to the engine. Turn the engine in the normal direction of rotation only.

Turn the crankshaft clockwise to position the No. 1 piston at TDC.

30. NOTE: The special tool will contact the crankshaft and prevent it from turning past TDC. However, the crankshaft can still be rotated in the counterclockwise direction. The crankshaft must remain at the TDC position until the timing drive components and crankshaft pulley are installed.





Install the special tool.





31. NOTE: Clean the oil pump and cylinder block mating surfaces with metal surface cleaner.

Install the oil pump assembly. Tighten the bolts in the sequence shown in 2 stages:
^ Stage 1: Tighten to 10 Nm (89 inch lbs.).
^ Stage 2: Tighten to 20 Nm (15 ft. lbs.).





32. Install a new oil pump pickup tube gasket and the pickup tube.
^ Tighten to 10 Nm (89 inch lbs.).





33. Using the special tool, install the crankshaft rear main oil seal.





34. Tighten the crankshaft rear main oil seal bolts in the sequence shown.
^ To install, tighten to 10 Nm (89 inch lbs.).

35. CAUTION: Do not use metal scrapers, wire brushes, power abrasive discs or other abrasive means to clean the sealing surfaces. These tools cause scratches and gouges, which make leak paths. Use a plastic scraping tool to remove traces of sealant.

Clean and inspect all mating surfaces.





36. NOTE: If the oil pan Is not secured within 4 minutes of sealant application, the sealant must be removed and the sealing area cleaned with metal surface cleaner. Allow to dry until there is no sign of wetness, or 4 minutes, whichever is longer. Failure to follow this procedure can cause future oil leakage.

Apply a 2.5 mm (0.09 inch) bead of silicone gasket and sealant to the oil pan. Install the oil pan. Install the 2 oil pan bolts finger-tight.





37. Using a suitable straight edge, align the front surface of the oil pan flush with the front surface of the engine block.





38. Install the remaining oil pan bolts and tighten the oil pan bolts in the sequence shown.
^ Tighten to 25 Nm (18 ft. lbs.).

39. NOTICE: Do not use metal scrapers, wire brushes, power abrasive discs or other abrasive means to clean the sealing surfaces. These tools cause scratches and gouges that make leak paths. Use a plastic scraping tool to remove all traces of the head gasket.

NOTICE: Observe all warnings and cautions and follow all application directions contained on the packaging of the silicone gasket remover and the metal surface prep.

NOTE: If there is no residual gasket material present, metal surface prep can be used to clean and prepare the surfaces.

Clean the cylinder head-to-cylinder block mating surface of both the cylinder head and the cylinder block.
1. Remove any large deposits of silicone or gasket material with a plastic scraper.
2. Apply silicone gasket remover, following package directions, and allow to set for several minutes.
3. Remove the silicone gasket remover with a plastic scraper. A second application of silicone gasket remover may be required if residual traces of silicone or gasket material remain.
4. Apply metal surface prep, following package directions, to remove any traces of oil or coolant, and to prepare the surfaces to bond with the new gasket. Do not attempt to make the metal shiny. Some staining of the metal surfaces is normal.

40. Support the cylinder head on a bench with the head gasket side up.





41. Install the cylinder head alignment dowels. Dowels must be fully seated in the cylinder block.





42. Apply silicone gasket and sealant to the locations shown.





43. Install a new head gasket.





44. NOTE: The cylinder head bolts are torque-to-yield and must not be reused. New cylinder head bolts must be installed.

NOTE: Lubricate the bolts with clean engine oil prior to installation.

Install new cylinder head bolts. Tighten the bolts in the sequence shown in 5 stages:
^ Stage 1: Tighten to 5 Nm (44 inch lbs.).
^ Stage 2: Tighten to 15 Nm (11 ft. lbs.).
^ Stage 3: Tighten to 45 Nm (33 ft. lbs.).
^ Stage 4: Turn 90°.
^ Stage 5: Turn an additional 90°.