Operation CHARM: Car repair manuals for everyone.
Manuals through 2025 now available!

Our trusted friends have launched a new website named LEMON, which has newer manuals. It also contains all the CHARM manuals.

LEMON is the spiritual successor to CHARM, I recommend you try it!

Link: lemon-manuals.la or lemon-manuals.org.ua

(Some people have issue connecting. LEMON is investigating. For now, use Firefox or change your DNS server)

Or, hide this message: temporarily or permanently

Fluid Line/Hose: Service and Repair

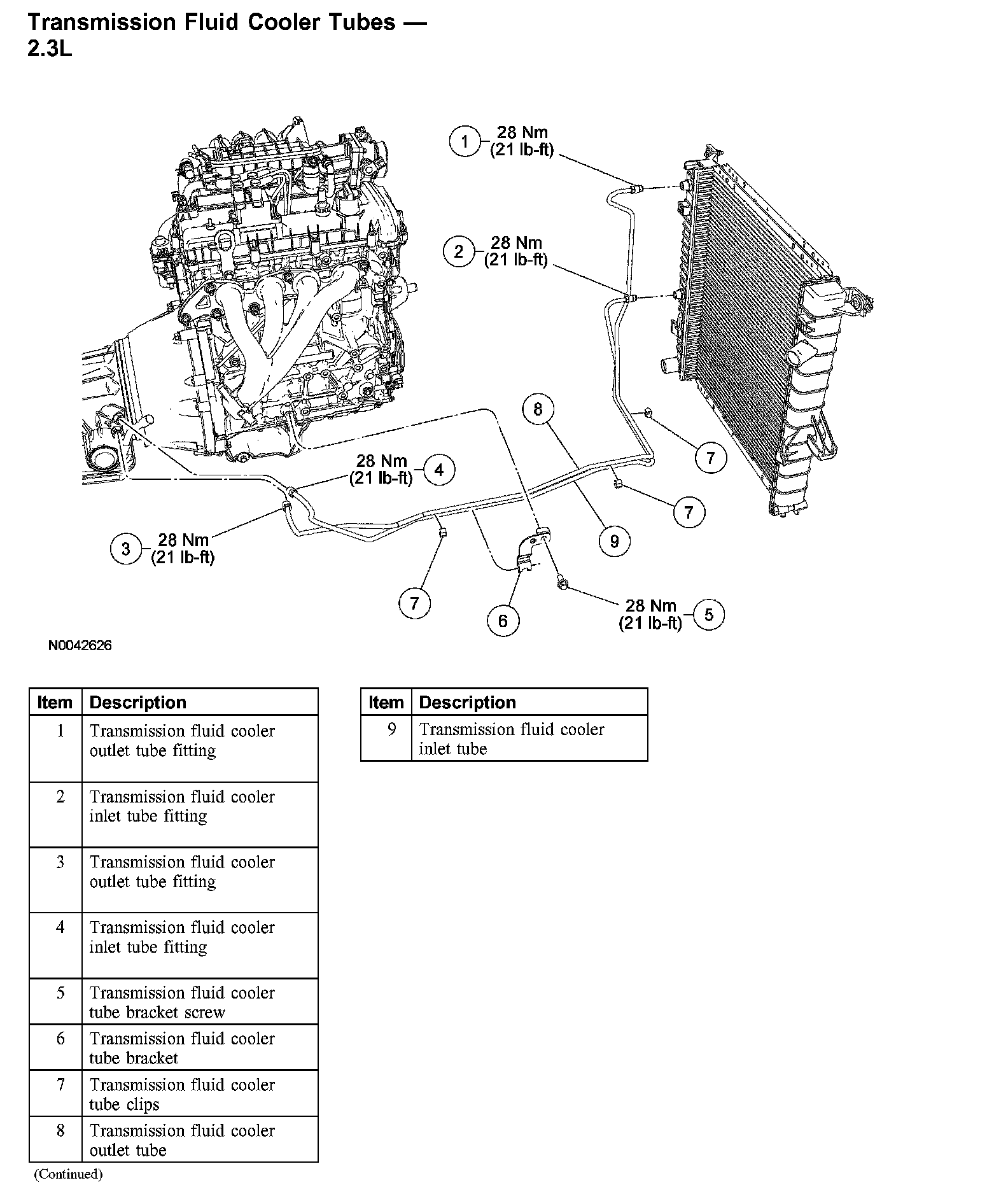
Transmission Fluid Cooler Tubes - 2.3L





Removal
1. With the vehicle in NEUTRAL, position it on a hoist.
2. Disconnect the transmission fluid cooler inlet and outlet tubes from the radiator.
3. Disconnect the transmission fluid cooler inlet and outlet tubes from the transmission.
4. Remove the transmission fluid cooler tube bracket and the transmission fluid cooler inlet and outlet tubes from the engine.

Installation
1. Install the transmission fluid cooler inlet and outlet tubes and bracket onto the engine.
^ Tighten to 28 Nm (21 ft. lbs.).
2. Connect the transmission fluid cooler inlet and outlet tubes to the transmission.
^ Tighten to 28 Nm (21 ft. lbs.).
3. Connect the transmission fluid cooler inlet and outlet tubes to the radiator.
^ Tighten to 28 Nm (21 ft. lbs.).