Operation CHARM: Car repair manuals for everyone.
Manuals through 2025 now available!

Our trusted friends have launched a new website named LEMON, which has newer manuals. It also contains all the CHARM manuals.

LEMON is the spiritual successor to CHARM, I recommend you try it!

Link: lemon-manuals.la or lemon-manuals.org.ua

(Some people have issue connecting. LEMON is investigating. For now, use Firefox or change your DNS server)

Or, hide this message: temporarily or permanently

Upper Intake Manifold

Upper Intake Manifold

Upper Intake Manifold:











Removal

CAUTION: During engine repair procedures, cleanliness is extremely important. Any foreign material, including any material created while cleaning gasket surfaces that enters the oil passages, coolant passages or the oil pan, can cause engine failure.

1. Disconnect the battery ground cable. For additional information, refer to Battery.
2. Remove the air cleaner outlet pipe. For additional information, refer to Fuel Delivery and Air Induction.
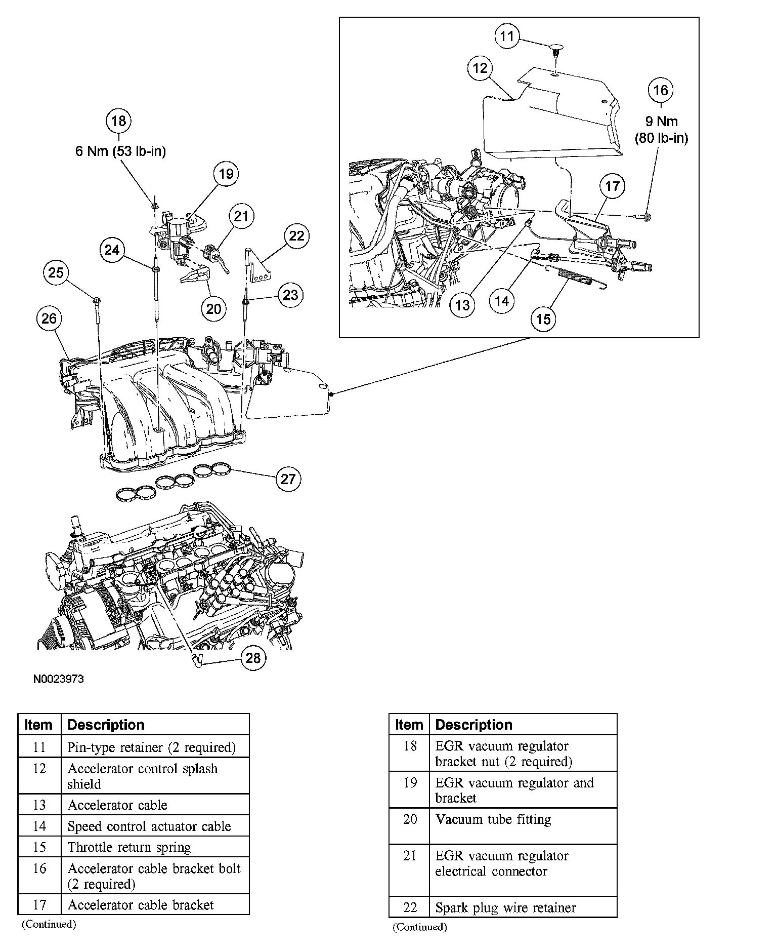
3. Remove the 2 pin-type retainers and the accelerator control splash shield.
4. Disconnect the accelerator cable, speed control cable and throttle return spring from the throttle body.
5. Remove the 2 accelerator cable bracket bolts and position the accelerator cables and bracket aside.
6. Disconnect the throttle position (TP) sensor and the intake air control (IAC) electrical connectors.
^ Detach the harness retainer from the throttle body stud bolt.
7. Disconnect the evaporative emissions (EVAP) return tube from the upper intake manifold.
8. Remove the upper intake manifold support bracket bolt and nuts.
^ Position the bracket and harness aside.
9. Disconnect the exhaust gas recirculation (EGR) tube from the EGR valve.
10. Disconnect the positive crankcase ventilation (PCV) tube from the upper intake manifold.
11. Disconnect the PCV tube from the PCV valve and remove the tube.
12. Disconnect the vacuum tube from the fuel rail pressure (FRP) sensor and the EGR vacuum regulator.
13. Disconnect the EGR vacuum regulator and intake manifold runner control (IMRC) electrical connectors.
14. Remove the 2 nuts and the EGR vacuum regulator.
15. Detach the spark plug wire retainer from the valve cover stud.
16. Remove the 3 stud bolts, the bolt and the upper intake manifold.

Installation





1. NOTE: Clean and inspect the upper intake manifold sealing surfaces. Inspect the upper intake manifold gaskets and install new gaskets as necessary.

Position the gaskets, upper intake manifold and radio ignition frequency capacitor. Loosely install the stud bolts and bolt.
^ Tighten in the sequence shown to 10 Nm (89 inch lbs.).
2. Attach the spark plug wire holder to the valve cover stud.
3. Position the EGR vacuum regulator and install the 2 nuts.
^ Tighten to 6 Nm (53 inch lbs.).
4. Connect the EGR vacuum regulator solenoid and IMRC electrical connectors.
5. Connect the vacuum tube to the FRP sensor and the EGR vacuum regulator.
6. Connect the PCV tube to the PCV valve.
7. Connect the PCV tube to the upper intake manifold.
8. Connect the EGR tube to the EGR valve.
^ Tighten to 50 Nm (37 ft. lbs.).
9. Position the upper intake manifold support bracket and install the bolt and nut.
^ Tighten the nut to 6 Nm (53 inch lbs.).
^ Tighten the bolt to 50 Nm (37 ft. lbs.).
10. Connect the EVAP return tube to the upper intake manifold.
11. Connect the TP sensor and the IAC electrical connectors.
^ Attach the harness retainer to the throttle body stud bolt.
12. Position the accelerator cable bracket and install the 2 bolts.
^ Tighten to 9 Nm (80 inch lbs.).
13. Connect the accelerator cable, speed control cable and throttle return spring to the throttle body.
14. Position the accelerator control splash shield and install the 2 pin-type retainers.
15. Install the air cleaner outlet pipe. For additional information, refer to Fuel Delivery and Air Induction.
16. Connect the battery ground cable. For additional information, refer to Battery.