Operation CHARM: Car repair manuals for everyone.
Manuals through 2025 now available!

Our trusted friends have launched a new website named LEMON, which has newer manuals. It also contains all the CHARM manuals.

LEMON is the spiritual successor to CHARM, I recommend you try it!

Link: lemon-manuals.la or lemon-manuals.org.ua

(Some people have issue connecting. LEMON is investigating. For now, use Firefox or change your DNS server)

Or, hide this message: temporarily or permanently

Part 2

Engine

Disassembly (Steps 36-70)
36. Remove the crankshaft sensor ring from the crankshaft.





37. CAUTION: The balance shaft bearing caps must be reinstalled in their original locations. Record the balance shaft bearing caps locations.

Remove the 6 bolts and remove the balance shaft bearing caps.





38. Remove the balance shaft.





39. CAUTION: Use care when removing the spark plugs.

NOTE: Use compressed air to remove any foreign material from the spark plug well before removing the spark plugs.

Remove the 10 spark plugs.

40. NOTE: Camshaft roller follower is shown removed for clarity.

Install the special tool between the valve spring coils to prevent valve stem seal damage.





41. NOTE: The camshaft roller followers must be reinstalled in their original locations. Record the camshaft roller follower locations.

NOTE: Position the cam lobe away from the camshaft roller follower prior to removing each camshaft roller follower.

Use the special tool to compress the valve springs, and remove the all of the camshaft roller followers.





42. Position the crankshaft with the keyway at the 12 o'clock position.





43. CAUTION: If one or both of the tensioner mounting bolts are loosened or removed, the tensioner-sealing bead must be inspected for seal integrity. If cracks, tears, separation from the tensioner body or permanent compression of the seal bead is observed, install a new tensioner.

Remove the timing chain tensioning system from both timing chains.
1 Remove the bolts.
2 Remove the timing chain tensioners.
3 Remove the timing chain tensioner arms.





44. Remove the timing chains and crankshaft sprocket.





45. Remove the timing chain guides.
1 Remove the 2 bolts.
2 Remove the LH timing chain guide.
3 Remove the 2 bolts.
4 Remove the RH timing chain guide.





46. Remove the RH exhaust manifold.
^ Remove and discard the 10 nuts.
^ Remove the RH exhaust manifold.
^ Remove and discard the RH exhaust manifold gaskets.





47. Remove the LH exhaust manifold.
^ Remove and discard the 10 nuts.
^ Remove the LH exhaust manifold.
^ Remove and discard the LH exhaust manifold gaskets.





48. NOTE: RH shown, LH similar.

Remove and discard the 20 exhaust manifold studs.





49. Clean and inspect the exhaust manifolds.
50. Install the special tools on both ends of the cylinder head.





51. NOTE: The hydraulic lash adjusters must be reinstalled in their original locations. Record the hydraulic lash adjuster locations.

Remove the hydraulic lash adjusters.





52. CAUTION: The cylinder head must be cool before removing it from the engine. Cylinder head warpage can result if a warm or hot cylinder head is removed.

CAUTION: Place clean shop towels over exposed engine cavities. Carefully remove the towels so foreign material is not dropped into the engine.

CAUTION: The cylinder head bolts must be discarded and new bolts must be installed. They are tighten-to-yield designed and cannot be reused.

CAUTION: Do not use metal scrapers, wire brushes, power abrasive discs or other abrasive means to clean the sealing surfaces. These tools cause scratches and gouges that make leak paths. Use a plastic scraping tool to remove all traces of the head gasket.

CAUTION: Aluminum surfaces are soft and can be scratched easily. Never place the cylinder head gasket surface, unprotected, on a bench surface.

NOTE: LH shown, RH similar.

Remove the bolts and the cylinder head.
^ Discard the cylinder head gasket.
^ Discard the cylinder head bolts.





53. CAUTION: Do not use metal scrapers, wire brushes, power abrasive discs or other abrasive means to clean the sealing surfaces. These tools cause scratches and gouges that make leak paths. Use a plastic scraping tool to remove all traces of the head gasket.

CAUTION: Observe all warnings or cautions and follow all application directions contained on the packaging of the silicone gasket remover and the metal surface prep.

NOTE: If there is no residual gasket material present, metal surface prep can be used to clean and prepare the surfaces.

Clean the cylinder head-to-cylinder block mating surfaces of both the cylinder head and the cylinder block.
1 Remove any large deposits of silicone or gasket material with a plastic scraper.
2 Apply silicone gasket remover, following package directions, and allow to set for several minutes.
3 Remove the silicone gasket remover with a plastic scraper. A second application of silicone gasket remover may be required if residual traces of silicone or gasket material remain.
4 Apply metal surface prep, following package directions, to remove any remaining traces of oil or coolant and to prepare the surfaces to bond with the new gasket. Do not attempt to make the metal shiny. Some staining of the metal surfaces is normal.

54. NOTE: Make sure all cylinder head surfaces are clear of any gasket material, RTV, oil and coolant. The cylinder head surface must be clean and dry before running a flatness check.

NOTE: Use a straightedge that is calibrated by the manufacturer to be flat within 0.005 mm (0.0002 inch) per running foot length. For example, if the straightedge is 61 cm (24 inch) long, the machine edge must be flat within 0.010 mm (0.0004 inch) from end to end.

NOTE: LH shown, RH similar.

Support the cylinder head on a bench with the head gasket side up. Inspect all areas of the deck face with a straightedge, paying particular attention to the oil pressure feed area. The cylinder head must not have depressions deeper than 0.0254 mm (0.001 inch) across a 38.1 mm (1.5 inch) square area, or scratches more than 0.0254 mm (0.001 inch).





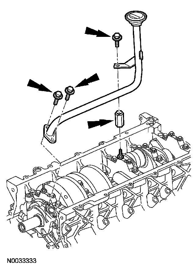
55. Remove the 4 bolts, the nut, the oil filter adapter and discard the gasket.





56. Clean the oil filter adapter gasket surface at the cylinder block.





57. Remove the 4 coolant pump bolts and the coolant pump.
^ Discard the O-ring seal.





58. Before removing the pistons, inspect the top of the cylinder bores. If necessary, remove the ridge or carbon deposits from each cylinder using an abrasive pad or equivalent following the manufacturer's instructions.
59. Remove the bolts, the oil pan and the oil pan gasket.
^ Discard the oil pan gasket.





60. Remove the 3 bolts, the oil pump screen cover and tube and the spacer.





61. Remove the 3 bolts and the oil pump.





62. CAUTION: Make sure connecting rods and rod caps are numbered to keep them in the correct orientation.

Remove the bolts and the connecting rod caps.
^ Rotate the crankshaft so that the connecting rod is at bottom dead center.
^ Remove and discard the bolts.





63. CAUTION: Do not scratch the cylinder walls or the crankshaft journals with the connecting rod.

Remove the piston and rod assembly.
^ Using the special tools, guide the piston and rod assembly out of the cylinder.





64. Repeat the previous steps until all 10 piston and rod assemblies have been removed from the cylinder block.
65. Disassemble the 10 pistons.
66. Remove and discard the 12 cross-mounted bolts.





67. Remove and discard the bolts.





68. Remove the main bearing cap dowel pins.





69. Remove the main bearing caps, the lower crankshaft main bearings and the thrust washer.





70. Remove the crankshaft and the crankshaft main bearings from the cylinder block.