Operation CHARM: Car repair manuals for everyone.
Manuals through 2025 now available!

Our trusted friends have launched a new website named LEMON, which has newer manuals. It also contains all the CHARM manuals.

LEMON is the spiritual successor to CHARM, I recommend you try it!

Link: lemon-manuals.la or lemon-manuals.org.ua

(Some people have issue connecting. LEMON is investigating. For now, use Firefox or change your DNS server)

Or, hide this message: temporarily or permanently

Compressor HVAC: Service and Repair

AIR CONDITIONING (A/C) COMPRESSOR







Removal and Installation

CAUTION: If installing a new A/C compressor due to an internal failure of the old unit, carry out the following procedures to remove contamination from the A/C system.
- If A/C flushing equipment is available, carry out flushing of the air conditioning system prior to installing a new air conditioning compressor.
- If A/C flushing equipment is not available, carry out filtering of the air conditioning system after a new air conditioning compressor has been installed.
- Install a new evaporator core orifice.
- Install a new suction accumulator.


NOTE:
- Installation of a new suction accumulator is not required when repairing the A/C system, except when there is physical evidence of contamination from a failed A/C compressor or damage to the suction accumulator.
- If installing a new A/C compressor, the A/C clutch disc and hub, A/C compressor pulley and A/C clutch field coil must be inspected and transferred from the old unit to the new unit if suitable for reuse.

1. With the vehicle in NEUTRAL, position it on a hoist.
2. If flushing of the refrigerant system has not been carried out, recover the refrigerant.
3. Remove the lower engine splash shield (if equipped).
4. Remove the drive belt from the A/C compressor pulley.
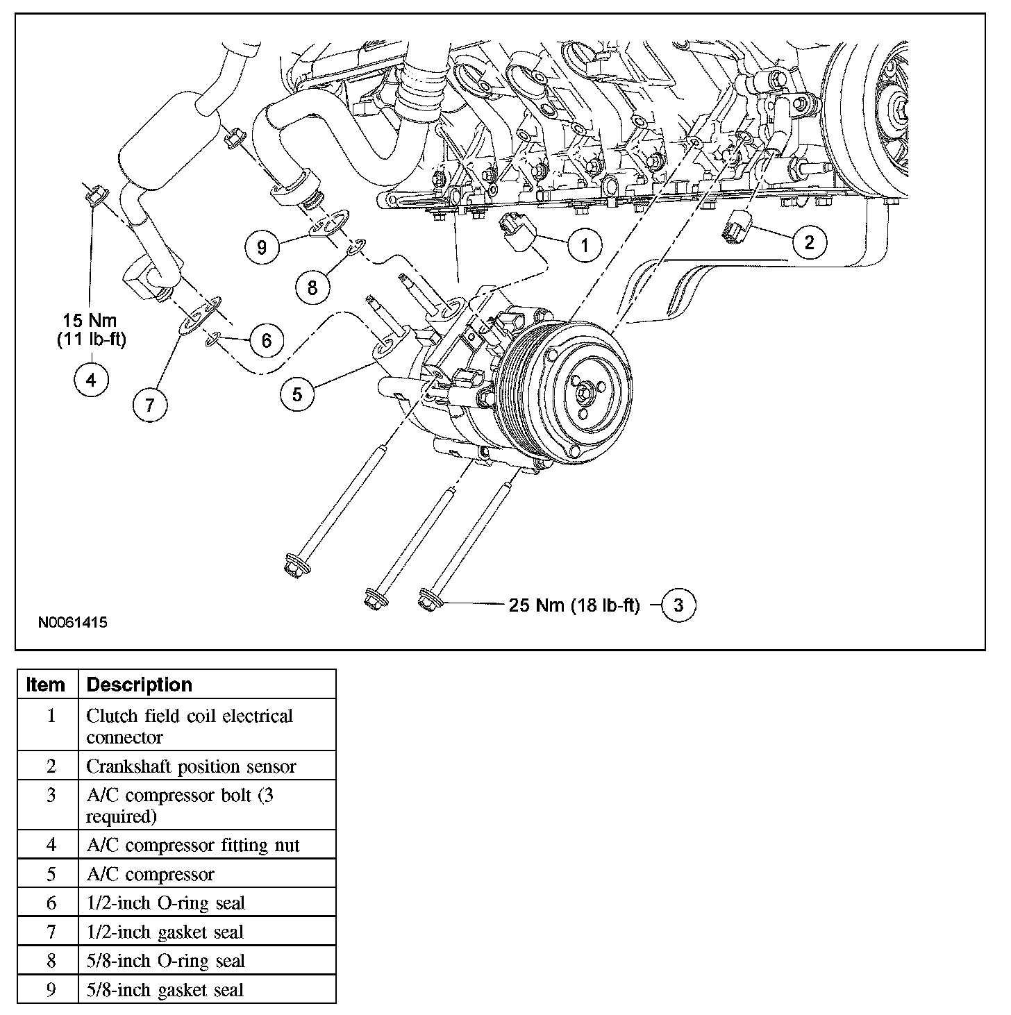
5. Disconnect the crankshaft position sensor electrical connector.
6. Disconnect the clutch field coil electrical connector and position the wire harness aside.
7. Completely loosen the 3 A/C compressor bolts and position the A/C compressor to allow access to the fitting nuts.
- To install, tighten to 25 Nm (18 lb-ft).

8. Remove the 2 A/C compressor fitting nuts and disconnect the fittings.
- Discard the O-ring seals and gasket seals.
- To install, tighten to 15 Nm (11 lb-ft).

9. To install, reverse the removal procedure.
- Install new gasket seals and O-ring seals.
- If a new A/C compressor is to be installed, the clutch assembly must be transferred from the old unit to the new unit.
- If not filtering the A/C system, lubricate the refrigerant system with the correct amount of clean PAG oil.

10. If not filtering the A/C system, evacuate, leak test, and charge the refrigerant system.