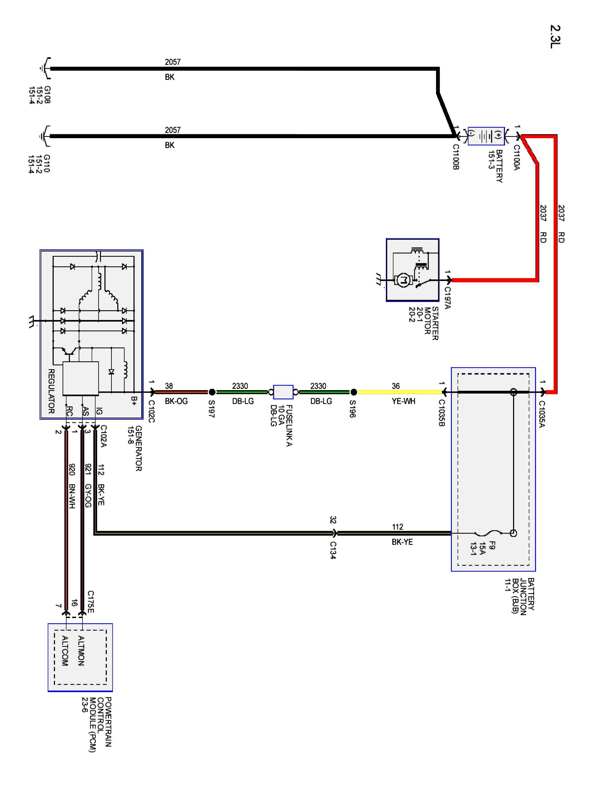
System Diagram
PLEASE NOTE: Some diagrams may appear to be missing because of gaps in the number sequences. These "gaps" are actually for diagrams that do not apply to the vehicle model selected.12-2:
Diagrams: Other diagrams referred to by number (See Diagram ##-#, etc.) within these diagrams can be found at Diagrams By Number. Diagrams By Number
Locations: Location Views (reference numbers starting with 151-) referred to within these diagrams can be found at Component Location Views. Component Location Views