Operation CHARM: Car repair manuals for everyone.
Manuals through 2025 now available!

Our trusted friends have launched a new website named LEMON, which has newer manuals. It also contains all the CHARM manuals.

LEMON is the spiritual successor to CHARM, I recommend you try it!

Link: lemon-manuals.la or lemon-manuals.org.ua

(Some people have issue connecting. LEMON is investigating. For now, use Firefox or change your DNS server)

Or, hide this message: temporarily or permanently

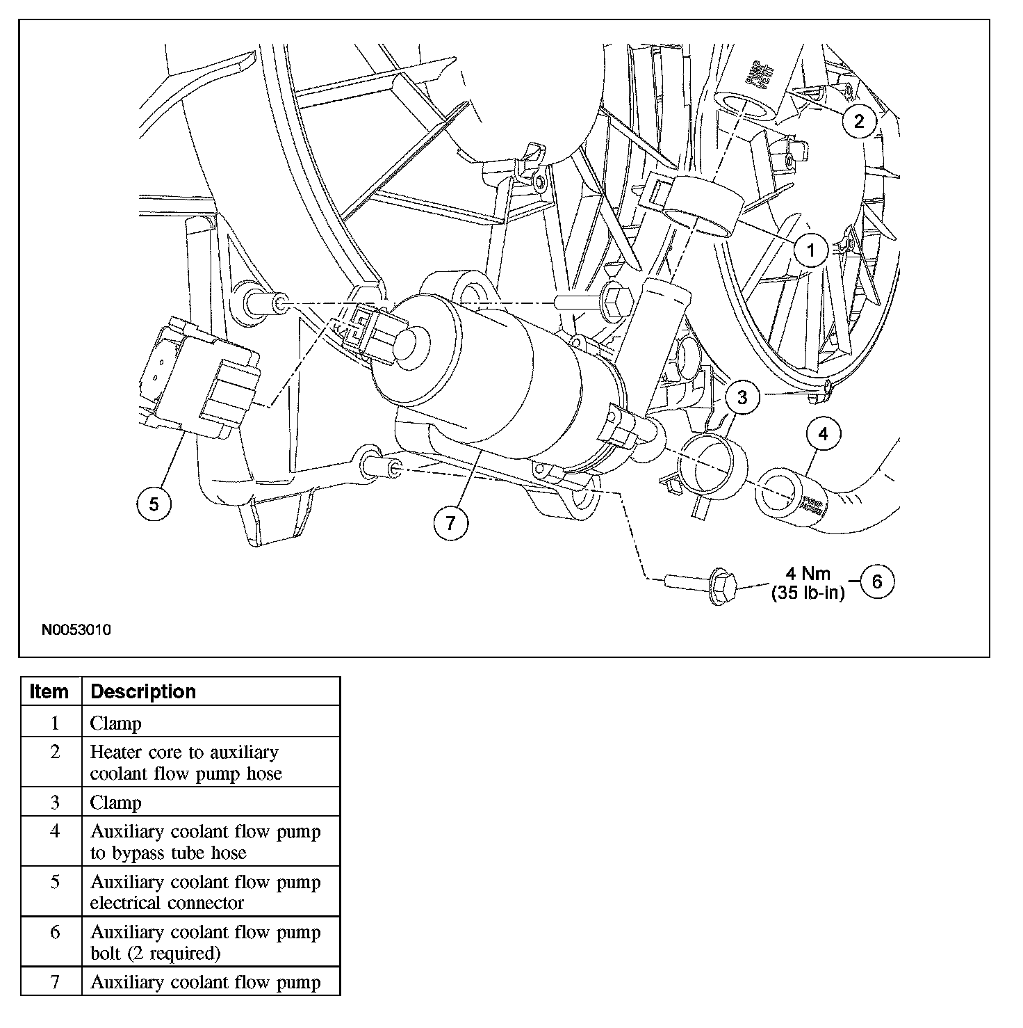
Auxiliary Water Pump: Service and Repair

AUXILIARY COOLANT FLOW PUMP







Removal and Installation
1. With the vehicle in NEUTRAL, position it on a hoist.
2. Drain the engine coolant.
3. Remove the lower splash shield.
4. Release the 2 clamps and disconnect the 2 auxiliary coolant flow pump heater hoses.
5. Disconnect the auxiliary coolant flow pump electrical connector.
6. Remove the 2 bolts and the auxiliary coolant flow pump.
- To install, tighten to 4 Nm (35 lb-in).

7. NOTE: Lubricate the coolant hoses with water if needed.

To install, reverse the removal procedure.
- Fill the engine cooling system.