Operation CHARM: Car repair manuals for everyone.
Manuals through 2025 now available!

Our trusted friends have launched a new website named LEMON, which has newer manuals. It also contains all the CHARM manuals.

LEMON is the spiritual successor to CHARM, I recommend you try it!

Link: lemon-manuals.la or lemon-manuals.org.ua

(Some people have issue connecting. LEMON is investigating. For now, use Firefox or change your DNS server)

Or, hide this message: temporarily or permanently

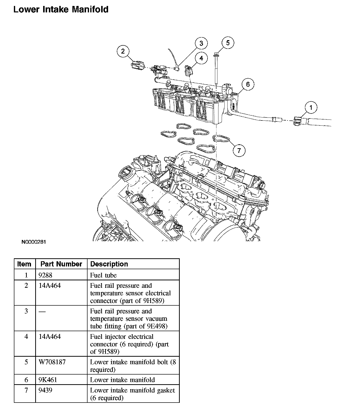
Lower Intake Manifold

Lower Intake Manifold

Lower Intake Manifold:





Removal

WARNING: Do not smoke or carry lighted tobacco or open flame of any type when working on or near any fuel-related component. Highly flammable mixtures are always present and may be ignited, resulting in possible personal injury.

WARNING: Fuel in the fuel system remains under high pressure even when the engine is not running. Before repairing or disconnecting any of the fuel system components, the fuel system pressure must be relieved to prevent accidental spraying of fuel, causing personal injury or a fire hazard.

1. Release the fuel system pressure. For additional information refer to Fuel Delivery and Air Induction.
2. Disconnect the battery ground cable. For additional information, refer to Battery.
3. Remove the upper intake manifold.
4. Disconnect the fuel supply tube quick connect coupling at the fuel rail. For additional information, refer to Fuel Delivery and Air Induction.
5. Disconnect the fuel rail pressure and temperature sensor electrical connector and vacuum tube.
6. Disconnect the 6 fuel injector electrical connectors.
7. Remove the 8 lower intake manifold bolts and the lower intake manifold.
^ Remove and discard the gaskets.

Installation

1. NOTE: Clean and inspect all sealing surfaces. Install new gaskets.

Position the lower intake manifold and install the bolts.
^ Tighten in the sequence shown to 10 Nm (89 inch lbs.)





2. Connect the fuel injector electrical connectors.
3. Connect the fuel rail pressure and temperature sensor electrical connector and vacuum tube.
4. Connect the fuel supply tube quick connect coupling at the fuel rail. For additional information, refer to Fuel Delivery and Air Induction.
5. Install the upper intake manifold.
6. Connect the battery ground cable. For additional information, refer to Battery.