Operation CHARM: Car repair manuals for everyone.
Manuals through 2025 now available!

Our trusted friends have launched a new website named LEMON, which has newer manuals. It also contains all the CHARM manuals.

LEMON is the spiritual successor to CHARM, I recommend you try it!

Link: lemon-manuals.la or lemon-manuals.org.ua

(Some people have issue connecting. LEMON is investigating. For now, use Firefox or change your DNS server)

Or, hide this message: temporarily or permanently

Timing Cover: Service and Repair

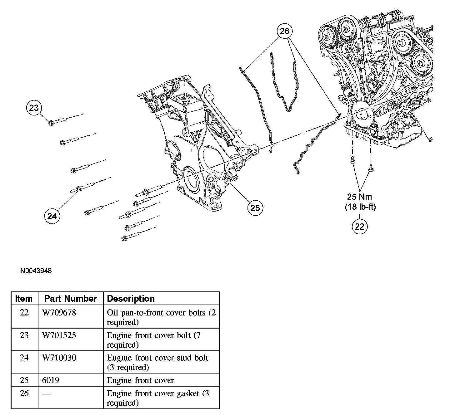
Engine Front Cover

Material:














Removal

CAUTION: During engine repair procedures, cleanliness is extremely important. Any foreign material, including any material created while cleaning gasket surfaces that enters the oil passages, coolant passages or the oil pan, can cause engine failure.

1. With the vehicle in NEUTRAL, position it on a hoist. For additional information, refer to Maintenance/Service and Repair.
2. Release the fuel system pressure. For additional information, refer to Fuel Delivery and Air Induction.
3. Disconnect the battery ground cable. For additional information, refer to Battery.
4. Remove the crankshaft front seal.
5. Remove the 5 bolts and the pin-type retainer and the RH lower splash shield.





6. Remove the generator upper air duct bolt and the air duct.
7. Remove the generator shield pin-type retainer, bolt and the generator shield.
8. Remove the 2 generator bolts.
9. Remove the generator stud nut and stud and position the generator aside.
10. Remove the LH and RH valve covers.
11. Remove the engine support insulator.
12. Remove the bolt and the accessory drive belt tensioner.
13. Remove the bolt and the idler pulley.
14. Remove the nut and position the heated oxygen sensor (HO2S) electrical connector bracket aside.
15. Disconnect the crankshaft position (CKP) sensor electrical connector.
16. Disconnect the camshaft position (CMP) sensor electrical connector.

17. NOTE: The bolt positioned behind the power steering pressure tube will remain in the pump housing.

Remove the 3 power steering pump bolts and position the power steering pump aside.
18. If equipped, remove the 3 nuts and position the speed control actuator aside.
19. Remove the 2 oil pan-to-front cover bolts.
20. Remove the 13 bolts, 3 stud bolts and the engine front cover.
^ Remove and discard the gaskets.

Installation

1. CAUTION: Do not use metal scrapers, wire brushes, power abrasive discs or other abrasive means to clean the sealing surfaces. These tools cause scratches and gouges which make leak paths.

CAUTION: Do not damage the oil pan gasket while cleaning the sealant from the lower cylinder block-to-oil pan joint.

Use a plastic scraping tool to remove all traces of sealant.
^ Clean all sealing surfaces with metal surface cleaner and install new gaskets.

2. NOTE: The engine front cover must be installed and the bolts tightened within 4 minutes of applying sealant.

Apply a 6 mm (0.23 inch) diameter dot of silicone gasket and sealer to the cylinder block, lower cylinder block, cylinder head and oil pan mating surfaces.





3. NOTE: Fasteners 1, 8 and 16 are stud bolts.

Position the engine front cover and install the bolts.
^ Tighten in the sequence shown to 25 Nm (18 ft. lbs.)





4. Install the 2 oil pan-to-front cover bolts.
^ Tighten to 25 Nm (18 ft. lbs.)
5. Remove the oil pan plug and drain the engine oil.
^ Install the plug and tighten to 26 Nm (19 ft. lbs.)
6. Position the power steering pump and install the 3 bolts.
^ Tighten to 25 Nm (18 ft. lbs.)
7. Connect the CMP electrical connector.
8. Connect the CKP electrical connector.
9. Position the HO2S bracket and install the nut.
^ Tighten to 10 Nm (89 inch lbs.)
10. Install the idler pulley and the bolt.
^ Tighten to 25 Nm (18 ft. lbs.)
11. Install the accessory drive belt tensioner and the bolt.
^ To install, tighten to 45 Nm (33 ft. lbs.)
12. If equipped, install the speed control actuator and 3 nuts.
13. Install the engine support insulator.
14. Install the LH and RH valve covers.
15. Position the generator and install the stud.
^ Tighten to 7 Nm (62 inch lbs.)
16. Install the generator stud nut.
^ Tighten to 47 Nm (35 ft. lbs.)
17. Install the 2 generator bolts.
^ Tighten to 47 Nm (35 ft. lbs.)
18. Install the generator shield, bolt and pin-type retainer.
^ Tighten to 4 Nm (35 inch lbs.)
19. Install the generator upper air duct and the bolt.
^ Tighten to 4 Nm (35 inch lbs.)
20. Install the RH lower splash shield, 5 bolts and the pin-type retainer.
^ Tighten to 9 Nm (80 inch lbs.)





21. Install the crankshaft front seal.
22. Fill the engine with clean engine oil.
23. Connect the battery ground cable. For additional information, refer to Battery.