Operation CHARM: Car repair manuals for everyone.
Manuals through 2025 now available!

Our trusted friends have launched a new website named LEMON, which has newer manuals. It also contains all the CHARM manuals.

LEMON is the spiritual successor to CHARM, I recommend you try it!

Link: lemon-manuals.la or lemon-manuals.org.ua

(Some people have issue connecting. LEMON is investigating. For now, use Firefox or change your DNS server)

Or, hide this message: temporarily or permanently

Seat Belt Systems

SAFETY BELT SYSTEM - EXPLODED VIEW, FRONT


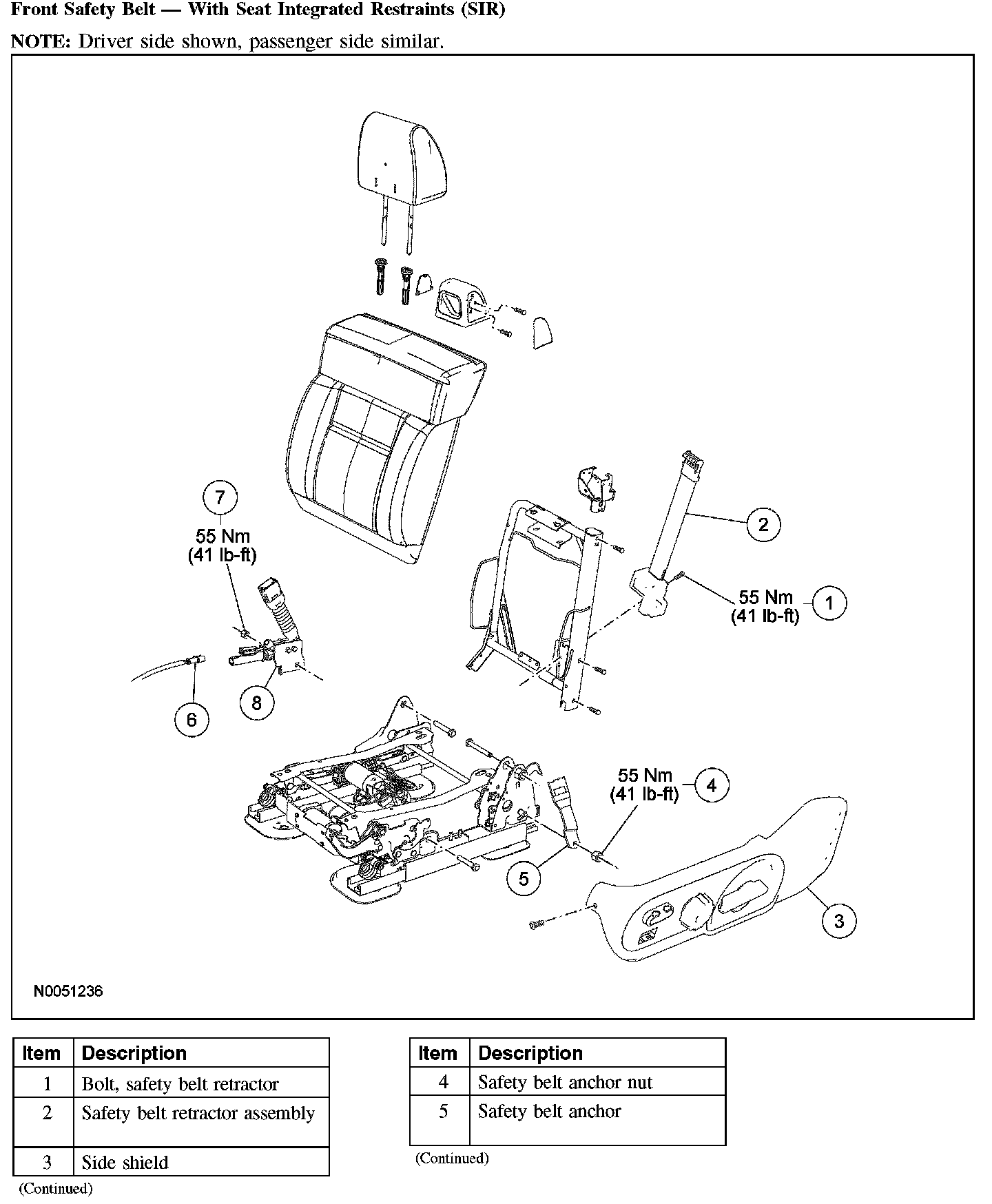
Front Safety Belt - With Seat Integrated Restraints (SIR) (Part 1):






Front Safety Belt - With Seat Integrated Restraints (SIR) (Part 2):






Front Safety Belt Buckle - 20 Percent (Regular Cab) (Part 1):






Front Safety Belt Buckle - 20 Percent (Regular Cab) (Part 2):






Front Safety Belt - 20 Percent (SuperCab And SuperCrew) (Part 1):






Front Safety Belt - 20 Percent (SuperCab And SuperCrew) (Part 2):






Front Safety Belt - Without Seat Integrated Restraints (SIR) (Part 1):






Front Safety Belt - Without Seat Integrated Restraints (SIR) (Part 2):






Removal and Installation
1. For additional information, refer to the procedures.