Operation CHARM: Car repair manuals for everyone.
Manuals through 2025 now available!

Our trusted friends have launched a new website named LEMON, which has newer manuals. It also contains all the CHARM manuals.

LEMON is the spiritual successor to CHARM, I recommend you try it!

Link: lemon-manuals.la or lemon-manuals.org.ua

(Some people have issue connecting. LEMON is investigating. For now, use Firefox or change your DNS server)

Or, hide this message: temporarily or permanently

Heater Core Case: Service and Repair


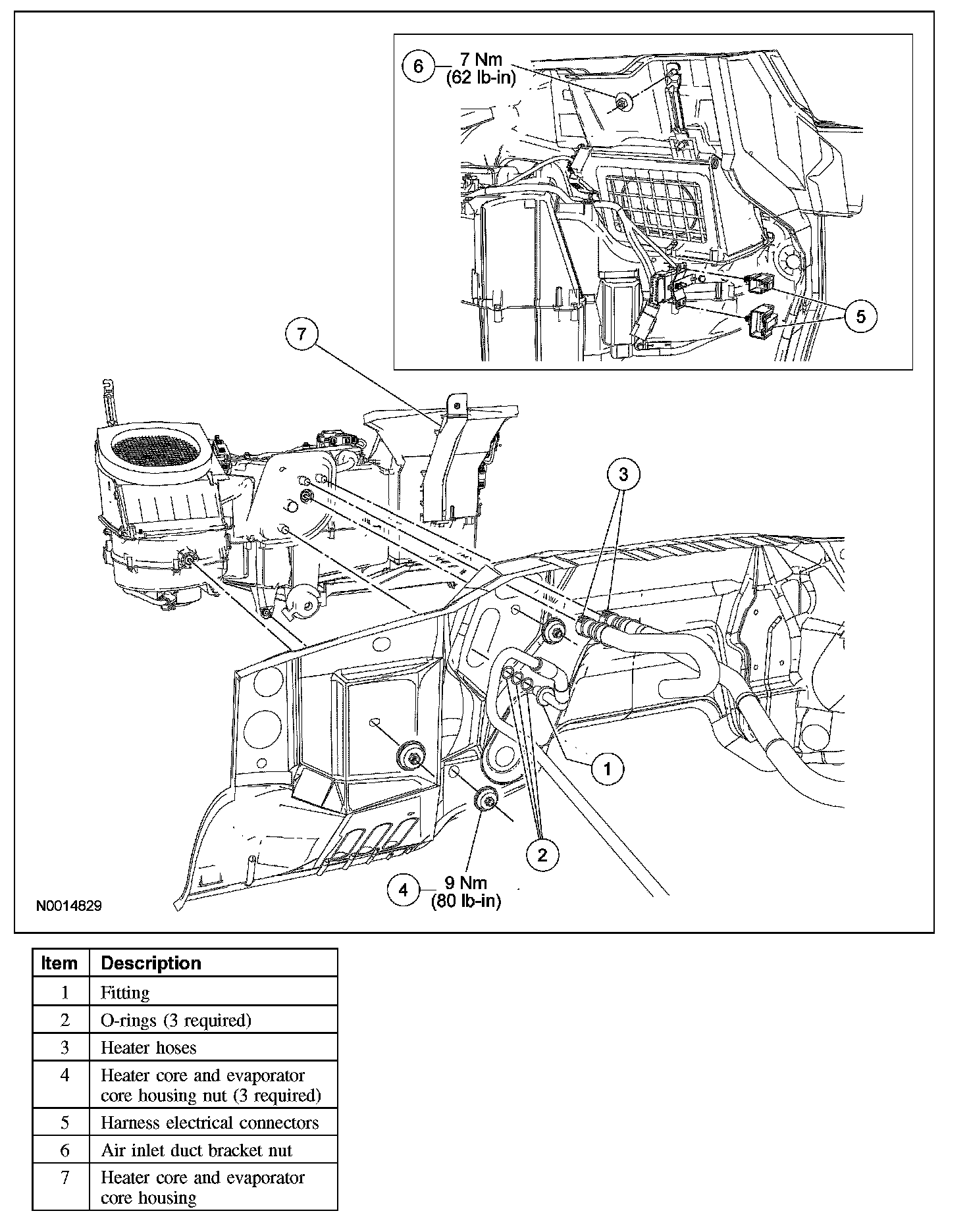
HEATER CORE AND EVAPORATOR CORE HOUSING






Removal and Installation

NOTE:
- If an evaporator core leak is suspected, the evaporator core must be vacuum leak tested before it is removed from the vehicle.
- If a heater core leak is suspected, the heater core must be leak tested before it is removed from the vehicle.
- Failure to correctly install the evaporator core seal when installing the evaporator core will result in decreased A/C cooling efficiency due to airflow bypassing the evaporator core.
- Installation of a new suction accumulator is not required when repairing the air conditioning system except when there is physical evidence of contamination from a failed A/C compressor or damage to the suction accumulator. Service and Repair

1. Remove the instrument panel. Service and Repair
2. Remove the suction accumulator. Service and Repair
3. Disconnect the evaporator core spring lock coupling.
- Discard the O-ring seals.
4. Clamp off and disconnect the 2 heater core quick disconnect fittings.
5. Remove the 3 heater core and evaporator core housing nuts.
- To install, tighten to 9 Nm (80 lb-in).
6. Disconnect the 2 harness electrical connectors.
7. Remove the air inlet duct bracket nut.
- To install, tighten to 7 Nm (62 lb-in).







8. Remove the bolt and position the junction box aside.







9. NOTE: For vehicles equipped with a rear footwell duct, the heater core and evaporator core housing must be carefully detached from the dash panel and then tilted toward the rear of the vehicle to detach it from the rear footwell duct connection.

Loosen the nut and remove the heater core and evaporator core housing.
1 Detach the clip.
2 Completely loosen the nut.
- To install, tighten to 7 Nm (62 lb-in).

3 Remove the heater core and evaporator core housing.


10. To install, reverse the removal procedure.
- Install new O-ring seals.
- Lubricate the refrigerant system with the correct amount of clean PAG oil. Specifications

11. Fill the engine cooling system. Service and Repair